Проверяем мотор дворника
Если задний дворник на Kia Sportage не работает, причиной может быть неправильно функционирующий мотор дворника. Для того чтобы проверить, исправен ли мотор, следуйте следующим шагам:
- Проверьте предохранитель: Перед проверкой мотора дворника убедитесь, что предохранитель, отвечающий за его работу, не сгорел. Проверьте соответствующую диаграмму расположения предохранителей в руководстве пользователя и замените сгоревший предохранитель, если это необходимо.
- Проверьте подключение: Убедитесь, что провод входящий в мотор дворника надежно подключен. Проверьте состояние патрубка и убедитесь, что нет разъединений или проволочных соединений.
- Проверьте напряжение: С помощью тестера или мультиметра проверьте наличие напряжения на проводе, идущем в мотор дворника. Правильное напряжение должно быть в пределах, указанных в руководстве пользователя.
- Проверьте состояние мотора: Если все предыдущие проверки не установили причину неисправности, возможно, мотор сам по себе вышел из строя. Для проверки мотора могут потребоваться специальные инструменты и устройства. Рекомендуется обратиться за помощью к специалисту или авторизованному дилеру Kia для проведения полной диагностики.
Используя указанные выше шаги, вы можете проверить мотор дворника на Kia Sportage. Если проблема не устранена после проведения всех проверок, рекомендуется обратиться за помощью к квалифицированному специалисту для определения и устранения неисправности.
Сломана моторчик стеклоочистителя
Причиной поломки моторчика стеклоочистителя может быть износ или повреждение его деталей. В результате этого, моторчик может заедать, перегорать или полностью выйти из строя.
Чтобы решить данную проблему, необходимо заменить сломанный моторчик стеклоочистителя на новый. Для этого следует обратиться в автосервис или приобрести новый моторчик и самостоятельно произвести его замену. В случае самостоятельной замены необходимо учитывать особенности вашей модели Киа Спортейдж и обратиться к руководству пользователя или специалистам для получения подробной информации о процессе замены.
Необходимо также убедиться, что сломка моторчика стеклоочистителя не вызвана другой проблемой, например, перегоранием предохранителя или дефектом проводки. В таком случае необходимо провести диагностику и устранить причину поломки перед заменой моторчика.
Почему не работает задний дворник на Kia Sportage 3?
Задний дворник — важный элемент безопасности автомобиля Kia Sportage 3, который обеспечивает хорошую видимость при дожде или снеге. Если он перестает работать, это может создать проблемы для водителя. В этой статье я расскажу о возможных причинах неисправности заднего дворника на Kia Sportage 3 и о том, что можно сделать, чтобы ее устранить.
Проверьте предохранитель
Первым делом, когда задний дворник перестает работать, стоит проверить предохранитель соответствующей строки электросхемы. Перед проверкой обязательно отключите зажигание и извлеките предохранитель, чтобы убедиться, что он не прогорел. Если предохранитель прогорел, замените его на новый
Обратите внимание на ток предохранителя — он должен соответствовать рекомендациям производителя. Если новый предохранитель снова прогорает, это может указывать на проблемы в электрической цепи, и вам потребуется обратиться к специалисту
Проверьте питание и заземление
Если предохранитель в порядке, следующим шагом будет проверка питания и заземления заднего дворника. Для этого вам понадобится мультиметр. Убедитесь, что провода, идущие к дворнику, надежно подключены и не имеют обрывов или короткого замыкания. Проверьте наличие напряжения на проводах, подаваемых на дворник, и удостоверьтесь, что электрический контакт соединения хороший. Также стоит проверить заземление – убедитесь, что металлическая поверхность дворника имеет надежное соединение с кузовом автомобиля.
Если напряжение на проводах отсутствует или небольшое, это может указывать на проблемы с электрической проводкой, перегоревшим предохранителем или проблемами с коммутацией в реле. В таком случае лучше обратиться к профессионалам, чтобы выполнить дальнейшие диагностику и ремонт.
Проверьте двигатель дворника
Если до сих пор не удалось найти причину неисправности, стоит проверить сам двигатель заднего дворника. Для этого потребуется снять задний крыльчатый люк и осмотреть двигатель. Убедитесь, что он не поврежден и что его контакты не окислены или испорчены. Если контакты грязные или окислены, очистите их, чтобы обеспечить хороший электрический контакт.
Если двигатель дворника поврежден или испорчен, его следует заменить и протестировать его работу. Если вы не имеете опыта в ремонте автомобилей, лучше обратиться в автосервис, чтобы специалисты смогли выполнить замену и проверить правильность работы дворника.
Почему задний дворник не работает: 7 причин

Бесспорно, если не работает задний дворник, то вести машину в плохую погоду достаточно опасно. Далее рассмотрим основные причины, которые могут привести к тому, что дворник перестал функционировать:
- Сгорел предохранитель.
Предохранитель – это деталь, которая защищает от поломки приборы и устройства. В данной ситуации он оберегает электродвигатель дворников.
Если не работает задний дворник, то в первую очередь надо проверить, не сгорел ли предохранитель. В большинстве случаев именно он становится причиной отказа щетки стеклоочистителя.
Советуем прочитать руководство по эксплуатации вашего транспортного средства, чтобы точно знать место нахождения этого устройства.
Неисправны проводка и контакты.
Далее нужно проверить контакты в разъемах и невредимость проводки. С течением времени возможно окисление контактов, которое может являться причиной того, что задний дворник работает плохо. В этом случае контакты следует зачистить.
Неисправно реле.
Если дворник в прерывистом режиме не работает, то, возможно, повреждено реле. Следует проверить щетку в быстром и медленном режимах. Если все в порядке и она «стоит» только во время прерывистого движения, тогда нужно поставить новое реле.
Испорчено крепление щетки.

С течением времени крепление щетки может ослабнуть. В результате стеклоочиститель может не работать, так как его моторчик не в силах сдвинуть раскрутившийся дворник. Для устранения неисправности нужно лишь подкрутить разболтавшуюся гайку.
Неисправен блок управления стеклоочистителя.
Блок управления дает возможность менять режим движения щетки. Наиболее часто встречающейся причиной неисправности рулевого переключателя стеклоочистителя являются окислившиеся контакты. Если во время проверки все детали исправны, а задний дворник все равно не работает, значит, следует менять блок управления.
Неисправен моторчик дворников.
Щетка не будет работать совсем, если моторчик поврежден. Следует проверить, есть ли напряжение в разъеме электромотора. Если оно равно напряжению в аккумуляторе, то моторчик рабочий.
Также в движке стеклоочистителя могут износиться щетки – их легко поменять. Но если сгорела обмотка, то следует приобрести новый, потому что менять ее бессмысленно.
Рекомендуем
Трапеция – это привод, состоящий из тяг и рычагов. Посредством такой системы передается движение от электромотора к поводку дворников. Ломается трапеция довольно редко. Обычно поводки приходят в негодность из-за слабой конструкции шлицов – их можно повредить малейшим движением в противоположную сторону. В такой ситуации поводки следует заменить.
Блоки в салоне
Блок предохранителей
Находится в торце приборной панели, со стороны водителя. Для доступа снимите защитную крышку.


Схема на русском

Оригинальная схема с крышки блока

p, blockquote 14,0,0,0,0 —>
| TAIL RH | 10А Правый задний комбинированный фонарь, правая фара, реле передних противотуманных фар блок управления освещением для езды в дневное время (DRL), освещение |
| RR HTR | 30А Реле обогрева заднего стекла, контакт |
| HAZARD | 15А Реле аварийной сигнализации, выключатель аварийной сигнализации, ЕТАСМ, панель приборов, много функциональный переключатель, левый /правый задний комбинированный фонарь, левая /правая фара, лампа левого /правого бокового повторителя указателя поворота |
| HTD MIRR | 15А Привод регулировки левого /правого бокового зеркала заднего вида, блок управления кондиционером |
| TAIL LH | 10А Левая фара, левый задний комбинированный фонарь, левый /правый фонарь освещения номерного знака |
| ECU (B+) | 10А Блок управления трансмиссией (ТСМ), блок управления иммобипайзером |
| P/OUTLET RR | 15А Задняя розетка |
| RR FOG | 10А Реле задних противотуманных фар |
| RR WIPER | 15А Панель приборов, ETACM, лампа освещения багажного отделения, лампа освещения кузова, переключатель стекло подъемника двери багажного отделения, переключатель стекло подъемника задней двери, реле очистителя заднего стекла, многофункциональный переключатель, реле обогрева заднего стекла |
| START | 10А Реле охранной сигнализации, реле блока круиз-контроля, реле стартера, переключатель режимов работы трансмиссии |
| AV | 10А Аудиосистема |
| P/OUTLET FR | 15А Передняя розетка |
| OBD II | 10А Разъем передачи данных, многоцелевой контрольный разъем |
| S/HTR | 20А Выключатель подогрева сиденья водителя /пассажира |
| C/ LIGHTER | 15А Прикуриватель |
| AUDIO | 10А Выключатель привода регулировки зеркала заднего вида, электронные часы, ЕТАСМ, аудиосистема |
| ROOM LP | 10А Выключатель системы, напоминающей водителю о ключе, оставленном в замке зажигания, панель приборов, ЕТАСМ, лампа освещения салона, блок управления кондиционером, цифровые часы, лампа освещения багажного отделения, выключатель управления люком |
| S/ROOF & D/LOCK | 20А Правая /левая лампы подсветки передних дверей |
| A/CON | 10А Реле запирания/ отпирания дверей, контроллер управления люком, электро хроматическое зеркало |
| IGN | 10А Реле фар, датчик AQS, блок управления освещением для езды в дневное время (DRL), реле обогрева топливного фильтра |
| PAVDW 1 | 30А Выключатель электрического стекло подъемника окна водителя выключатель электрического стекло подъемника левого заднего окна |
| P/WDW 2 | 30А Выключатель электрического стекло подъемника окна водителя /пассажира, выключатель электрического стекло подъемника правого заднего окна |
| IG COIL | 20А Катушка зажигания |
| T/SIG | 15А Выключатель аварийной сигнализации, автоматический световой датчик |
| A/BAG IND | 15А Приборная панель |
| CLUSTER | 10А Приборная панель, ETACM, блок управления иммобилайзером, резистор предварительного возбуждения, генератор, блок управления DRL |
| B/UP | 10А Выключатель лампы заднего хода, переключатель режимов работы трансмиссии |
| A/BAG | 10А Электронный блок управления системой SRS |
| ABS | 15А Блок управления ABS, блок управления ESP, датчик ускорения, выключатель противо пробуксовочной системы (TCS), выключатель ESP, датчик угла поворота рулевого колеса |
| ECU | 10А Блок управления иммобилайзером, датчик скорости автомобиля, блок управления двигателем (ЕСМ), генератор импульсов ТСМ А/В, выключатель сигнализации топливного фильтра, блок круиз-контроля, датчик массового расхода воздуха, электронный блок управления полным приводом, выключатель стоп-сигнала, много функциональный выключатель |
Блок реле
Отдельные элементы реле могут находится под панелью, рядом с рулевой рейкой: реле аварийной сигнализации и указателей поворотов, задних противотуманных фар, сигнализации или центрального замка.

Так же в блоке с предохранителями могут крепится несколько элементов.
p, blockquote 19,0,0,0,0 —>
- Реле обогрева заднего стекла
- Реле задних фонарей
- Реле стеклоподъемников
Почему на моем Kia Sportage заклинивает дворник?
Итак, мы начнем нашу статью с объяснения заклинили дворники вашего Kia Sportage . Для начала мы сконцентрируемся на передних дворниках, а во второй раз — на заднем.
Почему передние дворники на моем Kia Sportage застряли в верхнем или нижнем положении?
Мы рассмотрим один за другим различные проблемы, из-за которых передние дворники вашего Kia Sportage могут застревать :
Одна из наиболее распространенных причин, по которой передние дворники застревают на вашем Kia Sportage, связана с двигателем, который ими управляет, на самом деле эти двигатели со временем могут потерять мощность, и рано или поздно их придется менять
Вам следует Прежде чем полностью заблокировать дворники, обратите внимание, что они работают намного медленнее.
Менее общий, но все же может случиться, что ваши передние щетки стеклоочистителя заблокированы из-за предмета, который мешает им работать, обратите внимание на ось лезвий.
Если это недостаток смазки, вы обнаружите, что ваши передние дворники работают медленнее, быстро проверьте триггер проблем, иначе двигатели будут форсированы и повреждены.
Вполне возможно, что передние дворники вашего Киа Спортейдж могут не работать из-за неисправного комодо. Чтобы это проверить, нужно отсоединить выходные провода и соединить их между собой, если дворники исправны, виноват в проблеме comodo.
Наконец, последняя возможность, передние дворники вашего Kia Sportage заблокированы из-за сбоя питания, поэтому вам придется проверить две части: реле и предохранитель.
Почему на моем Kia Sportage заклинило стеклоочиститель заднего стекла?
Что касается застрял дворник заднего стекла вашего Kia Sportage , истоки ваших осложнений более или менее одинаковы. Тем не менее, в задней части вашего автомобиля есть только одна щетка стеклоочистителя, но есть еще некоторые специальные детали, которые могут вызвать проблемы только на заднем лобовом стекле вашего Kia Sportage. Поэтому обязательно выполните те же проверки, что и в предыдущей части этой статьи.
Перегоревший предохранитель
При перегорании предохранителя задний стеклоочиститель перестает работать. Чтобы решить эту проблему, необходимо проверить предохранитель, который отвечает за работу заднего стеклоочистителя в блоке предохранителей автомобиля. В большинстве случаев предохранитель перегорает из-за перегрузки электрической цепи, возникающей, например, при остановке стеклоочистителя во время работы или попадании воздуха или пыли во время использования заднего стеклоочистителя.
Чтобы заменить перегоревший предохранитель, нужно:
- Найти блок предохранителей внутри автомобиля – обычно он располагается на панели приборов с водительской стороны или под рулевой колонкой. В руководстве по эксплуатации автомобиля можно найти точное местоположение блока предохранителей.
- С помощью отвертки или плоскогубцев аккуратно извлечь перегоревший предохранитель из блока. Если предохранитель работал короткое время после перегорания, его можно легко найти по видимым признакам перегорания – прерванной нити или обломкам металла.
- Приобрести новый предохранитель такого же номинала, как и у перегоревшего. Обычно номинал предохранителя указан на корпусе.
- Вставить новый предохранитель в блок, аккуратно нажав его на место.
- Проверить работу заднего стеклоочистителя. Если все сделано правильно, стеклоочиститель должен начать работать.
Если после замены предохранителя задний стеклоочиститель все равно не работает, возможно, есть другая причина неисправности. В этом случае рекомендуется обратиться к специалисту для дальнейшей диагностики и устранения неполадки.
Процесс снятия и замены
Прерывистый режим работы дворников в машинах KIA, Hyundai и др., оборудованных датчиком дождя.
Замена предохранителей в салоне на киа рио.
Моторчика заднего дворника восстановление Volkswagen Passat B5/Фольксваген Пассат Б5 /Ауди/Шкода
Предохранители из Китая для Киа Спортейдж 3
Омыватель стекла поиск и устранения неисправности
https://youtube.com/watch?v=66Vv8oPCitM
как отремонтировать задний дворник- часть1
Подрулевой переключатель. Ремонт переключателя ПТФ(почему не горят противотуманки)
-
Как подключить дхо на шкода октавия тур а4
-
Piton x-3 инструкция
-
Адаптация дроссельной заслонки шевроле кобальт
-
Антенна иммобилайзера киа спектра где находится
- Признаки неисправности цепи грм нива шевроле
Как подобрать и установить новые щетки на задний дворник Kia Sportage
Задний дворник является неотъемлемой частью системы очистки стекол вашего Kia Sportage. Если дворник перестал исправно функционировать, необходимо заменить старые щетки на новые. В данной статье мы расскажем вам, как правильно подобрать и установить новые щетки на задний дворник вашего автомобиля.
Шаг 1: Выбор правильного размера щеток
Перед покупкой новых щеток для заднего дворника Kia Sportage необходимо определить размер стекла и соответствующий размер щеток. Для этого измерьте длину стекла, с которым будет работать задний дворник. Размеры щеток обычно указаны на упаковке новых щеток или в руководстве по эксплуатации вашего автомобиля.
Шаг 2: Покупка новых щеток
После определения размера нужно купить новые щетки для заднего дворника
Обратите внимание на качество и производителя щеток. Выбирайте известные и надежные марки, чтобы быть уверенным в качестве и долговечности продукта
Шаг 3: Демонтаж старых щеток
- Перед началом демонтажа убедитесь, что задний дворник выключен и не может включиться случайно.
- Аккуратно поднимите проводку заднего дворника, чтобы освободить щетки.
- Поверните механизм крепления щетки на 90 градусов против часовой стрелки.
- Аккуратно снимите старую щетку с механизма.
Шаг 4: Установка новых щеток
- Распакуйте новые щетки и проверьте их на наличие повреждений.
- Установите новую щетку на механизм и поверните его на 90 градусов по часовой стрелке, чтобы закрепить щетку.
- Убедитесь, что щетка плотно закреплена и не двигается.
Шаг 5: Проверка работоспособности
После установки новых щеток необходимо проверить их работоспособность. Включите задний дворник и убедитесь, что щетки равномерно очищают стекло. Если появились какие-либо проблемы, убедитесь, что щетки правильно установлены и обратитесь к руководству по эксплуатации для получения дополнительной информации.
Правильная установка новых щеток на задний дворник вашего Kia Sportage обеспечит эффективную очистку стекла и обеспечит вам безопасное вождение в плохих погодных условиях.
Проблемы с задним дворником Kia Sportage: как решить неисправность
Задний дворник является важной частью системы обеспечения безопасности в автомобиле Kia Sportage. Он обеспечивает хорошую видимость заднего стекла во время дождя или снегопада
Однако, как и любая другая составляющая автомобиля, задний дворник иногда может выйти из строя. В этой статье рассмотрим несколько распространенных проблем с задним дворником Kia Sportage и поделимся способами их решения.
1. Перестали работать дворник и омыватель заднего стекла
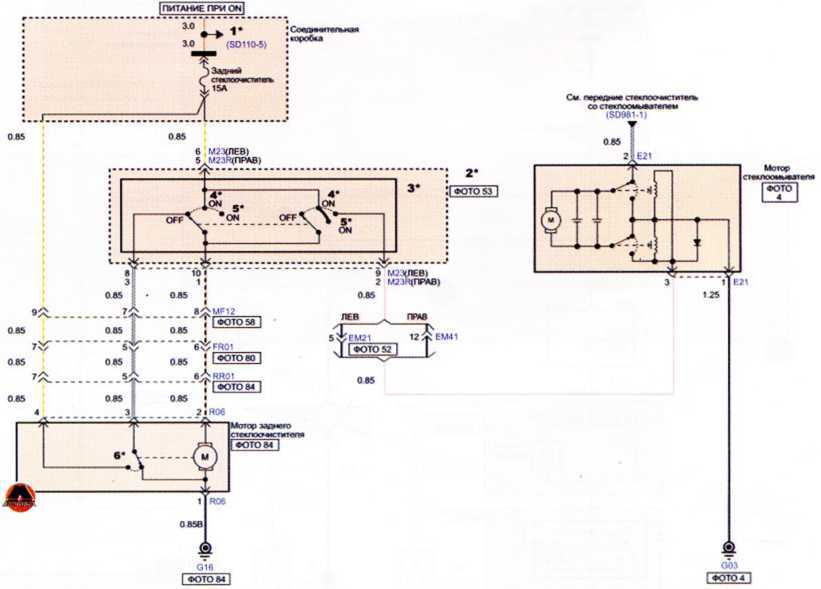
Если задний дворник и омыватель одновременно перестали работать, первым делом следует проверить предохранители. Откройте крышку блока предохранителей, расположенного на панели приборов под рулем. На внутренней стороне крышки предохранителей должна быть схема их расположения. Найдите предохранители, отвечающие за задний дворник и омыватель, и проверьте их на исправность. Если предохранители сгорели, замените их на новые предохранители аналогичной мощности.
2. Задний дворник движется слишком медленно или слишком быстро
Если задний дворник движется слишком медленно или слишком быстро, проблема может быть связана с неисправностью мотора дворника. Прежде чем заменить мотор, рекомендуется проверить контакты и провода, соединяющие мотор с системой питания. Слабые или обрывистые контакты могут привести к неправильной работе мотора. Если контакты в порядке, вероятно, придется заменить мотор дворника. Для замены мотора рекомендуется обратиться к специалисту, так как это требует определенных навыков и инструментов.
3. Задний дворник работает нестабильно
Если задний дворник работает нестабильно, то есть двигается ненормально или останавливается в процессе работы, осмотрите специальные пластиковые концы дворника на наличие повреждений. Причина может быть в перегреве или возникновении трения, вызванного трещинами или износом концов дворника. Если концы дворника повреждены, рекомендуется заменить его на новый.
4. Омыватель не распыляет жидкость по стеклу
Если омыватель заднего стекла не распыляет жидкость или распыляет ее неравномерно, причиной может быть засорение форсунки омывателя. Форсунка может быть забита пылью, грязью или другими частицами. Очистите форсунку, используя иглу или небольшую проволочку.
5. Омыватель не подает жидкость на стекло
Если омыватель не подает жидкость на заднее стекло, следует проверить уровень жидкости в бачке омывателя. Если уровень жидкости ниже минимального, следует долить жидкость до необходимого уровня. Если бачок омывателя полон, проблема может быть связана с повреждением системы подачи жидкости. В этом случае рекомендуется обратиться к специалисту для диагностики и ремонта системы.
6. Задний дворник не возвращается в исходное положение
Если задний дворник не возвращается в исходное положение после работы, причиной может быть несоответствие размеров дворников или износ пружины дворника. Проверьте, что задний дворник установлен правильно и соответствует размерам, указанным в инструкции пользователя. Если размеры дворника правильные, а пружина изношена, рекомендуется заменить ее на новую.
Теперь вы знаете, как решить распространенные проблемы с задним дворником Kia Sportage. Следуя указанным выше рекомендациям, вы сможете с легкостью исправить неполадки и наслаждаться комфортной ездой при любой погоде.
Проверяем стеклоочистительные щетки
Стеклоочистительные щетки являются важной частью системы очистки заднего стекла автомобиля. Если задний дворник не работает, первым делом следует проверить состояние и правильность установки щеток
Вот несколько шагов, которые помогут вам проверить и исправить проблемы с задними стеклоочистителями:
Внешний осмотр: Осмотрите стеклоочистительные щетки на наличие видимых повреждений, таких как износ или деформация
Обратите внимание на состояние резиновых полосок щеток. Если они изношены или треснули, необходима замена.
Правильная установка: Проверьте, что щетки установлены правильно и надежно на механизме дворника
Удостоверьтесь, что они плотно прижаты к стеклу. Если щетки не установлены должным образом, они могут работать некачественно или вообще не работать.
Чистота стекла: Очистите заднее стекло автомобиля от пыли, грязи и других загрязнений. Грязное стекло может затруднить движение щеток и повлиять на их работу.
Тестовый запуск: Включите задний дворник и проверьте его работоспособность. Если щетки не движутся или движутся некачественно, возможно, проблема связана с электрической системой или механизмом дворников. В таком случае лучше обратиться к специалисту для диагностики и ремонта.
Обычно проблемы с задним дворником связаны с износом или неправильной установкой стеклоочистительных щеток. Проверка и исправление этих проблем может быть достаточно простым и позволит вам вернуть задний дворник в рабочее состояние.
Почему не работает задний стеклоочиститель на Киа спортейдж?
1. Перегорание предохранителя: Наиболее распространенной причиной неисправности заднего стеклоочистителя является перегоревший предохранитель. Проверьте предохранители своего автомобиля и замените перегоревший предохранитель, если это необходимо.
2. Повреждение проводки: Если предохранитель исправен, следующим шагом может быть проверка проводки. Проверьте проводку, соединяющую задний стеклоочиститель с панелью приборов и поиск повреждений или обрывов. Если обнаружены повреждения, проведите восстановительные работы или замените проводку.
3. Сломанный мотор стеклоочистителя: Еще одна причина, по которой задний стеклоочиститель может не работать, — поломка мотора стеклоочистителя. Проверьте мотор стеклоочистителя на наличие повреждений или неисправностей. При необходимости замените мотор стеклоочистителя.
4. Проблемы с кнопкой или переключателем: Иногда неисправность заднего стеклоочистителя может быть связана с проблемами в кнопке или переключателе на панели приборов. Проверьте работу кнопки или переключателя и, если необходимо, замените их.
5. Дефект в стекле: Редко, но все же возможно, что причиной неисправности заднего стеклоочистителя может быть дефект в стекле. Если на стекле заднего стеклоочистителя есть царапины, трещины или другие повреждения, это может привести к неисправности стеклоочистителя. В этом случае необходимо заменить заднее стекло.
В случае, если вы не можете определить причину неисправности заднего стеклоочистителя на Киа Спортейдж самостоятельно или не можете устранить неисправность, рекомендуется обратиться к специалистам автосервиса или дилерскому центру Киа для диагностики и ремонта.
Kia Sportage — Ремонт электродвигателя заднего стеклоочистителя
Kia Sportage QL (2015-2023) Руководство по обслуживанию / Электрическая система кузова / Задний стеклоочиститель/омыватель заднего стекла / Ремонт электродвигателя заднего стеклоочистителя
| Осмотр |
Двигатель заднего стеклоочистителя
| 1. |
Снимите разъем с электродвигателя заднего стеклоочистителя. |
| 2. |
Подсоедините положительный (+) кабель аккумулятора к клемме 2 и отрицательному (-) аккумулятору. |
| 3. |
Убедитесь, что двигатель работает нормально. Если они ненормальные, замените
|
Проверка работы автоматической остановки
1.![]() |
Включите двигатель на малой скорости с помощью подрулевого переключателя. |
| 2. |
Остановите работу двигателя в любом месте, кроме выключенного положения, отсоединив |
| 3. |
Подсоедините положительный (+) провод аккумулятора к клемме 3, а |
| 4. |
Убедитесь, что двигатель останавливается в выключенном положении. |
| Осмотр (с KDS/GDS) |
| 1. |
В электрической системе тела неисправность можно быстро диагностировать с помощью Диагностическая система (KDS/GDS) предоставляет следующую информацию.
|
2.![]() |
Выберите «Модель автомобиля» и «Модуль управления кузовом (BCM)» для проверки. |
| 3. |
Выберите меню «Текущие данные» для поиска текущего состояния ввода/вывода. |
| Удаление |
|
Настройка автоматического включения дворников заднего стекла при движении задним ходом |
| 1. |
Снимите крышку заднего стеклоочистителя (А). |
| 2. |
Снимите рычаг и щетку заднего стеклоочистителя (А) после ослабления крепежной гайки. |
| 3. |
Снимите втулку заднего стеклоочистителя (А). |
| 4. |
Снимите обшивку двери багажника после открытия двери багажника. (См. Кузов — «Облицовка задней двери») |
| 5. |
Отсоедините разъем электродвигателя заднего стеклоочистителя (А). |
6.![]() |
Снимите узел электродвигателя заднего стеклоочистителя (А) после ослабления крепления. |
| Установка |
| 1. |
Установите электродвигатель заднего стеклоочистителя в сборе.
|
| 2. |
Установите обшивку задней двери. |
| 3. |
Установите рычаг заднего стеклоочистителя и крышку заднего стеклоочистителя.
|
| 4. |
Установите щетку заднего стеклоочистителя и на самую нижнюю линию обогрева обогревателя и заднюю дверь. |
Компоненты и расположение компонентов
Расположение компонента 1. Рычаг и щетка заднего стеклоочистителя
2. Гайка рычага заднего стеклоочистителя
3. Втулка заднего стеклоочистителя 4. Электродвигатель заднего стеклоочистителя в сборе. 5. Болт электродвигателя заднего стеклоочистителя
…
Выключатель заднего омывателя Процедуры ремонта
осмотр Проверка многофункционального переключателя 1. Проверьте целостность цепи между клеммами в каждом положении переключателя, как указано ниже.
показано ниже. [Левая ручка…
Прочая информация:
Что я могу сделать, чтобы разблокировать дворник на моем Kia Sportage?
Наконец, чтобы выполнить эту вторую часть, мы посмотрим, какие решения доступны вам, чтобы убедиться, что дворники на вашем Kia Sportage разблокированы и снова работают эффективно.
Как разблокировать дворники моего Kia Sportage?
Будь то дворники переднего или заднего стекла, решения будут одинаковыми, и мы выделим их одно за другим в этой части, а адаптировать их к той части, которая вас касается, зависит от вас. Если у вас есть другие проблемы с блокировкой, например топливная дверь застряла на Kia Sportage, не думайте дважды, чтобы ознакомиться с нашей статьей по этой проблеме.
- В таком случае вам нужно будет идентифицировать блок двигателя, затем отсоединить силовые кабели этого блока (будьте осторожны, их должно быть несколько, связанных с разными скоростями подметания), затем снимите щетки и рычажный механизм. Наконец, вам нужно будет открутить эти точки крепления, которые обычно закреплены на сайлентблоках, и собрать новый двигатель стеклоочистителя на вашем Kia Sportage.
- В этом сценарии будет довольно легко, но дорого поменять ваш комод, деталь обычно стоит около 200 евро, после тестирования вы сможете разобрать свой комод, сняв крышку с задней части рулевого колеса, а затем отсоединив ее и сняв его с помощью крепежных винтов, вам просто нужно будет собрать новый.
- Стеклоочиститель Kia Sportage заблокирован из-за сбоя питания: В этом последнем сценарии вам нужно будет определить источник неисправности (предохранитель или реле) и заменить неисправную деталь.
Если у вас возникнут дополнительные вопросы о Kia Sportage, не стесняйтесь обращаться к нам. Kia Sportage категория.
































