Значение предохранителя бензонасоса в Mitsubishi Lancer 9
Каждый автомобиль Mitsubishi Lancer 9 имеет в своем составе бензонасос, обеспечивающий надлежащую подачу топлива в двигатель. Однако, в случае неисправности бензонасоса или его компонентов, может произойти авария, которая нанесет значительный ущерб техническим характеристикам авто.
Для предотвращения таких неприятных ситуаций, на Mitsubishi Lancer 9 установлен предохранитель бензонасоса. Он является надежной защитой и предназначен для автоматического выключения бензонасоса при возникновении проблем с его работой или при снижении давления топлива в системе подачи.
Таким образом, предохранитель бензонасоса Mitsubishi Lancer 9 играет важную роль в сохранении работоспособности автомобиля и защите от повреждений. Рекомендуется регулярная проверка и замена предохранителя для обеспечения безопасности и экономии на ремонтных работах в будущем.
Подготовка к замене проводки бензонасоса
Замена проводки бензонасоса в автомобиле Mitsubishi Lancer 9 может потребоваться в случае неисправности или износа существующей проводки. Подготовка к замене проводки включает в себя несколько этапов, которые необходимо выполнить для безопасной и эффективной замены детали.
Этап 1: Подготовка необходимых инструментов
Для замены проводки бензонасоса потребуются следующие инструменты:
- Набор отверток
- Пассатижи
- Нож или стриппер для обрезки проводки
- Изолента
- Набор ключей
Этап 2: Подготовка автомобиля
Прежде чем начать замену проводки бензонасоса, необходимо подготовить автомобиль. Для этого выполните следующие шаги:
- Отключите питание бензонасоса, отсоединив соответствующий предохранитель или дисковый выключатель.
- Отключите аккумулятор автомобиля для предотвращения возможных коротких замыканий и несчастных случаев.
- Изолируйте провода и контакты перед началом работы, чтобы избежать случайного замыкания.
Этап 3: Демонтаж проводки бензонасоса
После подготовки автомобиля можно приступить к демонтажу проводки бензонасоса. Для этого выполните следующие шаги:
- Снимите защитную крышку или панель, закрывающую доступ к бензонасосу.
- Отсоедините провода от бензонасоса, заметив их расположение или сделав фотографию для последующей установки новой проводки.
- С помощью пассатижей или ножа аккуратно обрежьте проводку, отсоединив ее от соединителей или клемм.
Этап 4: Установка новой проводки бензонасоса
После демонтажа проводки можно приступить к установке новой проводки бензонасоса. Для этого выполните следующие шаги:
- Подготовьте новую проводку бензонасоса, соблюдая прежнюю длину и расположение контактов.
- Подключите провода к бензонасосу, обеспечив правильное соединение цветов проводов и контактов.
- Используйте изоленту или другие подходящие материалы для хорошей изоляции соединений.
Этап 5: Проверка и испытание
После установки новой проводки бензонасоса необходимо проверить ее работоспособность и проверить автомобиль на наличие других неисправностей. Для этого выполните следующие шаги:
Замена или ремонт бензонасоса
Если вы обнаружили, что бензонасос на Лансер 9 не работает, то вам может понадобиться заменить или отремонтировать этот компонент. Ниже приведены основные способы решения проблемы.
1. Проверьте питание. Убедитесь, что бензонасос получает достаточное напряжение и правильную полярность. Если нет, то проверьте предохранители и соединения проводов, возможно, они повреждены или окислены.
2. Проверьте реле бензонасоса. Реле может быть повреждено или обесточено. Проверьте его работоспособность и замените, если необходимо.
3. Очистите или замените сетчатый фильтр бензонасоса. Если фильтр забился грязью или другими загрязнениями, он может препятствовать нормальной работе бензонасоса. Почистите или замените фильтр.
4. Проверьте аккумулятор. Плохо заряженный или слабый аккумулятор может не обеспечивать достаточного напряжения для работы бензонасоса. Убедитесь, что аккумулятор заряжен и исправен.
5. Проверьте сам бензонасос. Если все предыдущие шаги не решили проблему, возможно, сам бензонасос вышел из строя. Проверьте его работоспособность и замените, если необходимо.
6. Обратитесь к специалистам. Если вы не уверены в своих навыках или не можете самостоятельно решить проблему, лучше обратиться к сертифицированным специалистам. Они смогут быстро и качественно заменить или отремонтировать бензонасос на вашем Лансере 9.
Как своими руками поменять топливный фильтр и топливный насос на Mitsubishi Lancer 9
Первое: Перед работой по системе питания нужно предварительно снизить давление в системе. Ничего делать не нужно просто через 2-3 часа после остановки работы двигателя давление само падает практически до нуля. Подождите это время, а потом начинайте выполнять какие-либо работы
Это конечно необязательно, но желательно! Еще важно, чтобы в бензобаке было мало бензина, не более 25%. Ставим машину на ручник, включаем нейтралку
Фильтр находится под задним сидением, снимайте его! Слева за сидением водителя находится люк бензобака, который закручен четырьмя саморезами. Перед началом работы обязательно протрите поверхность, зачастую там бывает много грязи, и наконец откручиваем! Вот он!
Отключить разъём питания, на нем есть защёлочка, она хрупкая!
Отсоедините сливную и подающую топливо шланги. Подающая имеет защелку, ее нужно сжать пальцами и потянуть шланг. На сливной магистрали нужно сжать усики хомута и сдвинуть его назад по шлангу. Шланг стянуть со штуцера. В шлангах может оставаться топливо, это нормально. Их лучше чем-то заткнуть, чтобы во внутрь шлангов ничего не попало!
Откручиваем 6 гаек, которые крепят весь топливный модуль в сборе, снимем прижимное кольцо, вытаскиваем топливный модуль, слейте бензин из него куда нибудь, или оставьте его для других целей, в бак его по понятным причинам сливать не желательно.
Добравшись до бензонасоса, видим: DENZO MR 497413 .
Итак, аналог нашел следующий (кстати на картинке еще и ключик, который помог мне извлечь сие чудо из бака)
700 руб., куплен в магазине для Тазов):
голоса
Рейтинг статьи
Как предотвратить неисправность бензонасоса Митсубиси Лансер 9
Бензонасос является важной частью топливной системы автомобиля Митсубиси Лансер 9. Он отвечает за подачу топлива из бака к двигателю
Если бензонасос перестает работать, это может привести к остановке двигателя и поломке автомобиля. Чтобы предотвратить неисправность бензонасоса, необходимо соблюдать следующие рекомендации:
- Очищайте топливную систему регулярно: В процессе эксплуатации автомобиля в топливной системе могут накопиться грязь, нерастворимые частицы и другие загрязнения. Они могут засорять бензонасос и вызывать его неисправность. Регулярное проведение профилактической очистки системы может помочь предотвратить эту проблему.
- Не допускайте полного осушения бака: Бензонасос Митсубиси Лансер 9 работает на охлаждение, и его работоспособность может зависеть от наличия охлаждения топливом. Если бак полностью опустошен, бензонасос может перегреться и выйти из строя. Поэтому рекомендуется не допускать полного опустошения бака и следить за уровнем топлива.
- Не используйте некачественное топливо: Использование некачественного топлива может привести к образованию отложений и загрязнений в системе подачи топлива. Эти отложения могут засорять бензонасос и вызывать его неисправность. Рекомендуется использовать только качественное топливо, которое отвечает требованиям автопроизводителя.
- Следите за состоянием фильтров: Фильтры топливной системы играют важную роль в предотвращении попадания загрязнений в бензонасос и другие элементы системы. Регулярная замена фильтров может помочь предотвратить проблемы с бензонасосом. Рекомендуется следить за состоянием и регулярно менять фильтры согласно рекомендациям производителя автомобиля.
- Обращайтесь к специалистам: Если у вас возникли подозрения на неисправность бензонасоса или других элементов топливной системы, рекомендуется обратиться к квалифицированным специалистам. Они проведут диагностику и ремонт, если это необходимо, чтобы предотвратить серьезные поломки и убедиться в надежной работе системы.
Соблюдение этих рекомендаций поможет предотвратить неисправность бензонасоса Митсубиси Лансер 9 и обеспечить нормальную работу топливной системы автомобиля. Это позволит избежать проблем на дороге и продлить срок службы вашего автомобиля.
Где искать Электрика или Топливный насос
Масса может быть плохо закреплена, бензонасос в этом случае не качает топливо. Провод массы обычно находится под приборной панелью и идет по салону. Необходимо найти указанный провод, проверить лансер 9 бензонасос не качает зачистить все контакты, затем надежно закрепить массу на бензонасосе.
Реле бензонасоса зачастую крепится рядом с массой бензонасоса, то есть под приборной панелью. Нормально работающее реле после включения зажигания за пару секунд позволяет насосу создать давление в системе и сразу же отключается.
В момент поворота ключа зажигания водитель слышит характерный лансер 9 бензонасос не качает реле включилосьзатем аналогичный щелчок укажет на отключение реле бензонасоса. Если таких щелчков не слышно, это указывает на неисправность реле или его контактов.
Оптимальным решением будет заменить реле бензонасоса на новое или заведомо исправное устройство. Добавим, что стоимость запчасти вполне доступная. Во время диагностики обязательно следует проверить предохранитель бензонасоса. Указанный предохранитель на 15 А обычно располагается в блоке предохранителей в подкапотном пространстве и имеет маркировку FUEL PUMP, что в переводе и означает топливный насос.
Предохранитель бензонасоса нужно вытащить и осмотреть его контакт.

Целостность контакта будет говорить о том, что устройство в норме. Поврежденный контакт укажет на то, что предохранитель бензонасоса лансер 9 бензонасос не качает. В этом случае нужно поставить новый предохранитель, который имеет очень невысокую стоимость как и в ситуации с реле бензонасоса.
Достаточно часто непрофессиональная установка дополнительного электрооборудования или охранных противоугонных систем приводит к тому, что питание на бензонасос пропадает по причине перепутанных контактов или других ошибок подключения.
Также не следует исключать и возможность того, лансер 9 бензонасос не качает в автосигнализации или охранном комплексе произошел сбой, после чего происходит блокировка питания бензонасоса. Другими словами, сигнализация блокирует запуск двигателя.
Напоследок добавим, что бензонасос в бензобаке погружается в бензин, в котором активно охлаждается. Привычка ездить с пустым баком может быстро вывести электромотор бензонасоса из строя, так как лансер 9 бензонасос не качает его подгорание.

Реле бензонасоса представляет собой устройство, которое обеспечивает подачу и прекращение электропитания на бензонасос по команде ЭБУ. Устройство полностью отвечает за управление топливным насосом, а также выполняет отдельные дополнительные функции, что зависит от конкретной марки и оснащения автомобиля. Например, на машинах с автоматической трансмиссией при необходимости активировать режим кик-даун интенсивное ускорение задействуется указанное реле. Чтобы ответить на вопрос, где находится реле бензонасоса, нужно точно знать марку и модель автомобиля.

Местом установки на разных авто является область возле лансер 9 бензонасос не качает управления впрыском, решение может устанавливаться под приборной панелью возле блока предохранителей и.
Часто при необходимости самостоятельного ремонта автолюбители интересуются, где находится реле бензонасоса ваз инжектор. На указанной модели расположение реле бензонасоса выполнено возле левой ноги пассажира под торпедо.
Не работает топливный насос Mitsubishi Lancer X
Следует добавить, что рядом также установлен предохранитель топливного насоса. Также на некоторых машинах устройство служит своеобразным ограничителем оборотов двигателя.


Если обороты ДВС приблизились к максимальным и начинают превышать допустимый порог, происходит отключение бензонасоса через реле. Подача бензина прекращается, обороты снижаются, после чего элемент снова подает питание на насос. Необходимо дополнительно отметить, что на некоторых моделях ТС бензонасос включается не после поворота ключа в замке зажигания, а в момент открытия водительской двери. Такое решение позволяет быстро запустить мотор, так как обеспечивает создание необходимого рабочего давления в топливной системе заранее.
Другими словами, насос нагнетает бензин до того момента, как водитель решит вставить лансер 9 бензонасос не качает и завести двигатель.
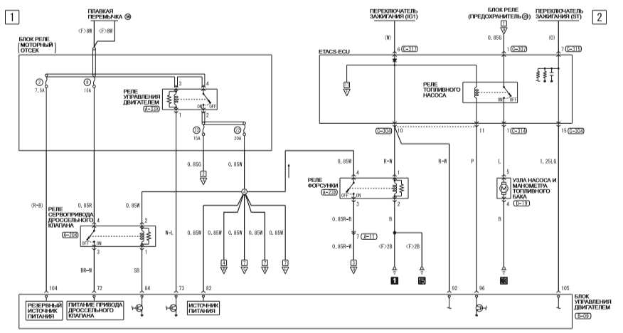
Предохранители и реле Митсубиси Лансер 9, 2001 — 2007

Большая часть электроцепей защищена предохранителями. Мощные потребители (система освещения, двигатель вентилятора системы охлаждения, бензонасос и т.п.) подключаются через реле. Информация актуальна для моделей Мицубиси Лансер 9 (CS) 2001, 2002, 2003, 2004, 2005, 2006, 2007 года выпуска.
В моторном отсеке
Монтажный блок предохранителей в моторном отсеке на картинке выше №7.
| № | Защищаемая цепь | Ток, А |
| 1 | цепи передних противотуманных фар, индикатора их включения и реле включения противотуманных фар | 15 |
| 2 | цепь звукового сигнала и реле его включения | 10 |
| 3 | место под реле передних противотуманных фар | |
| 4 | цепи датчика массового расхода воздуха, датчика положения коленчатого вала, клапана рециркуляции, электронного блока управления двигателем, реле системы управления двигателем, реле электровентилятора, регулятора холостого хода, реле катушек зажигания, электронного блока управления иммобилизатором, форсунок, датчика концентрации кислорода и клапана продувки адсорбера | 20 |
| 5 | цепь компрессора кондиционера | 10 |
| 6 | реле включения звуковых сигналов | |
| 7 | цепи электронного блока управления АБС, электронного блока управления двигателем, дополнительного стоп-сигнала и задних фонарей | 15 |
| 8 | резервное место | |
| 9 | разъем для дополнительных электроприборов | 15 |
| 10 | резервное место | |
| 11 | цепь обмотки возбуждения генератора | 7,5 |
| 12 | резервное место | |
| 13 | цепи электронного блока управления системы ЕТАСS и указателей поворота | 10 |
| 14 | цепь блока управления соленоидами автоматической коробки передач | 20 |
| 15 | цепь бензонасоса | 15 |
| 16 | не используется | |
| 17 | цепь замка зажигания (плавкая вставка) | 40 |
| 18 | цепь электростеклоподъемников (плавкая вставка) | 30 |
| 19 | цепи комбинации приборов, подрулевого переключателя, электронного блока управления системы ETACS, переднего электронного блока управления | 10 |
| 20 | цепи часов, электронного блока управления ЕТАС5, магнитолы | 10 |
| 21 | цепи электронного блока управления кондиционером, подсветки пепельницы, подсветки прикуривателя, комбинации приборов, выключатель про-тивотуманных фар, указателей поворота, блок управления рециркуляцией воздуха, задние фонари, разъем для магнитолы | 7.5 |
| 22 | цепи комбинации приборов, фонари габаритного света и фонари подсветки номерного знака | 7.5 |
| 23 | цепь правой фары | 10 |
| 24 | цепь левой фары и электрокорректора света фар | 10 |
| 25 | электронный блок управления освещением | |
| 26 | реле включения электродвигателя вентилятора; | |
| 27 | плавкая вставка (электронный блок управления АБС) | 60 |
| 28 | контроллер вентилятора — плавкая вставка | 50 |
| 29 | цепь левой фары и сигнальной лампы дальнего света фар | 10 |
| 30 | цепь правой фары | 10 |
| 31 | цепь зарядки АКБ | 60 |
| 32 | цепи передних противотуманных фар, сигнальной лампы и реле их включения | 15 |
| № | Наименование |
| 1 | разъем для подключения индикатора частоты вращения коленчатого вала двигателя |
| 2 | резервное место |
| 3 | |
| 4 | |
| 5 | реле зажигания |
| 6 | реле управления АКПП |
| 7 | главное реле системы управления двигателем |
| 8 | реле компрессора кондиционера |
Материалы по теме
Бензонасос Mitsubishi Lancer 9

Неисправность топливного насоса автомобилей Митсубиси Лансер 9 может проявиться через 5-7 лет эксплуатации автомобиля. Как правило, полному выходу из строя топливного насоса предшествует момент, когда, если двигатель не запускается, достаточно постучать по бензобаку, чтобы перезапустить насос и двигатель запустится.
В двигателях 4G13, устанавливаемых на Mitsubishi Lancer, топливный насос должен обеспечивать давление в рампе выше 3 бар. При потере работоспособности топливного насоса форсунки не обеспечивают нормального распыления топлива, резко падает мощность двигателя. Компьютерная диагностика может не диагностировать такую неисправность, поскольку электрические параметры помпы не меняются.
Основные причины неисправностей бензонасоса Митсубиси Лансер
Основными причинами неисправности бензонасоса являются:
- потеря производительности насоса из-за естественного износа;
- выход из строя при засорении и повреждении фильтра топливного насоса;
- перегрев помпы при длительной эксплуатации с низким уровнем бензина;
- контактное горение;
- обрыв обмотки электропередачи.
Причина выхода из строя топливного насоса может быть связана с неисправностью электрооборудования: перегоревший предохранитель в цепи насоса, неисправность реле топливного насоса, электропроводки и разъема блока топливного насоса. В этом случае ремонт топливного насоса не требуется. Необходимо устранить неисправность электрооборудования автомобиля.
Признаки неисправности бензонасоса Митсубиси Лансер
Основные симптомы неисправности бензонасоса:
- машина остановилась во время движения;
- двигатель не запускается после непродолжительной остановки;
- двигатель при движении начинает прерывисто работать, машина дергается.
При появлении первых признаков неисправности бензонасоса нужно запустить компьютерную диагностику, приступить к устранению неисправностей.
Последовательность работ по демонтажу, замене бензонасоса и топливного фильтра
Блок топливного насоса находится в топливном баке. Доступ к нему в Mitsubishi Lancer обеспечивается через люк, который находится под задним сиденьем.
Для доступа к нему необходимо поднять заднее сиденье.
Затем нужно аккуратно снять защитную пленку, после чего будет обеспечен доступ к вкладышу вала.
Под крышкой находится топливный насос. Включает:
- бензонасос;
- фильтр;
- датчик уровня топлива;
- корпус с крепежом и коннектором.
После этого разбирается топливный штуцер и шланги.
Особое внимание нужно уделить откручиванию гаек крепления блока топливного насоса. Рекомендуется предварительно обработать их WD, после чего аккуратно открутить
После разборки насоса проверьте дно бака на предмет загрязнения. Оптимальный вариант при низком уровне топлива в баке. Так, с помощью натуральной ветоши можно удалить остатки бензина и скопившуюся грязь.
Снятый насос следует высушить тканью и дать ему высохнуть. Рекомендуется проводить эту операцию на открытом воздухе, чтобы избежать скопления паров бензина.
Еще одна операция — разборка фильтра. В любом случае его лучше поменять, даже если он относительно чистый.
Если фильтр явно загрязнен, как показано на рисунке, его необходимо заменить на 100.
Пытаться смыть бесполезно. Микрочастицы грязи проникают внутрь, как показано на рисунке срезанного фильтра.
Бензонасос в Lancer 9 ремонту не подлежит. Должен быть изменен агрегат. Есть полностью соответствующие аналоги по размерам и зонам посадки. Один из них показан на рисунке. Их стоимость 1100 руб. Артикулы — 42022-FE011, BP4W-13-35ZG.
вы можете купить оригинальный фильтр Mitsubishi. Его артикул MR552781, цена около 3500 руб. В продаже есть аналоги, которые стоят почти на порядок дешевле, например, Japan Parts FC-523S, Nipparts J1335052, Sakura FS-1037, Concord FL20016 и другие.
После замены топливного насоса и фильтра необходимо произвести монтаж конструкции в обратном порядке.
Меры предосторожности при проведении ремонтных работ
Поскольку бензин — горючее вещество, во время работы необходимо строго соблюдать меры безопасности:
- не пользоваться электрическими инструментами, открытым огнем, не курить;
- по возможности все работы проводить на открытом воздухе или в хорошо вентилируемом помещении;
- во время работы держите двери и стеклянные двери автомобиля открытыми;
- при замене насоса и фильтра вал топливного насоса должен быть накрыт полиэтиленовым пакетом, двери (или стекла) автомобиля не должны быть закрыты.
Признаки неисправности и замены
Неправильная работа реле бензонасоса может проявляться различными способами. Вот несколько признаков, которые могут указывать на неисправность реле и требовать его замены:
- Проблемы с запуском двигателя: если после поворота ключа зажигания двигатель не запускается или трудно заводится, это может быть признаком неисправности реле бензонасоса. В этом случае реле может не предоставить достаточного электрического тока насосу, что приводит к недостаточному давлению топлива.
- Остановка двигателя во время движения: если ваш автомобиль неожиданно останавливается во время движения и не может быть снова запущен, это может быть связано с неправильной работой реле бензонасоса. В этом случае реле может перегреваться и прекращать подачу электрического тока насосу.
- Неустойчивый холостой ход: если двигатель неустойчиво работает на холостом ходу или периодически глохнет, это также может быть вызвано неисправностью реле бензонасоса. Недостаточный или непостоянный поток топлива может привести к неправильной работе двигателя и его остановке.
Если вы заметили проблемы, описанные выше, то, вероятнее всего, вам потребуется заменить реле бензонасоса. Реле обычно находится в блоке предохранителей в моторном отсеке автомобиля. Для замены реле необходимо:
- Выключить двигатель и отсоединить провода от аккумулятора.
- Найти блок предохранителей и определить местоположение реле бензонасоса.
- Аккуратно вытащить старое реле из гнезда, избегая повреждения проводов.
- Установить новое реле в гнездо и убедиться, что оно надежно зафиксировано.
- Подключить провода к аккумулятору и закрыть капот.
- Запустить двигатель и проверить его работу.
Повышенный уровень шума бензонасоса
Если вы заметили, что бензонасос издает необычные звуки или его шум стал громче, рекомендуется проверить работу реле бензонасоса. Для этого можно воспользоваться специальным оборудованием или обратиться к автомобильному сервису.
При замене реле бензонасоса Лансер 9 важно установить новую деталь, соответствующую требованиям производителя. Для этого можно использовать оригинальную запчасть или качественный аналог
Замена реле должна выполняться профессионалами, поскольку неправильная установка может привести к неисправности всей системы питания автомобиля.
Повышенный уровень шума бензонасоса может быть признаком и других проблем в системе питания автомобиля. Например, засорение топливного фильтра или неисправность топливного насоса также может вызывать шум и неправильную работу бензонасоса. Поэтому рекомендуется провести диагностику всей системы питания для выявления и устранения возможных причин повышенного уровня шума.
| Причины повышенного уровня шума бензонасоса: | Возможные решения: |
|---|---|
| Износ или неисправность реле бензонасоса | Замена реле бензонасоса Лансер 9 |
| Засорение топливного фильтра | Очистка или замена топливного фильтра |
| Неисправность топливного насоса | Замена топливного насоса |
Если вы не имеете достаточных знаний и опыта в ремонте автомобилей, рекомендуется обратиться к специалистам для проведения диагностики и ремонта системы питания автомобиля. Они смогут точно определить причины повышенного уровня шума бензонасоса и произвести необходимые ремонтные работы.
Недостаточное давление топлива
- Неустойчивый холостой ход двигателя;
- Прерывистая работа двигателя;
- Затрудненный запуск двигателя;
- Потеря мощности во время движения.
Если вы столкнулись с указанными проблемами, вероятно, причина кроется в недостаточном давлении топлива. Для решения этой проблемы необходимо заменить реле бензонасоса Лансер 9.
Полезные советы по замене реле бензонасоса Митсубиси Лансер 9
Замена реле бензонасоса в автомобиле Митсубиси Лансер 9 может быть необходима, если возникли проблемы с его работой. В данной статье представлены полезные советы, которые помогут вам выполнить замену реле бензонасоса без особых проблем.
- Подготовьте инструменты: перед заменой реле бензонасоса Митсубиси Лансер 9 убедитесь, что у вас есть нужные инструменты. Обычно для данной процедуры потребуется отвертка, но могут понадобиться и другие инструменты в зависимости от особенностей конкретной модели автомобиля.
- Изолируйте аккумулятор: перед заменой реле бензонасоса Митсубиси Лансер 9 рекомендуется изолировать аккумулятор автомобиля. Это поможет избежать короткого замыкания или других непредвиденных ситуаций. Отсоедините отрицательный клеммный зажим аккумулятора и приподнимите его, чтобы он не касался кузова автомобиля.
- Найдите и расположите реле: реле бензонасоса обычно расположено в блоке предохранителей, который может находиться под капотом или в салоне автомобиля. Используйте руководство по эксплуатации вашего автомобиля или обратитесь к специалисту, чтобы точно определить местонахождение реле.
- Отключите старое реле: перед заменой реле бензонасоса Митсубиси Лансер 9 убедитесь, что контакты реле не подключены к электропитанию. Отсоедините соединительный разъем реле, ослабьте крепление и снимите старое реле с его места.
-
Установите новое реле: перед установкой нового реле бензонасоса Митсубиси Лансер 9 проверьте его соответствие модели автомобиля и оригинальному реле. Установите новое реле на место старого, затяните крепление и подсоедините соединительный разъем.
-
Проверьте работу: после установки нового реле бензонасоса Митсубиси Лансер 9 рекомендуется проверить его работоспособность. Подключите аккумулятор к автомобилю, затем заведите двигатель и проверьте работу бензонасоса. Убедитесь, что топливо подается без проблем и автомобиль запускается без затруднений.
Не забывайте, что если у вас возникли трудности или у вас нет уверенности в своих навыках, лучше обратиться к профессионалам для замены реле бензонасоса Митсубиси Лансер 9. Они будут иметь опыт и необходимые инструменты для выполнения данной работы правильно и безопасно.




























