Блок предохранителей Нексия

Как и во всех европейских автомобилях тех времен, в Нексии реализован блок предохранителей с предохранителями вилочного типа. Это гораздо удобнее, чем старые патронные элементы. Каждый предохранитель отвечает за определенный участок цепи. В случае перегрузки или короткого замыкания, предохранитель не позволяет причинить вред электрооборудованию, находящемуся в цепи после него. Основное правило, которым нельзя пренебрегать, заключается в том, любое использование перемычек, коротящих контакты наглухо, жучков, недопустимо. Как недопустимо и применение предохранителей, не соответствующих номиналу. Если предохранитель будет иметь сопротивление ниже номинального, он перегорит, а если значительно выше, то перегорит оборудование, которое он должен был защищать.

Для удобства использования предохранители имеют корпуса разного цвета. 10-амперные предохранители с красным корпусом, 20-амперные желтые, 30-амперные предохранители имеют зеленый цвет корпуса. Плата предохранителей расположена в одном корпусе с блоком реле, а весь монтажный блок находится с водительской стороны под панелью приборов.
Помогите найти распиновку разьемов панели приборов на GLE
Там по схеме какое-то сопротивление, но что это- не знаю. И откуда идёт этот провод, на схеме не обозначено. К сожалению, по памяти не помню,но не удивлюсь, если этот контакт будет свободен. В этих разъёмах вообще то много свободных контактов. В принципе, всё,что задействовано в узбекских машинах,перечислено.
Приборная панель автомобиля – это наглядная информация о важнейших параметрах и характеристиках, состоянии систем и узлов авто. Предлагаем подробное описание датчиков панели приборов на Дэу Нексия, которое поможет владельцу вовремя заметить неисправность и оперативно устранить её.
Процесс снятия и замены блоков предохранителей
Демонтировать и заменить монтажный бокс с плавкими вставками в салоне Дэу Нексия можно так:
- Остановить машину на ровном участке дороги или в гараже.
- Поставить ее на ручник.
- Отключить электроприборы.
- Повернуть ключ в замке зажигания в нерабочее положение.
- Открыть и закрепить крышку моторного отсека.
- Отсоединить клеммы от аккумуляторной батареи.
- Извлечь пластиковую накладку модуля с плавкими вставками.
- Поочередно вытащить из гнезд все перемычки и реле с обеих сторон.
- Поддеть отверткой боковые замки.
- Выдвинуть плату вперед.
- Отсоединить разъем с проводами.
- Вытащить плату.
Сборка производится в обратном порядке.
Перед заменой предохранителя нужно выяснить, что привело к перегоранию.
Наиболее вероятными причинами являются:
- повышение напряжения в сети +12 В;
- рост тока из-за укорачивания цепи;
- увеличение нагрузки из-за подключения дополнительного оборудования;
- попадание влаги или нарушение изоляции проводов, что приводит к короткому замыканию;
- использование восстановленной вставки;
- применение предохранителя другого номинала;
- несвоевременный и некачественный ремонт электрооборудования.
Расположение блока предохранителей в Дэу Нексия.
После устранения причины перегорания перемычки нужно приступить к ее замене:
- Вскрыть монтажный бокс.
- Найти по схеме неисправную плавкую вставку.
- Проверить ее целостность визуально или прозвонить мультиметром.
- Диэлектрическими клещами или сухими руками вытащить дефектную деталь.
- Поставить на ее место новую соответствующего номинала.
- Завести двигатель.
- Включить отказавшее оборудование.
- Закрыть крышку в случае устранения неисправности.
Запрещено использовать в качестве замены плавких перемычек:
- провода;
- проволоку;
- монеты;
- фольгу;
- жало отвертки;
- гвозди;
- прочие металлические стержни.
Чтобы в дороге исключить аварийную ситуацию, нужно регулярно осматривать запас предохранителей и своевременно пополнять его.
Описание и расположение индикаторов и приборов на панели
Контрольный щиток с обозначением всех индикаторов
Щиток приборов на Нексии N150 или Дэу Матиз имеет следующие обозначения:
- Тахометр, необходимый для демонстрации количества оборотов двигателя во время езды.
- Поворотники, включающиеся также при активации световой сигнализации.
- Контроллер температуры антифриза в системе.
- Датчик уровня горючего в бензобаке.
- Индикатор, появляющийся в случае езды с не пристегнутым ремешком безопасности.
- Световой индикатор дальнего освещения.
- Лампочка резерва бензина в баке.
- Этот символ появляется на приборке, если одна из дверей транспорта не закрыта.
- Кнопка, предназначенная для сброса суточного пробега.
- Общий одометр, позволяющий зафиксировать полный пробег транспорта.
- Спидометр, на котором показывается скорость езды машины.
- Индикатор выхода из строя генераторного узла, также может появляться при разряженном аккумуляторе.
- Этот символ загорается на щитке в том случае, если давление моторной жидкости будет слишком низким.
- Индикатор активации ручного тормоза, а также уровня тормозной жидкости.
- Приборка Ланос, Матиз, Нексия или любой другой Дэу дополнена этим значком — он сообщает о любых неисправностях в работе силового агрегата.
- Символ уровня расходного материала в расширительном бачке стеклоомывателя (автор видео — Анатолий Гриценко).
Расположение предохранителей
Для тех кому срочно нужно увидеть расположение предохранителей – таблица.
| № и цвет предохранителя (сила тока, а) |
защищаемая цепь |
| f1 (10) красный | электронный блок управления двигателем (цепь от аккумуляторной батареи) |
| f2 (10) красный | габаритные фонари, фонари освещения номерного знака |
| f3 (10) красный | надувная подушка безопасности (если установлена) |
| f4 (20) желтый | лампы дальнего света в фарах |
| f5 (10) красный | лампа ближнего света и электрокорректор (если установлен) левой фары |
| f6 (10) красный | лампа ближнего света и электрокорректор (если установлен) правой фары |
| f7 (30) зеленый | топливный насос, форсунки |
| f8 (20) желтый | фонари указателей поворота, аварийная сигнализация, лампы стоп-сигналов, антиблокировочная система тормозов (abs) (если установлена) |
| f9 (30) зеленый | стеклоочиститель и стеклоомыватель ветрового окна |
| f10 (10) красный | электропривод крышки люка наливной трубы топливного бака, abs (если система установлена) |
| f11 (10) красный | реле включения компрессора кондиционера (если установлен кондиционер) |
| f12 (30) зеленый | электродвигатель вентилятора системы охлаждения (малая скорость) |
| f13 (20) желтый | комбинация приборов, часы, прикуриватель, предупреждающий зуммер, генератор, лампы света заднего хода, выключатель и реле электрообогрева заднего стекла |
| f14 (30) зеленый | электродвигатель вентилятора системы охлаждения (высокая скорость), звуковой сигнал |
| f15 (30) зеленый | плафон освещения салона, часы, плафон освещения багажника, электропривод антенны (если установлен) |
| f16 (10) красный | электростеклоподъемники (если установлены) |
| f17 (10) красный | автомагнитола (цепь от замка зажигания) |
| f18 (30) зеленый | автомагнитола (цепь от аккумуляторной батареи), электропривод замка багажника, электрообогрев заднего стекла, система блокировки замков дверей (если установлена) |
| f19 (30) зеленый | электродвигатель вентилятора отопителя |
| f20 (30) зеленый | противотуманные фары |
Нексия: панель приборов не работает — причины
Существует ряд оснований, способных повлиять на работоспособность щитка. Сюда относятся проблемы.
- Перегорел соответствующий предохранитель. Плавкую вставку следует искать в заводской схеме. Если элемент целый, проверяется подвод тока на клеммы.
- Далее следует изучить проводку на предмет повреждений. Нередко перетертые провода являются причиной того, что не загорается одна или несколько лампочек. Далее нужно проверить плотность прилегания контактов в клеммах. Для уверенности, что здесь все нормально, рекомендуется зачистить контакты и обработать их специальным составом.
- Следующий момент – проверяется непосредственно плата. Электронная часть может выгореть ввиду скачков напряжения или короткого замыкания.
Не горит щиток Нексии и не заводится
Если во время движения потухла приборка и машина не заводится, следует проверить следующие участки.
Личинка и контактная группа замка зажигания
Сюда должно быть уделено основное внимание. Если выгорают контакты, машина может быть практически полностью обесточена.
Предохранители и их контактные группы
От перепада напряжения, плавкие вставки нередко отказывают.
Нарушение целостности проводки. Подобные проблемы также не исключены. Поврежденные провода, также могут быть причиной подобному.
Не работает датчик температуры на щитке Нексии
Подключен к стрелке через электронный модуль, расположенный под капотом машины. Если стрелка упала и не двигается, следует проверить полностью магистраль от сенсора на радиаторе до приборной доски.
Не работает датчик топлива на приборке Nexia
Рекомендуется проверить поплавок, расположенный внутри бензобака. От сильной тряски или ударов деталь может соскочить с направляющих, что приведет к ее заклиниванию.
Если здесь все в порядке, далее проверяется электрическая магистраль на предмет повреждений и механического воздействия.
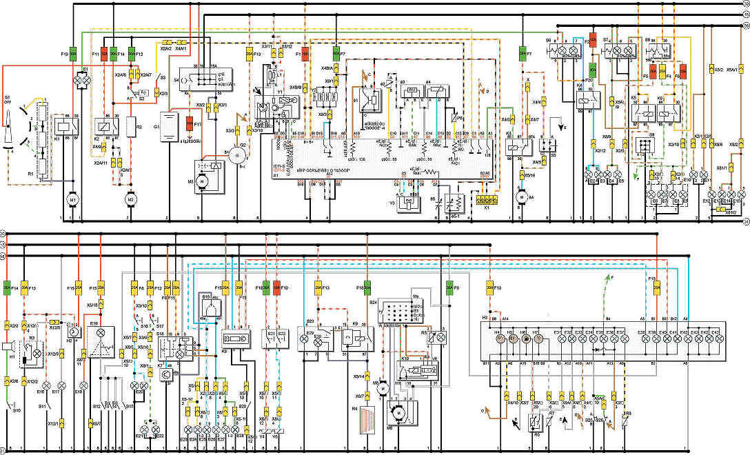
Автомобиль DAEWOO NEXIA
-
На NEXIA DAEWOO NEXIA применено электрооборудование тока постоянного номинальным напряжением 12 В. Электрооборудование автомобиля однопроводной по выполнено схеме:отрицательные выводы источников и электроэнергии потребителей соединены с «массой», которая выполняет второго функцию провода. В свою очередь, роль «выполняет» массы кузов автомобиля. Питание потребителей аккумуляторной от осуществляется батареи (при неработающем двигателе) и при (генератора работающем двигателе).
-
Рис. Расположение разъемов электрических проводки и контактов с «массой» на автомобиле NEXIA DAEWOO.
Перечень и назначение электрических разъемов:
Х2 — панели проводки приборов и переднего жгута проводов; проводки — Х2А панели приборов и переднего жгута проводки; Х3 — проводов панели приборов и электропроводки систем Х3А; двигателя — проводки панели приборов и электропроводки двигателя систем; Х4 — проводки панели приборов и электропроводки впрыска системы топлива; Х4А — проводки панели электропроводки и приборов системы впрыска топлива; Х4В — панели проводки приборов и электропроводки системы впрыска Х41; топлива — проводки системы впрыска топлива и проводки удлинительной электронного блока управления двигателем (Х42); ЭБУ — проводки системы впрыска топлива и проводки удлинительной ЭБУ; Х43 — проводки системы топлива впрыска и проводки ЭБУ; Х5 — проводки панели напольного и приборов жгута проводов; Х5А — проводки приборов панели и напольного жгута проводов; Х61 — жгута напольного проводов и электропроводки левой передней Х62; двери — напольного жгута проводов и электропроводки передней правой двери; Х63 — напольного жгута электропроводки и проводов левой задней двери; Х64 — жгута напольного проводов и электропроводки правой задней проводки; Х7 — двери панели приборов и электропроводки антиблокировочной тормозов системы (ABS), если система установлена;
Х8 — заднего и напольного жгутов проводов; Х81 — заднего проводов жгута, электропроводки задних приборов освещения и Х82; сигнализации — заднего жгута проводов и электропроводки роводки; Х9 — багажника системы впрыска топлива и моторного проводов жгута (для автомобилей с двигателями A15SMS, F16MF и A15MF); Х11А — проводки панели приборов и комбинации электропроводки приборов; Х11В — проводки панели электропроводки и приборов комбинации приборов; Х11С — проводки приборов панели и электропроводки комбинации приборов (для автоматической с автомобилей КП); Х12 — проводки панели приборов и центральной электропроводки консоли; Х13 — проводки панели электропроводки и приборов подушки безопасности (если подушка Х14); установлена — проводки панели приборов и электропроводки Цепью;
аудиосистемы массы на электрических схемах является Места «31». цепь расположения контактов с «массой»: 1 — в центре колонки рулевой; 2 — рядом с аккумуляторной батареей; Цифра 3 контакта обозначения с «массой» не используется. 4 — в верхней части цилиндров блока двигателя; 5 — в багажнике; 6 — под сиденьем непосредственный; В — водителя контакт корпуса узла электрооборудования с автомобиля кузовом.
Монтажный блок автомобиля DAEWOO Большинство NEXIA цепей питания электрооборудования автомобиля плавкими защищено предохранителями. Фары, электродвигатели вентиляторов, насос топливный и другие мощные потребители подключены реле через.
Предохранители и реле установлены в монтажном который, блоке находится в салоне автомобиля в нижней панели части приборов с левой стороны. ПРИМЕЧАНИЕ: блоки Монтажные автомобилей DAEWOO NEXIA выпуска до года 2008 (модель N100) и после 2008 модель (года N150) одинаковы по конструкции и коммутации цепей электрических. Различие только в способе доступа к различий: из-за ним в конструкции панелей приборов крышки блоков монтажных в них открываются по-разному.
-
Рис. предохранителей Расположение и реле на лицевой стороне монтажного автомобиля блока DAEWOO NEXIA.
-
Рис. Расположение предохранителей и реле на нижней части монтажного блока DAEWOO автомобиля NEXIA.
Цепи, защищаемые плавкими Источник
Электросхемы Daewoo Nexia — DRIVE2
НЕКСИЯ ПРЕДОХРАНИТЕЛИ
A15SMS — см3 80 л. F16D3 — см3 л. Плата предохранителей расположена в одном корпусе с блоком реле, а весь монтажный блок находится с водительской стороны под панелью приборов.
Электросхемы Daewoo Nexia N Рассмотрены следующие электросхемы: Система управления. Приборы освещения. Электрическая схема звукового сигнала…
Дело в том, что дверь постоянно подвержена вибрации, поэтому вследствие некачественной сборки контакты могут просто отойти. Схема электрических соединений замка зажигания, стартера и генератора, а также схема Daewoo Nexia соединений приборов системы зажигания:
При довольно надежной конструкции самого кондиционера, встречались досадные ошибки при сборке комплектующих, что приводило иногда к преждевременному износу компрессора испарителя. Технические характеристики Дэу Нексия 1 и 2:
Авто делали в кузове как седан, так и хэтчбек 3-х-дверный и 5-ти-дверный.
Двигатели предлагались только бензиновые на выбор: G15MF — см3 75 л. A15MF — см3 85 л.
F16D3 — см3 л. A15SMS — см3 80 л.
Видео — краш-тест Daewoo Nexia: Технические характеристики Дэу Нексия 1 и 2: Электрические схемы Дэу Нексия N и N 1. Конфигурация электрических разъёмов и нумерация гнезд соединителей проводов к приборам электрооборудования Daewoo Nexia: Схема электрических соединений замка зажигания, стартера и генератора, а также схема Daewoo Nexia соединений приборов системы зажигания: Схема электрических соединений сигнальной лампы неисправности двигателя автомобиля Daewoo Nexia, системы блокировки гидротрансформатора, топливного насоса и бортовой системы диагностики с ЭБУ типа IEFI Схема датчиков системы впрыска топлива: Электросхема соединений сигнальной лампы неисправности двигателя Daewoo Nexia, системы блокировки гидротрансформатора, топливного насоса и бортовой системы диагностики с ЭБУ типа IEFI-S: Схема электрических соединений приборов освещения автомобиля: Электросхема Дэу Нексия — соединения противотуманных фар и задних противотуманных фонарей: Приборы дневного света, габаритные фонари и лампа для освещения номерного знака и электрические соединения звукового сигнала: Если с механикой все в порядке, тогда стоит проверить предохранитель в монтажном блоке.
Daewoo Nexia — Выбивает предохранитель F13
Если с ним все в порядке, тогда, скорее всего, в блоке управления подъемником. Основной блок находится в подлокотнике водительской двери. Наиболее вероятная поломка — выход из строя клавиш управления или отсутствие контакта в блоке управления.
Дело в том, что дверь постоянно подвержена вибрации, поэтому вследствие некачественной сборки контакты могут просто отойти. Кондиционер Дэу Нексия Часть автомобилей Нексия оборудовалась кондиционером.
Он входил в самые дорогие комплектации и работал довольно уверенно при правильном обслуживании и эксплуатации. Основными причинами выхода кондиционера из строя, которые касаются электрооборудования, ставали отказы электромеханической муфты привода компрессора и поломки системы управления климатом.
При довольно надежной конструкции самого кондиционера, встречались досадные ошибки при сборке комплектующих, что приводило иногда к преждевременному износу компрессора и испарителя.
Поскольку работа кондиционера связана с системой отопления и обдува , то она не могла не реагировать на частые выходы из строя мотора привода циркуляции воздуха.
Сам двигатель ремонту не подлежит, но перед тем, как с ним попрощаться, стоит проверить цепь вплоть до предохранителей. Если напряжение на контуре после предохранителя есть, вполне возможно, что виноваты контакты в колодке питания двигателя.
Система зажигания Бесконтактная система зажигания Дэу Нексия работает стабильно и никаких откровенных претензий к ней нет. В том случае, если вовремя проводить обслуживание и проверку всех элементов на механическую целостность.
В первую очередь, это касается высоконагруженных устройств: С года на автомобиль устанавливался ЭБУ без обратной связи, поэтому его работа стала стабильнее. Кроме всех остальных корректирующих функций, ЭБУ также управляет работой системы зажигания.
Блок управления корректирует работу системы на основании таких данных: Система зажигания должна оперативно отреагировать на сигналы ЭБУ и внести коррективы в угол опережения.
Система зажигания
Бесконтактная система зажигания Дэу Нексия работает стабильно и никаких откровенных претензий к ней нет. В том случае, если вовремя проводить обслуживание и проверку всех элементов на механическую целостность. В первую очередь, это касается высоконагруженных устройств:
С 2008 года на автомобиль устанавливался ЭБУ без обратной связи, поэтому его работа стала стабильнее. Кроме всех остальных корректирующих функций, ЭБУ также управляет работой системы зажигания. Блок управления корректирует работу системы на основании таких данных:
- частоты вращения коленчатого вала;
- угла открытия дроссельной заслонки;
- данных с датчика кислорода каталитического нейтрализатора;
- температуры и давления поступаемого воздуха.
Система зажигания должна оперативно отреагировать на сигналы ЭБУ и внести коррективы в угол опережения. При любых нештатных показаниях система информирует водителя о необходимости обслуживания или ремонта.
Таким образом, любые неисправности электрооборудования Дэу Нексия могут быть локализованы, и в этом поможет схема, размещенная на страничке. Контролируйте бортовой вольтаж, и удачных вам дорог!
Авто: Opel Kadett D Light Gray 1985 5 hatchback c16nz вал 13s Пол:мужской
Достала глючить моя панель GTE, и на просторах драйва удалось урвать панель от рестайлинговой ксюши Далее берем распиновку для кадет еЗначит имеем наш родной разъем 12 pinРазъем 12 pin.1. датчик уровня топлива в баке (черно/синий)2. тахометр (чаще всего отсутствует) (зелёный)3. масса (коричневый)4. дальний свет (белый)5. температура двигателя (голубой)6. 12в + (черный)7. датчик давления масла (сине/зелёный)8. 12+ (черный)9. указатели поворотов (черно/бело/зелёный)10. вольтметр (бело/синий)11. информация (красно/коричневый)12. Парковка или ручник (бело/коричневый)и два нексиевских один тоже x12 (обознаения с буквой В), а второй x16 (обозначения с буквой А)Поехали? буду в скобках писать какой провод из родной колодки куда подключаем:А:01 — не используется02 — Масса (Pin 3)03 — Поворотник (черно-белый провод из колодки аварийки)04 — +12 (Pin 8)05 — не используется06 — Масса (Pin 3)07 — не используется08 — не используется09 — Датчик уровня жидкости стеклоочистителя (у нас его нету)10 — Чек Енжин11 — Ручник и уровень тормозухи (Pin 11 и Pin 12)12 — Давление масла (Pin 7)13 — Вольтметр (Pin 10)14 — Провод питания системы управления (Pin 6)15 — Тахометр (Pin 2, если есть, или тянуть от катушки)16 — Если ставите от новой нексии то тут вывод датчика скорости, если от старой то он вам не нуженВ:01 — +12 (Pin6)02 — Лампа открытых дверей (Если надо, то возьмите с плафона)03 — лампа бензина04 — Дальний свет (Pin 4)05 — Мелодический сигнал не пристегнутых ремней (у нас нету)06 — не используется07 — Датчик подушек безопасности (не используется)08 — Провод питания системы управления (Pin 6)09 — Температура охлаждайки (Pin 5)10 — Датчик уровня топлива (Pin 1)11 — Масса (Pin 3)12 — Поворотник (черно-зеленый провод из колодки аварийки)»
на кадете д распиновка схожа, но срисовывать уже неоткуда, в принципи, все вполне интуитивно можно проследить и понятьЕще нам понадобится 6 импульсный датчик скорости, вполне подходит от таза схемаВывод № 1 — (+12В)Вывод № 2 — (сигнал, уходи на приборку)Вывод № 3 — (масса)
собираем все по распиновкам, Вставляем в панель. Мне пришлось пильнуть панель gte, снять с нее козырек, и потом уже одеть облицовочный пластик
Never drive faster than your Angel can fly
Авто: Opel Kadett D — turbo Пол:мужской
. I live my life for quarter mile a time, nothing else matters. For theese twelve seconds or less, i’m free. Моторы как женщины, нужно знать, где потрогать! Enzo Ferrari
Авто: Opel Kadett D Light Gray 1985 5 hatchback c16nz вал 13s Пол:мужской
Never drive faster than your Angel can fly
Авто: Opel Kadett E; 13NE «Jubilee» Пол:мужской
Да, приборка ништяк, избавляешься от шуршания тросика. Я кстати когда еще стояла тросиковая приборка от нексии, сверял скорости через к лайник с показанием приборки. Тазодатчик 1 в 1 показывает, что и тросик.
Стандартная приборка Дэу Нексия встречается в двух компоновках. Оба варианта информативны и продвинуты для своего времени и ценовой политики автомобиля. Стандартный щиток имеет достаточное количество индикаторов, указателей, передающих информацию о состоянии авто в режиме реального времени. На фото ниже имеются все символы с их подробной расшифровкой.
Схема электрооборудования Дэу Нексия

Дэу Нексия схема электрооборудования которой представлена в этом разделе, разработана не вчера, и это значительно облегчает ремонт основных узлов автомобиля. Конструкция автомобиля в целом повторяет Опель Кадет 80-х годов выпуска. Незначительные изменения перенесли декоративные элементы и оптика, а также встречаются варианты ч двухвальным 16-клапанным двигателем, что на электросхему, которую мы разместили ниже, никоим образом не повлияло.

Как видим, схема проста и идентична в некоторой степени вазовским автомобилям, а те, кто знаком с со стареньким Кадетом, разберутся в ней вообще без труда.
Схемы электропроводки
По следующей схеме проводки можно определить места расположения разъёмов и контакты на массу, которые могут вызывать перебои в работе приборов при их ослаблении.
Электрические разъёмы обозначены жёлтым цветом и начинаются с буквы X. Заземления проводов, контакты на массу кузова обозначены синими точками, пронумерованы цифрами.
Контакты заземления
1 — в центральной части рулевой колонки 2 — около аккумулятора 3 — не используется 4 — на верхней части блока цилиндров двигателя 5 — в багажнике 6 — под водительским сиденьем В — непосредственный контакт корпуса узла с кузовом автомобиля.
Предохранители и реле Daewoo Matiz
Дэу нексия – электросхема

По техническому обслуживанию автомобилей Daewoo Nexia есть специальные справочные пособия по эксплуатации. Фотоматериалы подбираются квалифицированными механиками. Справочники могут помочь в сборке , ремонте систем автомобиля с использованием готовых запасных частей.
Электросхему дэу нексия нужно рассматривать на рисунке. При рассмотрении следует учитывать то, что проводники, которые соединены друг с другом заканчиваются стрелками с одноименными буквами. К тому же разъёмы электропроводки показаны одиночными контактами. Цифры около проводников указывают на место соединения с « массой» в машине.
В электросхеме дэу нексия А обозначает электронный блок управления IEFI-S. Е1 – это лампы подсветки переключателя вентилятора отопления. Е2 и Е3 обозначают переднюю левую и правую фары. Е4 и Е5 являются правым и левым противотуманным задним фонарем.
Е6 отвечает за лампу дальнего света левой фары, а Е7 – ближнего света правой фары. Е10 – это передний левый габаритный фонарь, а Е11 – передний правый габаритный фонарь, тогда как Е12 – это задний левый габаритный фонарь. Лампы освещения номерного знака – Е13 и Е14.
Задний правый габаритный фонарь – Е15, а Е16 – это лампа освещения перчаточного ящика. Лампа подсветки пепельницы – Е17, лампа освещения багажника – это Е18. Е19 – плафон освещения салона, Е20 – это лампы стоп-сигналов, Е21 и Е22 левый и правый фонари заднего хода соответственно.
Е32 –это сигнализатор аварийного давления масла, Е33 – сигнализатор неисправности систем двигателя.
Е34 – сигнализатор включенного стояночного тормоза и падения уровня тормозной жидкости, Е35 – индикатор включения дальнего света фар; Е36 – сигнализатор неисправности генератора, Е37 – сигнализатор падения уровня жидкости в бачке стеклоомывателя, Е38 – индикатор работы левого указателя поворота; Е39 – сигнализатор незакрытых дверей. Е40 – сигнализатор ремня безопасности, а Е41 – индикатор работы правого указателя поворота, Е42 – лампы подсветки комбинации приборов.
В электросхеме дэу нексия F обозначает предохранители. Сохранена их заводская нумерация. Аккумуляторную батарею обозначает G1. G2 – генератор. H1 – звуковой сигнал; Н2 – цифровые часы; Н3 – комбинация приборов; Н4 – спидометр с электронным приводом; Н5 – тахометр; Н6 – указатель уровня топлива в баке; Н7 – указатель температуры охлаждающей жидкости.
М1 – электродвигатель вентилятора отопителя; М2 – электродвигатель вентилятора системы охлаждения. М3 обозначает стартер; М4 – топливный насос; а М5 – насос стеклоомывателя; М6 – электродвигатель стеклоочистителя.
Р1 – датчик скорости движения автомобиля; Р2 – датчик температуры охлаждающей жидкости (для ЭБУ); Р3 – датчик абсолютного давления во впускном трубопроводе; Р4 – датчик положения дроссельной заслонки; Р5 – датчик концентрации кислорода (неэтилированный бензин) либо Р5-1 – датчик концентрации кислорода (этилированный бензин); Р6 – датчик температуры воздуха во впускном трубопроводе.
R1 – резисторы электродвигателя вентилятора отопителя; R2 – резистор электродвигателя вентилятора системы охлаждения; R3 – прикуриватель; R4 – обогреватель заднего стекла; R5 – регулятор режима работы стеклоочистителя; R6 – датчик уровня топлива в баке; R7 – датчик температуры охлаждающей жидкости (для указателя); R8 – датчик уровня жидкости в бачке стеклоомывателя.
Х2–Х12 – разъемы на жгутах электропроводки. Сохранена заводская нумерация. На отдельных схемах показано примерное расположение разъемов в автомобиле, а также расположение выводов каждого разъема. Х, Х1 – диагностические разъемы топливного насоса и ЭБУ соответственно.
Y1 – система зажигания; Y2 – топливные форсунки; Y3 – клапан холостого хода; Y4 – электромагнит замка багажника; Y5 – электромагнит замка топливного лючка.




























