Как правильно установить провода высокого напряжения на Ниву Шевроле
Катушка зажигания Шевроле Нива
Раскидываем провода зажигания
Проверка проводов зажигания на автомобиле
замена броне проводов фирмы Slon (Слон)
Замена свечей зажигания Шевроле Нива
Высоковольтные провода
Цепь датчика детонации, низкий уровень сигнала
https://youtube.com/watch?v=fYMrn5Vnsrk
Проверка и замена бронепроводов Chevrolet Aveo 1.6 .
ВВ провода заменили и что в результате получили.
https://youtube.com/watch?v=sFA4TkXC-eE
Провода высокого напряжения. ИМХО.
Также смотрите:
- Дверь задняя правая Mazda 6 gh 2007
- Рейлинги поперечины BMW x5 can
- Масло для кпп Митсубиси аутлендер
- Как снять гидроусилитель руля КАМАЗ
- Замена радиатора печки ауди а6 с4 с климат контролем видео
- Переходник usb для штатной магнитолы Форд
- Съемник масляного фильтра Volvo S60
- Хендай соната 5 тагаз пластик под магнитолу
- Ниссан кашкай 2014 цвет черный
- Крепление передних сидений Шевроле Нива
- Диски реплика для Киа сид 2014
- Ниссан скайлайн v35 чистка клапана егр
- Chevrolet trailblazer 2009 тест драйв
- Колпак на колесо Пежо 206
- Отбойники передних стоек Ниссан ноут
Проверка
Проверку модуля можно осуществить с помощью специального диагностического прибора ЕЛМ327 или с помощью мультиметра. Так как не каждый автолюбитель обладает диагностическим прибором, правильнее всего будет рассказать о проверке МЗ с помощью простого мультиметра.
Для проверки МЗ понадобиться обычный бытовой мультиметр, он же тестер. Проверка заключается в измерении сопротивления обмоток.
Пошаговый процесс проверки
Проверяем сопротивление вторичной обмотки
Для этого выставляем на мультиметре предел измерения сопротивления 20 кОм.
Подключаем щупы к выводам модуля и смотрим на показания прибора.
Сопротивление обмотки должно быть в районе 5 кОм.
Проверка первичной обмотки
Необходимо выставить на мультиметре переключатель на измерения сопротивления пределом 200 Ом.
Подключаем щупы мультиметра, как показано на картинке и проводим замер сопротивления.
Порядок подключения высоковольтных проводов нива шевроле инжектор
Варианты изготовления свечей: Для повышения производительности при создании данных изделий применяют некоторые технологические особенности, которые в теории могут увеличить производительность, а как следствие наиболее качественное сгорание топлива: Платиновое покрытие.

Позволяет увеличивать срок службы до 50 тыс километров пробега за счет того, что поверхность становиться более устойчивой порядок подсоединения высоковольтных проводов на ниве шевроле продуктам горения топливной смеси. Многоконтактные свечи. Данная операция займет у вас не больше 15 минут.: Выключаем зажигание; Снимаем провода: Повторить процесс необходимо на каждом проводе по очереди.

Порядок подключения высоковольтных проводов ВАЗ
В таком случае ВВП можно попытаться реанимировать, протерев контакты ВД либо жидкостью для очистки карбюраторов. Также причиной возникновения проблем с зажиганием может стать пробой ВВП.

Если это не приносит положительных результатов, необходимо перейти к следующим действиям. Для этого обычно используют мультиметр, подключаемым к контактам D а второй замыкаемый на массу.

Сам прибор переводиться в режим 20 вольт. При этом показания на нем должны быть равны 12 вольт.
Нива Шевроле подключение проводов зажигания. Нива шевроле провода зажигания
Все вышеназванные причины, могут наблюдаться и при других поломках, поэтому необходимо правильно её диагностировать, а для этого необходимо знать, как проверить модуль зажигания своими руками
Обратите внимание, что при такой неисправности эксплуатация автомобиля крайне нежелательна, но при необходимости возможно добраться лишь до места её ремонта


Порядок проверки модуля зажигания на Шевроле Нива Перед тем как приступить к демонтажу модуля, необходимо убедиться в том, что причиной нестабильной работы не стало банальное отсутствие контакта питания. Если подобная процедура не принесла никаких результатов, то проверять работоспособность следует на демонтированном устройстве.
Значения на мультиметре в норме. Когда элемент снят, готовим к работе мультиметр, и проверяем целостность и чистоту гнёзд на клеммах A, B, C, D — прим. Включаем мультиметр в режим вольтметра — 20 вольт, и если гнездо рабочее, то показания на тестере должны равняться 12 вольт.
Самые частые причины неисправностей
Одной из самых частых причин возникновения поломок становится вторичная обмотка . Потому как именно в ней генерируется импульс с высоким напряжением, и там в большинстве случаев может случиться обрыв или разрыв витков. Случается, это из-за следующего:
- Работа автомобиля происходила при нерабочих ВВП (высоковольтных проводах — прим.).
- В двигателе были установлены свечи зажигания с неподходящими рабочими параметрами.
Первые признаки неисправности
Как правило, сразу две катушки не выходят из строя, поэтому, запустить двигатель даже с частично неисправным модулем всё же получится. Но, опытный автовладелец должен сразу заподозрить неполадки, и сопровождаются они следующим образом:
Обратите внимание, что при такой неисправности эксплуатация автомобиля крайне нежелательна, но при необходимости возможно добраться лишь до места её ремонта. Если они не больше 0,3В, то устройство считается рабочим
Если какие-то измерения показали отклонения от нормы, то прибор считается неисправным
Если они не больше 0,3В, то устройство считается рабочим. Если какие-то измерения показали отклонения от нормы, то прибор считается неисправным.
Следует проверить целостность цепи. Перенос детали При частой эксплуатации автомобиля на бездорожье некоторые автовладельцы стараются перенести модуль как можно выше, чтобы на него как меньше попадало влаги.
Порядок подключения свечей Нива Шевроле
Так же изменение расположения позволяет избежать перегрева, которое сокращает срок службы устройства. Это особенно актуально при эксплуатации в сложных условиях, когда двигатель работает на высоких оборотах, при этом скорость передвижения небольшая и в результате вентиляция салона недостаточная. Свечи зажигания.
На Нива Шевроле свечи зажигания тесно связаны с предыдущим устройством. И при их неисправности возможны все те же проблемы, что описаны выше. Особенно часто свечи выходят из строя в зимний период.
Это связано с тем, что авто используется не так часто и в основном для коротких поездок. Из-за низкой температуры окружающей среды свечи не прогреваются до максимальной температуры, при которой они самоочищаются от нагара.
схема подключения высоковольтных проводов нива шевроле В случае появления проблем необходимо своевременно заменить свечи, чтобы это не повлияло на работоспособность других компонентов системы. Свечи зажигания для Нивы Шевроле необходимо приобретать специальные, для восьми-клапанных инжекторных двигателей. Для начала определимся, какой из четырех цилиндров первый? Если смотреть на двигатель спереди — первый цилиндр самый левый.
Общие советы при подключении высоковольтных проводов.
Проверка высоковольтных проводов. Чтобы проверить провода, вам понадобится мультиметр-тестер.
Порядок подключения высоковольтных проводов нива шевроле инжектор
Проверьте сопротивление проводов — оно должно быть не более 20 КОМ на практике самый длинный провод 1 цилиндра имеет сопротивление до 10 Схема подключения высоковольтных проводов нива шевроле. Если сопротивление провода больше 20 Ком — его необходимо заменить. Тщательно осмотрите провода на предмет перетирания о части мотора или об другие провода. В случае значительного истирания — провод заменить. Из замеченных недостатков, к 50 тыс.
Для общего обзора хочу напомнить, что вообще высоковольтные провода не являются вечными и подлежат замене. Производителей ВВ проводов на рынке достаточно. Наберется с десяток производителей.
В основном дешевый китайский вариант, в красивой яркой коробочке с большой красивой искрой на обложке. При поиске поставщика ВВ проводов, сказалась как всегда необъятность нашей родины.
И как это чаще всего бывает, отличились северА. Выяснилось что для данных условий, очень большое значение имеет характеристика, которая называется — термостойкость провода. Кратко, это сохранение рабочих характеристик, при определенном диапазоне температур.
Было опробовано много производителей, причем не тестером в теплой комнате, а натурными испытаниями. Основной бич данной продукции, как всегда — подделка.
Модуль зажигания нового образца
Модуль зажигания нового образца, как я уже говорил выше фирма Бош, правда в отличие расходомера который производится в германии, данное изделие делается в Бразилии. Но Бош, он и в Африке Бош ))) Что заметил нивоводский народ после установки данных модулей зажигания?
Частый вопрос: модули зажигания достаточно похожи, как определить что стоит на машине?
Ответ: Посмотрите на входной разъем модуля. Если к нему подходит 4 проводочка — перед вами старый вариант. Если 3 проводочка — новый.
— Мультиметр, автотестер или иной прибор с режимами омметра и вольтметра
Подготовительные работы
— Снимаем модуль зажигания с двигателя
— Очищаем от загрязнения
Протираем сухой ветошью.
Порядок проверки модуля (катушки) зажигания системы зажигания автомобилей ВАЗ 2108, 2109, 21099 с инжекторным двигателем
— Проверка на короткое замыкание
Сопротивление при каждом измерении должно быть в пределах 4 кОм. Если оно различно или не соответствует требуемому показателю модуль следует заменить.
— Проверка подачи напряжения на модуль зажигания
Примечания и дополнения
— Зачастую одним из визуальных признаков выхода из строя модуля зажигания может служить две мокрые и две рабочие свечи зажигания, так как модуль состоит из двух попарно соединенных катушек зажигания выдающих искру поочередно в два цилиндра -1-4, 2-3. Выход из строя одной из катушек приводит к работе (или попытке завестись) двигателя на двух свечах.
— Перечисленные выше проблемы в работе двигателя автомобиля могут иметь в своей основе не только неисправность модуля зажигания, но и неисправность свечей зажигания, высоковольтных проводов, а так же системы питания и управления (ЭСУД).
Еще статьи по системе зажигания инжекторного двигателя автомобилей ВАЗ 2108, 2109, 21099
Сравнительный тест-ремонт
Модуль зажигания (МЗ) – это электротехнический прибор, главной задачей которого является генерирование тока высокого напряжения, и последующая передача его на свечи. Для связи МЗ и свечей используются высоковольтные провода. МЗ позволил отказаться от традиционного распределителя и катушки зажигания. Система зажигания не требует обслуживания из-за отсутствия регулировок и подвижных деталей.
Признаки неисправности
Четыре признака неправильной работы МЗ: Потеря мощности; Провалы при ускорении; Не работают 1-4 или 2-3 цилиндры; Нестабильный холостой ход.
Как найти модуль зажигания?
Чтобы найти МЗ необходимо найти высоковольтные провода, т.к. один конец ВВ провода идет к Свечам, а другой к модулю зажигания.
Подключение ВВ проводов к модулю зажигания
В процессе подключения высоковольтных проводов к МЗ ваз 21214 нужно соблюдать определенный порядок. Если модуль держать строго перед собой, то подключение будет осуществляться следующим образом: первый цилиндр подключается к левому нижнему выводу, второй подключается к левому верхнему выводу, третий к правому верхнему выводу, а четвертый к правому нижнему выводу.
Для образование искры в автомобилях Нива используется модуль зажигания. Более старые Нивы оснащались трамблером, данная деталь не внушала надежности и требовала особого внимания и частой ревизии. С переходом Нивы на инжекторные двигателя, необходимость в трамблере отпала, а его заменил более надежный модуль зажигания.
В данной статье речь пойдет о модуле зажигания автомобиля Нива, а именно о способах его проверки, признаках неисправности и многом другом. Изучив данную статью, Вы с легкостью сможете найти поломку в автомобиле связанную с МЗ.
Перенос модуля зажигания Шнивы
Нередко на БУ машинах можно столкнуться с тем, что прежний владелец перенес катушки в другое место. Перенос модуля актуален ввиду причин.
- Снижение нагрева корпуса – начинка коробки боится повышенной температуры.
- Исключение попадания пыли и влаги.
- Удобство обслуживания.
Замена места расположения блока выглядит так.
- гаечным ключом откручивается корпус детали от посадочного места;
- далее можно снять сам модуль;
- выбрать место, куда можно перенести коробок – следует учитывать длину проводов;
- закрепить винтами катушку на корпусную панель автомобиля.
Аналогично деталь переносится на Нексии и других моделях ВАЗ.
Установление связи
Теперь, когда провода готовы, пришло время их соединить
Обращайте пристальное внимание на каждый шаг, чтобы обеспечить правильное и безопасное соединение
- Возьмите скрученные концы проводов и соедините их вместе.
- При использовании изоленты плотно оберните ее вокруг соединения, чтобы удерживать провода на месте. Убедитесь, что нет зазоров и оголенных проводов.
- Для более надежного и профессионального соединения рассмотрите возможность использования термоусадочной трубки. Наденьте трубку на соединение и нагрейте ее с помощью тепловой пушки, чтобы усадить и загерметизировать провода.
Особенности замены и монтажа катушки зажигания Нива Шевроле

- В первую очередь необходимо отсоединить аккумуляторную батарею от центральной сети. Для этого необходимо при помощи гаечного ключа сбросить отрицательную клемму с вывода.
- Дальше необходимо открутить кожух рулевой колонки и снять деталь.
- После нужно изъять фиксирующий винт при помощи молотка и зубила. Ударять по винту необходимо с права налево по касательной. Таким же способом выкручивают и второй винт. Выполняя эти действия, производят демонтаж самого замка.
- После фиксирующий болт контактной группы отсоединяем и снимаем деталь.
- Ключ вставляем в замок зажигания и поворачиваем его до положения АСС.
- Выполнив все эти действия, нажимаем на фиксатор и демонтируем цилиндр замка из корпуса. Если возникает необходимость, центровая часть замка ремонтируется или выполняется замена.
Модуль зажигания и свечи зажигания Нива Шевроле
В современных инжекторных автомобилях неизменным компонентов двигателя является модуль зажигания. Это устройство отвечает за генерацию электрического импульса высокого напряжения. Впоследствии импульс передается на свечи зажигания, чтобы вызвать искру в цилиндре и зажечь топливную смесь. Но зачастую могут возникнуть проблемы в работы данного устройства и может потребоваться его замена. Так же многих покорителей бездорожья не устраивает штатное расположение устройства в нижней части двигателя, где на него может попадать вода и возникает необходимость его переноса в другое место.
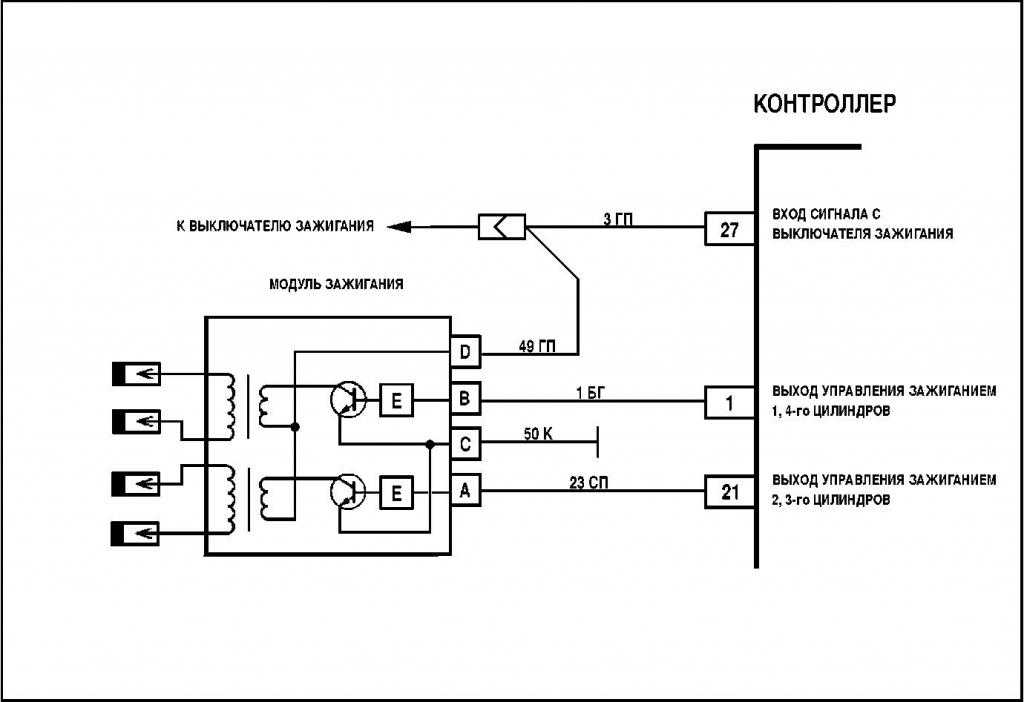
Модуль зажигания состоит из пары обмоток и комутатора, который определяет направление движения тока по катушкам. Работа данного компонента полностью регулируется электронным блоком управления автомобиля. ЭБУ так же отвечает и за сбор и анализ информации, поступающей от блока. На выходе из модуля им еется 4 гнезда в которые подключаются высоковольтные провода, идущие к свечам.
Импульсы внутри генерируются таким образом, чтобы на выходе получать парный разряд. Сперва задействуются контакты под номерами 1 и 4, затем 2 и 3. Это необходимо чтобы синхронизироваться с работой соответствующих цилиндров, в которых должна возникать искра.
К устройству подходят 4 контакта, которые промаркированы на разъеме. На первые 2 – под обозначениями A и B направляются импульсы, отвечающие за перенаправление контактов с одной катушки на другую. На контакты C и D передается питание и масса. Буквенные обозначения должны быть продублированы и на корпусе устройства.
Подготовка проводов
Как только вы определили провода, самое время подготовить их к подключению. Выполните следующие действия:
- Аккуратно обрежьте имеющиеся провода изолированными кусачками. Будьте осторожны, чтобы не перерезать другие провода и не повредить изоляцию.
- При необходимости используйте инструменты для зачистки изолированных проводов, чтобы удалить примерно 1 дюйм изоляции проводов на концах. Это обнажит металлический проводник внутри.
- Скрутите открытые части проводов вместе, обеспечив надежное соединение.
- Закройте открытый участок изоляционной лентой или термоусадочной трубкой, чтобы изолировать и защитить соединение от влаги и повреждений.
Где находится МЗ
Местоположение модуля зажигания «Нивы-Шевроле», выбрано не очень удачно. Он закреплен на нижней части блока цилиндров. Таким образом модуль подвержен воздействию сразу двух негативных факторов:
- Коррозии. Этому способствует низкое расположение. В процессе эксплуатации влага часто попадает на МЗ.
- Высокой температуры. Крепление модуля на блоке цилиндров вынуждает его работать при температурах, близких к 100 градусам.
Второй фактор наиболее критичен для МЗ. Производитель гарантирует нормальную работу устройства до 120 С°. Такая температура под капотом редкость. Но постоянное воздействие, пусть даже более низких значений, существенно сокращает срок службы МЗ. Поэтому добросовестные владельцы переносят модуль в место с более щадящими условиями. Чаще всего, на перегородку моторного отсека.

Коротко о конструкции
Главное предназначение любого МЗ – преобразование низковольтного сигнала в высокое напряжение, достаточное для нормального искрообразования в цилиндрах. Поэтому конструктивно, модуль зажигания «Нивы-Шевроле» представляет собой импульсный трансформатор. На его вход подается сигнал с электронного блока управления (ЭБУ), с выхода снимается напряжение порядка 20 – 30кВ. Модуль имеет разъем для подключения низковольтной части и четыре гнезда, в которые вставляются так называемые бронепровода.
Высокое напряжение подается сразу на два цилиндра. При этом 90% энергии, уходит на образование искры в том, где заканчивается такт сжатия. Рабочая смесь в нем находится под большим давлением, а значит, имеет высокую проводимость. Таким образом, модуль состоит из двух независимых катушек зажигания.

Порядок проверки
Для начала необходимо проверить все контакты, как подходящие к блоку, так и высоковольтные провода идущие к свечам. Для этого достаточно несколько раз отсоединить провода и подключить их заново. Если это не приносит положительных результатов, необходимо перейти к следующим действиям.
Для этого обычно используют мультиметр, подключаемым к контактам D а второй замыкаемый на массу. Сам прибор переводиться в режим 20 вольт. При этом показания на нем должны быть равны 12 вольт. Затем по той же схеме производиться проверка контакта C в режиме омметра. Показания должны быть меньше 1 Ом.
Контакты А и В проверяются в режиме вольтметра. Их показания не должны превышать 0,3 Вольта. Если хотя бы один из этих показателей выходит за рамки нормы, необходимо искать проблемы в катушке.
Читать дальше: Газ 3307 тюнинг фото
Если обнаружено повреждение пайки контактов можно попробовать самостоятельно устранить их при помощи паяльника. При повреждении катушки требуется замена модуля зажигания.
В современных инжекторных автомобилях неизменным компонентов двигателя является модуль зажигания. Это устройство отвечает за генерацию электрического импульса высокого напряжения. Впоследствии импульс передается на свечи зажигания, чтобы вызвать искру в цилиндре и зажечь топливную смесь. Но зачастую могут возникнуть проблемы в работы данного устройства и может потребоваться его замена. Так же многих покорителей бездорожья не устраивает штатное расположение устройства в нижней части двигателя, где на него может попадать вода и возникает необходимость его переноса в другое место.
Модуль зажигания состоит из пары обмоток и комутатора, который определяет направление движения тока по катушкам. Работа данного компонента полностью регулируется электронным блоком управления автомобиля. ЭБУ так же отвечает и за сбор и анализ информации, поступающей от блока. На выходе из модуля им еется 4 гнезда в которые подключаются высоковольтные провода, идущие к свечам.
Импульсы внутри генерируются таким образом, чтобы на выходе получать парный разряд. Сперва задействуются контакты под номерами 1 и 4, затем 2 и 3. Это необходимо чтобы синхронизироваться с работой соответствующих цилиндров, в которых должна возникать искра.
К устройству подходят 4 контакта, которые промаркированы на разъеме. На первые 2 – под обозначениями A и B направляются импульсы, отвечающие за перенаправление контактов с одной катушки на другую. На контакты C и D передается питание и масса. Буквенные обозначения должны быть продублированы и на корпусе устройства.
Часто задаваемые вопросы
Какая схема подключения высоковольтных проводов на Ниве Шевроле?
Схема подключения высоковольтных проводов на Ниве Шевроле зависит от модели двигателя и года выпуска автомобиля
Важно следовать официальной документации и руководству производителя, чтобы установить провода правильно. Однако, в общем случае, высоковольтные провода на Ниве Шевроле подключаются следующим образом:
- Убедитесь, что автомобиль выключен и ключ забран.
- Снимите пластиковые крышки с разъемов зажигания.
- Подключите провода по их цвету и порядку. Обычно, провода раскрашены в соответствии с цилиндрами двигателя.
- Установите пластиковые крышки на разъемы, чтобы защитить их от влаги и пыли.
- Проверьте, что все провода надежно подключены и не стираются о ребра или другие части двигателя. Убедитесь, что они находятся на своих местах и не перекрещиваются.
Для подключения высоковольтных проводов на Ниве Шевроле вам понадобятся следующие материалы и инструменты:
- Высоковольтные провода нового образца, соответствующие модели и двигателю вашего автомобиля.
- Отвертка или ключ для снятия пластиковых крышек с разъемов зажигания.
- Руководство пользователя и схема подключения, предоставленные производителем.
Как часто следует менять высоковольтные провода на Ниве Шевроле?
Рекомендуется менять высоковольтные провода на Ниве Шевроле примерно раз в 50 тысяч километров пробега или каждые 3-5 лет, в зависимости от эксплуатационных условий и качества проводов. Если у вас возникают проблемы с зажиганием или работой двигателя, то стоит проверить состояние проводов и при необходимости заменить их раньше рекомендуемого срока.
Как определить неисправные высоковольтные провода на Ниве Шевроле?
Если у вас возникают проблемы с зажиганием или работой двигателя на Ниве Шевроле, возможно, высоковольтные провода являются причиной. Вот несколько признаков неисправных проводов:
- Трясется двигатель или пропускает зажигание при работе на холостых оборотах.
- Неустойчивая работа двигателя при нагрузке или высоких оборотах.
- Постоянные пропуски зажигания или неисправность в работе цилиндров.
- Видимые повреждения, трещины или износ на проводах.
14.10 Порядок зажигания
Первый, это щуп для регулировки зазоров размером 0,15 мм и набор щупов, в котором есть щуп 0,2 мм. Instagram — drive2 — ВКонтакте — Facebook Узнать, как часто нужно проводить эту процедуру, вы сможете в руководстве по эксплуатации автомобиля, также там указан порядок действий.
Извините за качество. Фотоаппарат сел. Adjustment valves of VAZ NIVA injector 05 Aug Вторую регулировку, которую я называю чистовой, я рекомендую провести через км, после установки комплекта и первой регулировки.
Практика работы показала, порядок зажигания на шевроле нива двигатели ходят без регулировки и по 50 и по 80 тысяч км.
Этот ролик, создан для того, чтобы вы прочувствовали и увидели с чем придётся столкнуться при регулировке Установка проводится в обратном порядке. При этом нужно утопить стержень противоугонного устройства, вставив ключ в замок и перевести его из нулевого положения автор видео — Шеви Нива ремонт. Как проверить модуль зажигания?
Существует несколько способов проверки модуля зажигания: Самый простой — замена аналогичным заведомо исправным устройством. Правда, следует учитывать, что устройство-донор может не подойти и сгореть при установке его на автомобиль для проверки.
Второй способ является основным. Для его проведения понадобится тестер. Значения на мультиметре в норме. Когда элемент снят, готовим к работе мультиметр, и проверяем целостность и чистоту гнёзд на клеммах A, B, C, D — прим.
Включаем мультиметр в режим вольтметра — 20 вольт, и если гнездо рабочее, то показания на тестере должны равняться 12 вольт. Мультиметр переключаем режим омметра и смотрим на показания прибора, и если оно составляет меньше 1 Ом, то гнездо в норме.
Замена катушки зажигания lada 2123 (ваз 2123)
Контакты A и Порядок зажигания на шевроле нива проверяем по очереди, но в одинаковом порядке. Подключаем мультиметр в режиме вольтметра и если показания не превышают 0,3 вольта, то устройство можно считать полностью рабочим.
С помощью стробоскопа произвести установку момента и после подключить аккумулятор: Зажим регулятора подключается к высоковольтному кабелю на цилиндре 1. Свет стробоскопа направить на риску на шкиве. При верной регулировке риска должна совпадать со средней на крышке двигателя.
модуль зажигания
При несоответствии меток — заглушить двигатель и отрегулировать крепление трамблера по часовой стрелке или. После повторить процедуру. Финальная проверка происходит на ходу. Потребуется прогреть двигатель до 80 градусов.
Резко нажать на педаль газа.
Признаки неисправности
Как уже упоминалось, симптомы неисправности модуля зажигания характерны так же для многих других узлов автомобиля. Почти нет таких признаков, которые напрямую указывают на МЗ. Это существенно осложняет ремонт. Однако при наличии опыта, выводы о неисправности модуля зажигания Нивы Шевроле можно сделать последующим симптомам.
- Не работают сразу два цилиндра. Это единственный признак, который, правда не всегда, но указывает на МЗ. Вероятность этого увеличивается, если одновременно не работают 1 и 4 или 2 и 3 цилиндры.
- «Плавают» холостые обороты.
- Диагностика показывает пропуски зажигания во всех цилиндрах.
- С прогревом двигателя падает его мощность, появляются перебои в работе.
- Загорается сигнализация CHECK ENGIN.
Следует отметить, что полный отказ МЗ, при котором двигатель совсем не запускается, случается очень редко. В основном этот признак неисправности модуля зажигания «Нивы-Шевроле» свидетельствует о повреждении низковольтной части проводки.

Модуль зажигания и свечи зажигания Нива Шевроле
Вжиииихх — завелась, не троит. Чутка погрел движок, пробую ехать — всё круто, еду Резко лечу домой радостный, на часах уже 8 вечера. Про себя думаю — повезло, что свечи.
Так бывает — их пробивает. На следующий день с утречка везу жену на работу 15 минут тудаеду обратно и уже практически подъезжай к дому, чувствую — пропала тяга, нажимаю на газ — машина тормозит. Спустя пару секунд и движок затроил. Блин, думаю, хорошо что доехал своим ходом. порядок вв проводов шевроле нива
Порядок подключения высоковольтных проводов ВАЗ
Гугл говорит — меняй высоковольтные провода, их также пробивает и по идее их тоже надо менять почаще, а не ездить на одних проводах года. ВВ-провода Сажусь на автобус и еду в ближайший магазин запчастей. Выбор не порядок вв проводов шевроле нива, нет брендовых и крутых Тесла и им подобных.
Покупаю, лечу обратно домой.
Старые провода внимательно оглядел, внутри одного из них что-то типа нагара, окислов. Ну, думаю, что пудово из-за проводов движок выкобенивается. Из-за низкой температуры окружающей среды свечи не прогреваются до максимальной температуры, при которой они самоочищаются от нагара.

В случае появления проблем необходимо своевременно заменить свечи, чтобы это не повлияло на работоспособность других компонентов системы. Свечи зажигания для Нивы Шевроле необходимо приобретать специальные, для восьми-клапанных инжекторных двигателей
При покупке следует обращать внимание на зазор между электродами
Он должен быть не больше 1,5 мм. Если данное расстояние больше, то это будет сказываться на продолжительности работы свечи.

Варианты изготовления свечей: Для повышения производительности при создании данных изделий применяют некоторые технологические особенности, которые в теории могут увеличить производительность, а как следствие наиболее качественное сгорание порядок вв проводов шевроле нива Платиновое покрытие.
Позволяет увеличивать срок службы до 50 тыс километров пробега за счет того, что поверхность становиться более устойчивой к продуктам горения топливной смеси.

Многоконтактные свечи. Тщательно осмотрите провода на предмет перетирания о части мотора или об другие провода. В случае значительного истирания — провод заменить.
В случае незначительного истирания — возможно проложить провод так, чтобы он не терся, и зафиксировать в этом положении. Укладка проводов. Не старайтесь подключить провода в связке.
Разберите жгуты проводов, освободите провода из пластиковых держателей.
Проверка мультиметром
- Проверка производиться на снятом устройстве и начинается с осмотра состояние клемм, к которым подключаются высоковольтные провода.
- Щуп устанавливается на контакт D, черный замыкается на массу. В режиме вольтметра 20В устройство должно показывать 12 вольт.
- Затем переводим прибор в режим измерения сопротивления, а красный и черный щуп устанавливаем на контакт D и массу соответственно. Нормально работающий прибор должен иметь показания меньше 1Ом.
- Проверяем контакты A и B по очереди. Прибор переводиться снова в режим вольтметра и снимаются показания. Если они не больше 0,3В, то устройство считается рабочим.
Если какие-то измерения показали отклонения от нормы, то прибор считается неисправным. Следует проверить целостность цепи.




























