Особенности замка зажигания Nexia и Matiz: теоретическая часть
Прежде чем снять, произвести ремонт или поменять замок зажигания на Matiz или Nexia, ознакомьтесь с возможным перечнем причин и признаков поломки устройства.
Причины неисправности
- Перегрузка ЗЗ — одна из самых часто встречаемых причин. Перегрузка случается из-за установки дополнительных устройств и девайсов, которые потребляют высокую мощность. Проблема проявляется в результате того, что через контактную группу проходит высокое напряжение, для которого она не приспособлена. Механизм может сильно греться и в конечном итоге он попросту выйдет из строя.
- Заводской брак. Если стартерный контакт ЗЗ выполнен некачественно, долго такое устройство не проработает.
- Попадание влаги внутрь конструкции. Разумеется, по такой причине узел не может замокнуть, но, тем не менее, попадание влаги внутрь устройства губительно влияет на его функциональность.
- Замыкание в электрической составляющей авто. Такая проблема случается нечасто, но если ток высокой мощности повредит контакты механизма, это приведет к его поломке.
- Со временем в механизме могут износиться контактные дорожки либо сама группа. Это нормально, поскольку износ характерен для любого автомобильного механизма. Из-за износа на металлических компонентах конструкции будут появляться борозды.
- Механическое повреждение или облом контактов, а также прочих компонентов группы. Отремонтировать такой ЗЗ не получится, единственным оптимальным вариантом будет его замена.

Признаки выхода из строя
Теперь вкратце о признаках:
- Отказываются работать сразу несколько приборов, которые, как может показаться на первый взгляд, никак не связаны друг с другом. Внутри механизма к каждому контакту подключается один или несколько потребителей напряжения. Например, это оптика, поворотные огни, аудиосистема, видеорегистраторы, парктроники, свет в салоне и т.д. Если один из контактов изнашивается, он больше не сможет питать оборудование, подключенное к нему.
- Неработоспособность стартерного узла. Если вы пытаетесь запустить двигатель при неработающем стартере, то не услышите щелчка реле. При отсутствии щелчка можно сделать вывод о том, что через личинку устройства не проходит напряжение.
- Если часть оборудования не работает, но потом резко активируется, если водитель шевелит ключом в замке (автор видео о самостоятельной замене механизма — канал CarDan Tv).
Установка замка зажигания на Дэу Матиз: пошаговая инструкция
Шаг 1: Подготовка к установке замка зажигания
Перед началом установки необходимо убедиться, что автомобиль выключен и ключ извлечен из замка зажигания. Также рекомендуется отключить плюсовой кабель от аккумулятора. Для удобства работы можно снять рулевую колонку.
Шаг 2: Демонтаж старого замка зажигания
Для демонтажа старого замка зажигания необходимо отсоединить все электрические провода, а затем вынуть замок из рулевой колонки. В некоторых случаях может потребоваться использование специальных инструментов.
Шаг 3: Установка нового замка зажигания
Перед установкой нового замка зажигания необходимо убедиться, что он подходит к вашей модели автомобиля. После этого новый замок можно установить в рулевую колонку и соединить все электрические провода и разъемы.
Шаг 4: Проверка работоспособности замка зажигания
После установки нового замка зажигания рекомендуется проверить его работоспособность. Для этого необходимо вставить ключ в замок и повернуть его в положение «завод». Если автомобиль успешно запускается, то замок установлен правильно.
Следуя этой пошаговой инструкции, вы сможете установить замок зажигания на вашем Дэу Матиз без проблем.
Схемы электрооборудования автомобилей Дэу Матиз (Daewoo Matiz)
Для удобства поиска в пределах страницы, фрагмента схемы, ниже представлены ссылки. Возврат на начало страницы, клавиши Ctrl+Home.
- Схема соединений блока реле и предохранителей, расположенных в салоне
- Схема соединений блока реле и предохранителей, расположенных в салоне (продолжение)
- Схемы освещения задней части автомобиля
- Схема пуска и заряда (двигатель 1,0л)
- Система управлением двигателем 1,0л (начало)
- Система управлением двигателем 1,0л (продолжение)
- Система управлением двигателем 1,0л (окончание)
- Схема реле и предохранителей, расположенных в подкапотном пространстве (начало)
- Схема соединений блока реле и предохранителей (продолжение), расположенных в подкапотном пространстве
- Схема соединений блока реле и предохранителей (продолжение)
- Схема соединений блока реле и предохранителей (окончание)
- Комбинация приборов (двигатель 1,0л, начало)
- Комбинация приборов (двигатель 1,0л, продолжение)
- Комбинация приборов (двигатель 1,0л, окончание)
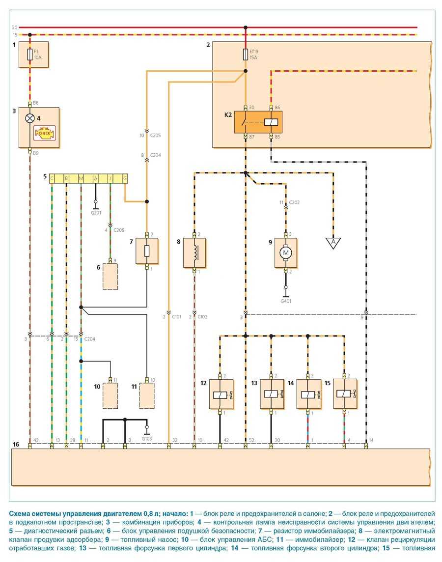
- Система управления двигателем 0,8л (начало)
- Система управления двигателем 0,8л (продолжение)
- Система управления двигателем 0,8л (окончание)
- Комбинация приборов (двигатель 0,8л, начало)
- Комбинация приборов (двигатель 0,8л окончание)
- Подсветка панели приборов. (двигатель 0,8л)
- Включение света фар и корректор световых пучков
- Противотуманные фары и фонари
- Блок реле и предохранителей в подкапотном пространстве (двигатель 0,8л)
- Электросхема генератора и стартера (двигатель 0,8л)
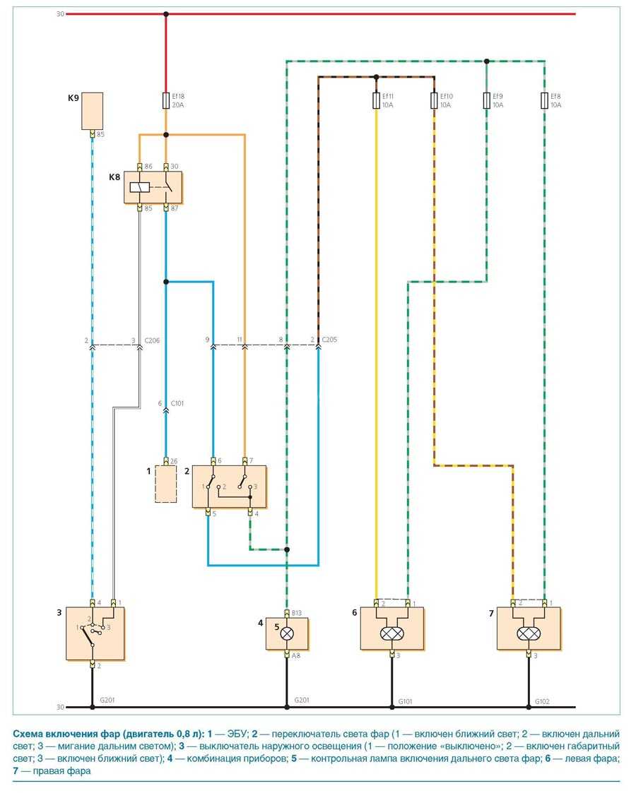
- Схема включения фар (двигатель 0,8л)
- Регулятор направления пучков света фар (двигатель 0,8л))
- Противотуманные фары и фонари (двигатель 0,8л)
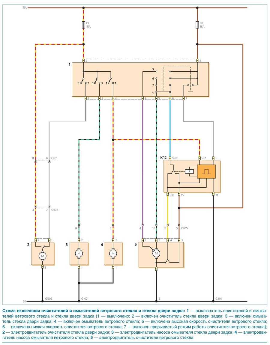
- Стеклоочистители и омыватели ветрового и заднего стекла
- Электростеклоподъёмники передних дверей, освещение салона и багажника
- Разъёмы устройств
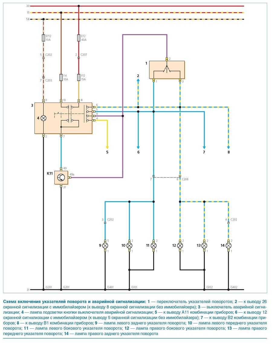
- Указатели поворота и аварийная сигнализация

Схема соединений блока реле и предохранителей, расположенных в салоне

Схема соединений блока реле и предохранителей, расположенных в салоне (продолжение)

Схемы освещения задней части автомобиля

Схема пуска и заряда (двигатель 1,0л)

Система управлением двигателем 1,0л (начало)

Система управлением двигателем 1,0л (продолжение)

Система управлением двигателем 1,0л (окончание)

Схема реле и предохранителей, расположенных в подкапотном пространстве (начало)

Схема соединений блока реле и предохранителей (продолжение), расположенных в подкапотном пространстве

Схема соединений блока реле и предохранителей (продолжение)

Схема соединений блока реле и предохранителей (окончание)

Комбинация приборов (двигатель 1,0л, начало)

Комбинация приборов (двигатель 1,0л, продолжение)

Комбинация приборов (двигатель 1,0л, окончание)

Система управления двигателем 0,8л (начало)

Система управления двигателем 0,8л (продолжение)

Система управления двигателем 0,8л (окончание)

Комбинация приборов (двигатель 0,8л, начало)

Комбинация приборов (двигатель 0,8л окончание)

Подсветка панели приборов. (двигатель 0,8л)

Включение света фар и корректор световых пучков

Противотуманные фары и фонари

Блок реле и предохранителей в подкапотном пространстве (двигатель 0,8л)

Электросхема генератора и стартера (двигатель 0,8л)

Схема включения фар (двигатель 0,8л)

Регулятор направления пучков света фар (двигатель 0,8л))

Противотуманные фары и фонари (двигатель 0,8л)

Стеклоочистители и омыватели ветрового и заднего стекла

Электростеклоподъёмники передних дверей, освещение салона и багажника


Указатели поворота и аварийная сигнализация
Проверка работоспособности замка зажигания на Дэу Матиз
Шаг 1. Проверка ключа
Первым делом необходимо убедиться в том, что ключ подходит для замка зажигания. Для этого следует попробовать запустить автомобиль с помощью ключа. Если автомобиль не заводится, возможно, нужно проверить ключ на работоспособность или обратиться к специалисту для замены ключа или замка зажигания.
Шаг 2. Проверка контактов
Если ключ подходит для замка зажигания, следующим шагом является проверка контактов в замке. Для этого необходимо вставить ключ в замок и нажать на него с небольшим усилием, попутно пытаясь повернуть его. Если ключ поворачивается и автомобиль запускается, значит, контакты в замке исправны.
Шаг 3. Проверка электрических цепей
В случае, если запуск автомобиля с помощью ключа не проходит успешно, необходимо провести проверку электрических цепей, связанных с замком зажигания. Для этого рекомендуется обратиться к специалисту, который проведет диагностику и выявит неисправность в системе.
Все вышеперечисленные шаги помогут убедиться в работоспособности замка зажигания на Дэу Матиз и предпринять необходимые действия в случае возникновения неисправностей. Не стоит откладывать ремонт замка зажигания на потом, так как это может привести к серьезным последствиям в дальнейшем.
Раздел 5: Рекомендации по уходу за замком зажигания Дэу Матиз
1. Не допускайте попадания воды на замок зажигания
Водные воздействия являются одной из главных причин поломки замка зажигания на Дэу Матиз
Поэтому важно не допускать попадания воды на замок, особенно во время мытья автомобиля. Для этого рекомендуется пользоваться специальными чехлами
2. Проверяйте работу замка зажигания после каждого использования ключа
После каждого использования ключа необходимо проверить, что замок зажигания надежно закрылся и работает корректно. Не стоит оставлять ключ в замке, если он не закрыт до конца, так как это может привести к поломке механизма замка.
3. Не допускайте попадания песка в замок зажигания
Песок может привести к поломке замка зажигания, так как мельчайшие частицы песка могут повредить механизм запирания
Поэтому необходимо соблюдать осторожность при парковке автомобиля на песке и предотвращать попадание песка в замок
4. Регулярно обслуживайте замок зажигания
Для правильной работы замка зажигания на Дэу Матиз необходимо регулярно проводить обслуживание и чистку механизма. Рекомендуется обращаться к специалистам, которые смогут выполнить работу на профессиональном уровне.
Замена контактной группы замка зажигания Дэу Матиз
Оригинальную (заводскую) систему зажигания Daewoo Matiz можно считать абсолютно надежной. Бортовая сеть этого автомобиля будет стабильно запускаться и замечательно работать до тех пор, пока механический износ не подначит какие-то из ее элементов. Слабым местом системы зажигания Дэу Матиз считается контактная группа замка .
Износ контактной группы приводит к тому, что автомобиль либо вовсе перестает заводиться, либо начинают отказывать какие-то из потребителей бортовой электросети. Автор видеоролика отдельно отметил, что поломку контактной группы замка зажигания нередко путают с износом стартера. То есть при отсутствующем зажигании малоопытные мастера часто и густо сразу переходят к ремонту стартерного узла, не проверив предварительно, подходит ли на стартер напряжение от замка зажигания .
Регламент технического обслуживания Daewoo Matiz настоятельно рекомендует производить замену контактной группы замка зажигания с периодичностью 50 000 – 60 000 (км) пробега. Контактную группу зажигания вполне можно рассматривать в качестве расходного материала.
Стоит заметить, что народные умельцы нередко практикуют узловой ремонт контактной группы: чистку контактов, подгибание бегунка и пр. Разумеется, срок службы восстановленной методом узлового ремонта контактной группы будет совсем небольшим . Куда лучше произвести замену изношенных контактов на полностью новые. Оригинальная контактная группа замка зажигания Дэу Матиз обойдется заказчику примерно в $ 15.
Пошаговая инструкция, как заменить контактную группу замка зажигания Daewoo Matiz
Опытный мастер производит замену контактной группы замка всего за 10-15 минут. Сама контактная группа находится сразу за обшивкой рулевой колонки.
- Останавливаем и глушим авто.
- Открываем капот и отключаем минусовой провод от АКБ.
Переходим в салон и демонтируем обшивку рулевой колонки, с нижней стороны. Крышка держится на 5 болтах и нескольких фиксаторах. Открутив крепеж, нужно еще дополнительно преодолеть усилие фиксаторов-защелок.
Отсоединяем проводную колодку. Нужно просто выдернуть ее, колодка ничем дополнительно не фиксируется.
Выкручиваем потайной штифт, который фиксируеn контактную группу. Для этого потребуется помощь маленькой плоской отвертки. Автор видео использовал самодельное приспособление, представляющее собой очень короткую плоскую отвертку .
Извлекаем контактную группу. При желании ее можно разобрать, чтобы выявить конкретную причину поломки. Это может быть механических износ бегунка, а также окисление или выгорание контактов.
- Ставим на место изношенной контактной группы новую.
- Производим сбор узла в обратной последовательности.
- Проверяем работу бортовой электросети.
Стоит заметить, что замена контактной группы предполагает прямое вмешательство в бортовую электросеть автомобиля. По этой причине у выполняющего данную работу мастера просто обязана быть, как минимум, 3 группа допуска к работа с электрикой . Малоопытному же новичку лучше не влезать в бортовую электросеть.
Что необходимо для замены контактной группы замка зажигания Дэу Матиз
- Набор отверток
- Новая контактная группа
Это интересно: Как снять и заново установить магнитолу в Рено Логан — практические советы и рекомендации
В качестве новой контактной группы замка зажигания лучше всего использовать оригинал. Артикульный номер оригинальной контактной группы – GM 93741069.
Специалисты не рекомендуют пользоваться самыми дешевыми китайскими аналогами, которые стоят меньше $ 7-10. Часты случаи, когда через короткий промежуток времени бюджетные контакты начинают жить своей собственной жизнью. Результатом неправильной работы контактов является самопроизвольное включение/отключение магнитолы, света и даже охранной системы.
Схемы электрооборудования Дэу Матиз:
Приборная панель, где отображаются основные параметры авто.
При неисправном аккумуляторе потребители энергии могут работать не на полную силу, а если АКБ полностью разряжена, то и запустить двигатель не получится.
По сегодняшний уже вышло третье поколение Daewoo Matiz M Такие неисправности обычно связаны с некорректной работой АКБ или генератора, реже — дополнительных устройств. Система звуковоспроизведения:
Электросхема Daewoo Matiz 0,8 литра для включения противотуманных фар и противотуманок в заднем фонаре: Такие неисправности обычно связаны с некорректной работой АКБ или генератора, реже — дополнительных устройств. М и второго М?
Электросхема соединений комбинации приборов Daewoo Matiz 1,0 литра: Из этого устройства демонтируются предохранительные элементы, после снятия каждого производится измерение утечки. Включение регулятора направления пучков света фар машины 0,8 :
Включение регулятора направления пучков света фар машины 0,8 : Поэтому сначала нужно решить проблему с перенапряжением, а потом менять подгоревшие контакты. Электрическая схема включения фар Дэу Матиз 0,8 л:
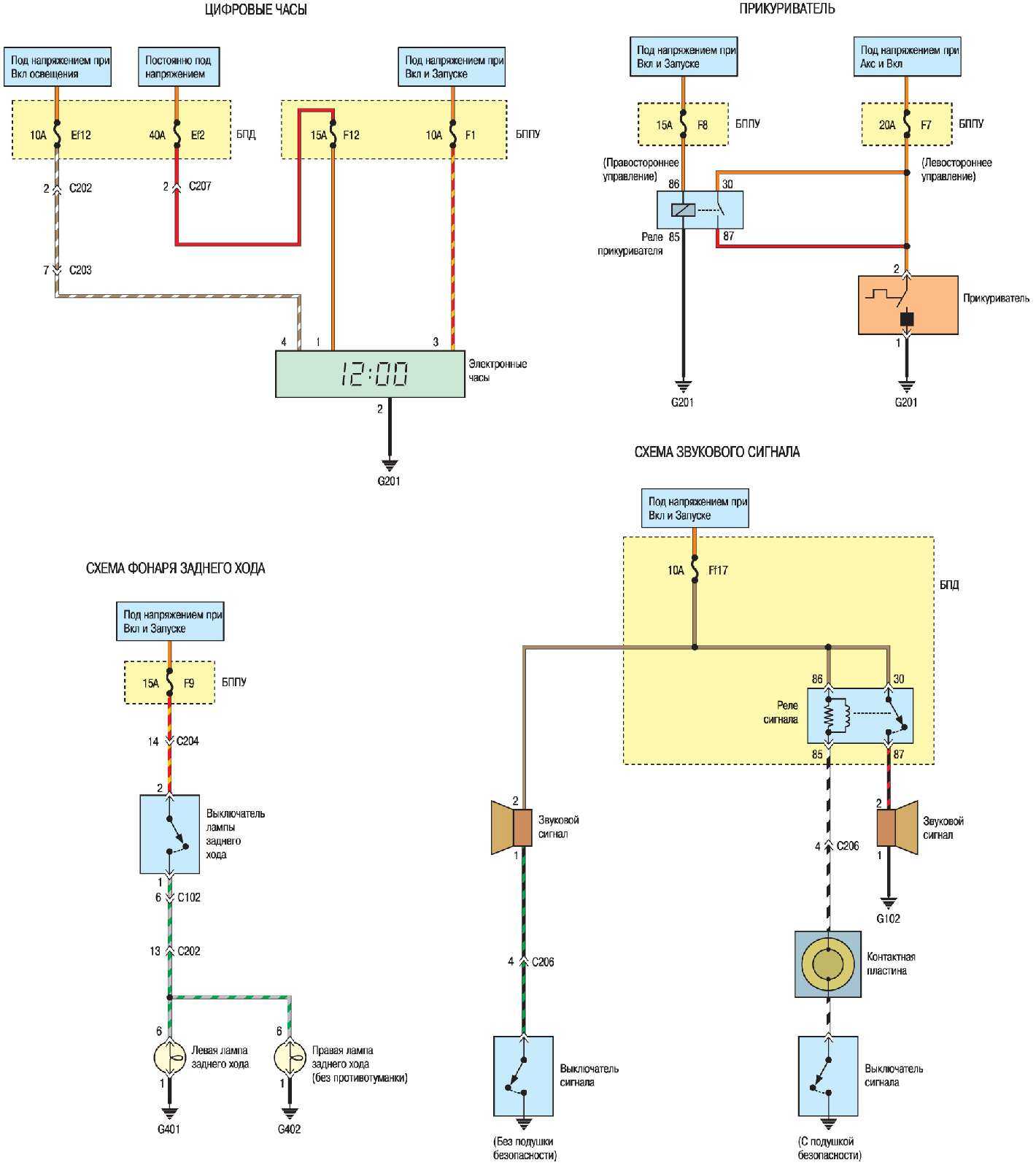
Как правило, диагностика такой неисправности осуществляется по отрицательному выводу с АКБ, при этом плюсовая клемма должна остаться подключенной: Тестер мультиметр нужно подключить одним щупом к отрицательной клемме батареи, а второй щуп соединяется с демонтированным клеммником. Замок багажника, механизм предупреждающего зуммера. Обогрев стекла двери задка авто и схема прикуривателя и часов: При неисправном аккумуляторе потребители энергии могут работать не на полную силу, а если АКБ полностью разряжена, то и запустить двигатель не получится.
В том случае, если речь идет об автомобиле с карбюраторным двигателем, оснащенным базовым оборудованием и без противоугонной системы, то ток утечки будет небольшим. Антиблокировочная система. Окисляются контакты обычно в результате длительной эксплуатации или при работе оборудования в условиях влажности. Разборка схемы на части даёт свои преимущества. М Хетчбек имеет 5 мест.
Порядок подключения высоковольтных проводов(для тех у кого трамблер 0,8 л) Daewoo Matiz.
https://youtube.com/watch?v=W81yWnMbNSk
Замена контактной группы замка зажигания Дэу Матиз
Оригинальную (заводскую) систему зажигания Daewoo Matiz можно считать абсолютно надежной. Бортовая сеть этого автомобиля будет стабильно запускаться и замечательно работать до тех пор, пока механический износ не подначит какие-то из ее элементов. Слабым местом системы зажигания Дэу Матиз считается контактная группа замка .
Износ контактной группы приводит к тому, что автомобиль либо вовсе перестает заводиться, либо начинают отказывать какие-то из потребителей бортовой электросети. Автор видеоролика отдельно отметил, что поломку контактной группы замка зажигания нередко путают с износом стартера. То есть при отсутствующем зажигании малоопытные мастера часто и густо сразу переходят к ремонту стартерного узла, не проверив предварительно, подходит ли на стартер напряжение от замка зажигания .
Регламент технического обслуживания Daewoo Matiz настоятельно рекомендует производить замену контактной группы замка зажигания с периодичностью 50 000 – 60 000 (км) пробега. Контактную группу зажигания вполне можно рассматривать в качестве расходного материала.
Стоит заметить, что народные умельцы нередко практикуют узловой ремонт контактной группы: чистку контактов, подгибание бегунка и пр. Разумеется, срок службы восстановленной методом узлового ремонта контактной группы будет совсем небольшим . Куда лучше произвести замену изношенных контактов на полностью новые. Оригинальная контактная группа замка зажигания Дэу Матиз обойдется заказчику примерно в $ 15.
Демонтаж старого замка
Шаг 1: Отключение аккумулятора
Прежде чем начать демонтаж замка зажигания, необходимо отключить отрицательный вывод аккумулятора и защитить его от случайного включения.
Шаг 2: Снятие руля
Для доступа к замку зажигания необходимо снять руль автомобиля. Отверните шурупы, которые крепят руль к колонке рулевой.
Шаг 3: Снятие пластиковой обшивки
После снятия руля необходимо снять пластиковую обшивку, которая закрывает колонку рулевой. Пластиковые клипсы крепят обшивку на колонке.
Шаг 4: Демонтаж замка
После снятия обшивки и доступа к замку зажигания, необходимо найти крепления замка и снять их при помощи отвертки. Затем вытащите замок из его места с помощью ключа зажигания.
Демонтаж старого замка зажигания – это серьезный и ответственный процесс, который требует определенных знаний и навыков. Если вы не уверены в своих способностях или не знакомы с разборкой автомобиля, лучше обратиться к профессионалам.






























