Схема на инжектор ВАЗ-2104

1 – электродвигатель вентилятора системы охлаждения двигателя; 2 – монтажный блок; 3 – регулятор холостого хода; 4 – электронный блок управления; 5 – октан-потенциометр; 6 – свечи зажигания; 7 – модуль зажигания; 8 – датчик положения коленчатого вала; 9 – электробензонасос с датчиком уровня топлива; 10 – тахометр; 11 – контрольная лампа “CHECK ENGINE”; 12 – реле зажигания автомобиля; 13 – датчик скорости; 14 – колодка диагностики; 15 – форсунка; 16 – клапан продувки адсорбера; 17, 18, 19 – предохранители системы впрыска; 20 – реле зажигания системы впрыска; 21 – реле включения электробензонасоса; 22 – реле электроподогревателя впускной трубы; 23 – электроподогреватель впускной трубы; 24 – предохранитель подогревателя впускной трубы; 25 – датчик концентрации кислорода; 26 – датчик температуры охлаждающей жидкости; 27 – датчик положения дроссельной заслонки; 28 – датчик температуры воздуха; 29 – датчик абсолютного давления;
- А – к клемме “плюс” аккумуляторной батареи;
- В – к клемме “15” выключателя зажигания;
- Р4 – реле включения электродвигателя вентилятора.
Схема электрооборудования ВАЗ 2104
Схема ВАЗ-2104, для автомобилей ранних годов выпуска. От стандартной схемы ее отличают генератор Г-222, 10-ти контактный включатель аварийной сигнализации, 5-ти контактное реле указателей поворотов и аварийной сигнализации, датчик верхней мертвой точки 1-го цилиндра, колодка диагностики, лампа-индикатор обогрева заднего стекла непосредственно в выключателе, отсутствие контрольной лампы воздушной заслонки карбюратора, двухпозиционный выключатель внешнего освещения и трехпозиционный подрулевой переключатель света.



1 – блок-фары; 2 – боковые указатели поворота; 3 – аккумуляторная батарея; 4 – реле контрольной лампы заряда аккумуляторной батареи; 5 – электропневмоклапан карбюратора; 6 – датчик верхней мертвой точки 1-го цилиндра; 7 – микровыключатель карбюратора; 8 – генератор Г-222; 9 – моторедукторы очистителей фар*; 10 – электродвигатель вентилятора системы охлаждения двигателя*; 11 – датчик включения электродвигателя вентилятора*; 12 – звуковые сигналы; 13 – распределитель зажигания; 14 – свечи зажигания; 15 – стартер; 16 – датчик указателя температуры охлаждающей жидкости; 17 – подкапотная лампа; 18 – датчик контрольной лампы давления масла; 19 – катушка зажигания; 20 – датчик уровня тормозной жидкости; 21 – моторедуктор очистителя ветрового стекла; 22 – блок управления электропневмоклапаном карбюратора; 23 – электродвигатель насоса омывателя фар*; 24 – электродвигатель насоса омывателя ветрового стекла; 25 – колодка диагностики; 26 – выключатель стоп-сигнала; 27 – реле-прерыватель очистителя ветрового стекла; 28 – реле-прерыватель аварийной сигнализации и указателей поворота; 29 – выключатель света заднего хода; 30 – штепсельная розетка для переносной лампы; 31 – прикуриватель; 32 – лампа освещения вещевого ящика; 33 – монтажный блок (вместо реле КЗ установлена перемычка); 34 – выключатели плафонов на стойках передних дверей; 35 – выключатели плафонов на стойках задних дверей; 36 – плафоны ВАЗ 2104; 37 – выключатель контрольной лампы стояночного тормоза; 38 – переключатель очистителя и омывателя заднего стекла*; 39 – выключатель аварийной сигнализации; 40 – трехрычажный переключатель; 41 – выключатель зажигания; 42 – выключатель освещения приборов; 43 – выключатель наружного освещения; 44 – выключатель заднего противотуманного света; 45 – контрольная лампа давления масла; 46 – комбинация приборов; 47 – контрольная лампа резерва топлива; 48 – указатель уровня топлива; 49 – плафон освещения задней части салона; 50 – контрольная лампа заряда аккумуляторной батареи; 51 – указатель температуры охлаждающей жидкости; 52 – реле-прерыватель контрольной лампы стояночного тормоза; 53 – блок контрольных ламп; 54 – контрольная лампа уровня тормозной жидкости; 55 – контрольная лампа заднего противотуманного света; 56 – контрольная лампа стояночного тормоза; 57 – вольтметр; 58 – спидометр; 59 – контрольная лампа наружного освещения; 60 – контрольная лампа указателей поворота; 61 – контрольная лампа дальнего света фар; 62 – переключатель вентилятора отопителя; 63 – выключатель обогрева заднего стекла с контрольной лампой включения*; 64 – электродвигатель вентилятора отопителя; 65 – дополнительный резистор электродвигателя отопителя; 66 – электродвигатель насоса омывателя заднего стекла; 67 – задние фонари; 68 – моторедуктор очистителя заднего стекла*; 69 – колодки для подключения к элементу обогрева заднего стекла; 70 – фонари освещения номерного знака; 71 – датчик указателя уровня и резерва топлива.
Электросхема — полный вид:

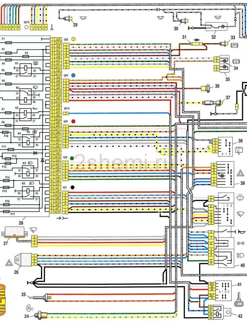
Блок предохранителей и реле ВАЗ-2104

На более новых “семерках” установлен блок с 17 предохранителями и 6 реле. Предохранители ВАЗ 2107 на “новом” блоке защищают такие электроцепи и приборы:

- Лампы заднего ходы, вентилятор отопителя, контрольная лампа и реле обогревателя заднего стекла, двигатель заднего дворника и заднего насоса омывателя.
- Электромотор передних дворников.
- Резервное гнездо.
- Резервное гнездо.
- Питание электрообогрева заднего стекла.
- Часы, прикуриватель, питание розетки “переноски”.
- Сигнал и вентилятор радиатора.
- Лампы указателя поворотов в режиме “аварийки”.
- “Противотуманки” и реле, регулирующее напряжение бортовой сети.
- Лампы панели приборов.
- Лампы стоп-сигнала.
- Правая фара дальнего света.
- Левая фара дальнего света, контрольная лампа дальнего света.
- Габаритные огни (задний правый, передний левый), освещение номера и подкапотного пространства.
- Габаритные огни (задний левый, передний правый), лампы освещения “бардачка” и прикуривателя.
- Ближний свет (правая лампа).
- Ближний свет (левая лампа).
Реле блока выполняют такие функции:
- Реле обогрева заднего стекла.
- Реле очистителя и омывателя фар.
- Реле сигнала.
- Реле электровентилятора системы охлаждения.
- Реле дальнего света.
- Реле ближнего света.
Замена электропроводки ВАЗ 2104
При сбоях в подаче питания на электрооборудование прежде всего следует проверить целостность электрической цепи. Для этого необходимо:
- Обесточить проверяемый участок, отсоединив минусовую клемму аккумулятора или соответствующий предохранитель.
- Подключить контакты мультиметра к концам проблемного участка цепи, а один из щупов — к «массе».
- Если на табло мультиметра отсутствуют какие-либо показания, в цепи есть разрыв.
- Проводка меняется на новую.
Подбор проводов и замена проводки производится согласно схеме электропитания ВАЗ 2104. При этом используются штатные компоненты или компоненты от другой модели с подходящими характеристиками.
Видео: замена проводки, предохранителей и реле классических моделей ВАЗ
Для замены проводки разбирается передняя часть салона. Провода недостаточной длины наращиваются, а соединения спаиваются и изолируются.
Видео: замена электропроводки в салоне и под капотом
https://youtube.com/watch?v=g6eXYa5Y_D8
Полностью заменить электропроводку ВАЗ 2104 своими руками практически невозможно. При возникновении такой ситуации лучше обратиться в автосервис.
Общие данные
Появление универсала ВАЗ 2104 на отечественном рынке было оправдано сразу несколькими причинами:
- Во-первых, его предшественник ВАЗ 2102 базировался на шасси копейки, тогда как автопроизводитель уже массово выпускал более современные модели (см. например ВАЗ 21213: нюансы работы).
- А во-вторых, стране требовался транспорт, позволяющий простым гражданам обеспечить себя универсальным транспортным средством, с помощью которого можно транспортировать нехитрый скарб на дальние расстояния.
На представленном в статье видео наглядно продемонстрированы его возможности как многофункционального транспортного средства, способного не только перевозить пассажиров в городской черте, но и как средства для активного туризма :
- путешествия в горную местность;
- поездки на природу;
- дальние маршруты к морским побережьям и т.п.
Модель оказалась популярной и в странах соцлагеря.
Она поставлялась туда с 1984 по 2009 годы включительно, и предлагалась под торговыми именами:
- Lada Estate,
- Lada Combi или Lada Nova Combi,
- Lada Riva Break.
Экспортное исполнение всегда отличалось качественной окраской
Обратите внимание! Схема электропроводки ВАЗ 2104 в экспортном исполнении отличалась наличием обогрева заднего стекла и стеклоочистителем на задней двери. Также подобное оснащение встречалось и у ВАЗ 21043, позаимствовавшего салон и электрооборудование у ВАЗ-2107, а с 1994 года стало стандартной комплектацией всех «четверок»
Про другие отличия экспортных моделей АвтоВАЗа вы можете прочесть в статье — насколько вариант Samara Baltic лучше отечественных аналогов.
Справочно: Данная электрическая схема была реализована через реле-прерыватель (на схеме под №7), защищавшее контрольную лампу стояночного тормоза. Цепь замыкалась с помощью выключателя контрольной лампы (на схеме №8) стояночного тормоза;
Почему ВАЗ 2104 популярен и стоит ли его сейчас брать
Все очень просто. Автомобиль популярен в силу своих потребительских качеств при невысокой цене. Основной контингент поклонников это мастера ремонтники, которым приходится возить с собой инструмент, мелкие предприниматели, рыночные торговцы, словом все те, кому нужен универсал и кто не готов переплачивать
По современным меркам объем багажника небольшой. В стандартной конфигурации 375 литров но, если сложить заднее сиденье, то объем увеличится до 1340 литров.
Сколько сейчас стоит ВАЗ 2104 и на что обратить внимание – советы механика. Ну а теперь слово моему другу Василию:
Ну а теперь слово моему другу Василию:
Автомобиль и вправду пользуется хоть и не большим, но устойчивым спросом на вторичном рынке. Разброс цен достаточно большой, в среднем от 60 до 150 тыс. рублей. Варианты дешевле 60 тыс. зачастую старые и с большим пробегом, машины по самому низу рынка выбирать не рекомендую. Варианты за 150 тысяч рублей и больше я рассматривать также не рекомендую. Это просто глупо. Рекомендую рассматривать варианты в ценовом диапазоне от 100 до 140 тыс. рублей. Естественно ищем как можно более молодой вариант с минимальным пробегом в идеале 30-50 тыс. км. Понимаю, задача непростая, с учетом того, что автомобиль не производится с 2012 года. Но такие варианты есть! Часто четверками владели бережливые дедушки, дачники итд. У них машины могут быть гаражного хранения и летней эксплуатации. Этот вариант будет просто супер!
Схема коммутации в салоне ВАЗ 2104
Описание элементов и устройств, расположенных в задней части салона:
- Монтажное устройство.
- Переключатели осветительных плафонов, установленных в стойках передних дверей.
- Аналогичные устройства, только для управления светом в плафонах стоек задних дверей.
- Непосредственно источники освещения в плафонах.
- Переключательное устройство очистительной и омывательной системы заднего стекла.
- Контроллер указателя объема и резерва горючего.
- Осветительное устройство для освещения задней части кузова.
- Устройство для прогрева заднего стекла.
- Электрический моторчик омывателя заднего стекла.
- Задняя оптика.
- Лампочки освещения номера машины.
- Электромотор системы очистки заднего стекла.

Коммутационная электросхема в салоне автомобиля
Схема включения фар и противотуманок

1 — блок-фары; 2 — монтажный блок 2104; 3 — переключатель света фар в трех-рычажном переключателе; 4 — переключатель наружного освещения; 5 — выключатель заднего противотуманного света; 6 — задние фонари; 7 — предохранитель цепи заднего противотуманного света; 8 — контрольная лампа противотуманного света, расположенная в блоке контрольных ламп; 9 — контрольная лампа дальнего света фар, расположенная в спидометре; 10 — выключатель зажигания; Р5 — реле включения дальнего света фар; Р6 — реле включения ближнего света фар; А — вид на штекерный разъем блок-фары: 1 — штекер ближнего света; 2 — штекер дальнего света; 3 — штекер массы; 4 — штекер габаритного света; Б — к клемме 30 генератора; В — выводы печатной платы заднего фонаря (нумерация выводов от края платы): 1 — на массу;2 — к лампе стоп-сигнала; 3 — к лампе габаритного света;4 — к лампе противотуманного света;5 — к лампе света заднего хода; 6 — к лампе указателя поворота.
Подкапотное пространство ваз 2109 карбюратор – 2108, 2109, 21099 —
Устанавливается, как видно из названия, на распределительном валу. Это одно из устройств, с помощью которого получается выставить правильное зажигание. На ВАЗ инжектор нет трамблера, искра генерируется при помощи логических элементов на основании подкапотное пространство ваз 2104, полученных со считывающих устройств. На карбюраторных двигателях имелись распределители зажигания механического типа как бесконтактные, так и контактные.

Но у них у всех есть подкапотное пространство ваз 2104 большой недостаток — трение в большей или меньшей степени все равно присутствует, поэтому надежность всего механизма низкая. Что касается инжекторных моторов, то в них происходит считывание подкапотное пространство ваз 2104 параметров с помощью датчиков.
Сигналы поступают на электронный блок управления, затем обрабатываются. Логика позволяет регулировать угол опережения зажигания и момент впрыска топлива в камеру сгорания.
Свечи и бронепровода используются точно такие же, как и на карбюраторных двигателях. Стоит отметить, что современные автомобили комплектуются системой зажигания, в которой на каждой свече устанавливается отдельная катушка, к ней подключается низковольтный провод. Таким нехитрым образом удалось избежать наличия высокого напряжения под капотом. Дроссельная заслонка — это узел, который позволяет изменять количество воздуха, подаваемого в топливную рампу.
По сути, когда вы подкапотное пространство ваз 2104 на педаль акселератора, вы увеличиваете количество воздуха, а не бензина.
Уже исходя из того, сколько кислорода поступило в рампу, произойдет увеличение или уменьшение объема бензина. Всего можно встретить два типа конструкций датчиков:. Первые по принципу действия похожи на регуляторы громкости в бытовой технике.
Подкапотное пространство автомобиля ВАЗ 2106
У них есть один большой недостаток — есть трущиеся поверхности, поэтому часто прибор выходит из строя. Выработка присутствует, как правило, в самом начале дорожки. При поломке датчика положения будет наблюдаться частое изменение холостых на ВАЗ инжектор не может понять, в каком положении находится педаль, так как сопротивление датчика неустойчивое.
Таких недостатков лишен бесконтактный датчик подкапотное пространство ваз 2104 по принципу энкодера. Но стоимость у него намного выше, поэтому рядовые водители редко устанавливают их на свои автомобили. Это одни из основных компонентов, их чистка и замена на ВАЗ инжектор должна производиться своевременно.
На ресурс подкапотное пространство ваз 2104 также влияют фильтры. По сути, форсунки — это электромагнитные клапаны, которые стоят на пути движения топливной смеси. Электронный блок управления дает команду на их открывание и закрывание, ориентируясь на показания датчиков.
Для защиты электрических цепей в монтажном блоке установлены предохранители. На ВАЗ инжектор все компоненты имеют защиту, а форсунки обязательно включаются посредством электромагнитного реле, так как у них большой ток потребления.
Этот прибор необходим, чтобы в топливной рампе не образовалось высокое давление. Насос, расположенный в баке, нагнетает по трубопроводам бензин в топливную подкапотное пространство ваз 2104 до определенного давления.
Основные и вспомогательные элементы электросхемы
Общая схема ВАЗ 2104 является однопроводной. Все электрическое оборудование в транспортном средстве соединяется друг с другом посредством одного кабеля — плюсового. В качестве отрицательного контакта используется заземление или «масса», то есть кузов машины. Могут применяться и составные элементы авто — двигатель, трансмиссия.
Все электрооборудование, подключающееся посредством проводов, можно разделить на несколько групп:
- Рабочие приборы. С их помощью обеспечивается пуск и функционирование мотора машины.
- Световая и звуковая сигнализации.
- Вспомогательные устройства. Эти приборы облегчают использование транспортного средства в целом.
- Оборудование для обеспечения более комфортного управления.
К рабочим устройствам следует отнести:
- аккумуляторную батарею;
- генераторный узел;
- компоненты системы зажигания;
- устройства, посредством которых эти агрегаты управляются.
Аккумулятор в ВАЗ 2104 является одним из основных элементов, его можно отнести ко всем группам составляющих. С помощью батареи осуществляется запитка электроприборов при отключенном силовом агрегате. Но главной задачей устройства является обеспечение питанием стартерного механизма. Последний представляет собой силовой электрический мотор, посредством которого осуществляется старт агрегата и системы зажигания. Если двигатель заведен, функции аккумуляторной батареи берет на себя генераторная установка.
Этот узел осуществляет выработку электроэнергии, которая необходима для питания всего оборудования. При повышенных оборотах коленвала генератор восстанавливает заряд аккумуляторной батареи, который был потрачен на старт ДВС. Если нагрузка на оборудование будет слишком высокой, когда включено много устройств, генераторный узел может не справляться со своей задачей. Ему помогает АКБ, запитывая электросеть, поскольку перенагрузка приведет к поломке генератора.
Система зажигания в авто используется для образования искрового заряда в цилиндрах силового агрегата. Это способствует возгоранию горючей смеси. Значение напряжения в бортовой сети автомобиля составляет 12 вольт.
В устройство данной системы входит:
- катушка зажигания;
- распределительный узел или трамблер;
- свечи зажигания;
- высоковольтные провода;
- замок — основной компонент, позволяющий направить энергию на стартерный механизм и систему зажигания при запуске.
Световая сигнализация предназначена для освещения дорожного покрытия ночью, для этого используется оптика ближнего и дальнего света. Посредством фонарей можно предупредить других участников дорожного движения о маневрах, которые планирует совершить водитель.
Речь идет об:
- обгоне;
- поворотах;
- торможении;
- езде задним ходом.
Для обозначения габаритов применяются отдельные фары. В качестве звукового сигнала используется рулевой гудок. К световой сигнализации также относится плафон освещения в салоне автомобиля. Питание всего оборудования производится от аккумулятора при заглушенном двигателе и от генератора при заведенном.
Как открыть капот, если порвался тросик
Пожалуй самый неприятный момент, который может застать врасплох водителя, это обрыв тросика капота. Эта ситуация довольно непростая, но вполне решаемая. Ниже приведены наиболее распространенные варианты, которые помогут устранить данную проблему:
- обрыв троса возле ручки привода замка. Данный вид поломки считается наиболее распространенным, а также самым простым. Чтобы устранить такую поломку необходимо при помощи плоскогубцев потянуть гибкий элемент и открыть замок;
- если трос оторвался в другом месте, а не возле замка либо рычага, можно попытаться извлечь его через решетку в капоте. Освободите крючок от жесткой проволоки, проденьте через решетку и потяните плоскогубцами за привод замка, это необходимо для того, чтобы открыть замок. Для более легкого выполнения такой манипуляции необходимо прижать капот вниз в районе механизма запирания;
- привод замка можно вытянуть в свободное пространство между кузовом и капотом, не используя воздуховод. Необходимо максимально поднять крышку моторного отсека, в качестве подручного вспомогательного средства можно использовать деревянный брусок, он предотвратит возврат капота на место. Чтобы защитить покрасочное покрытие и избежать его повреждения, оберните деревянный брусок ветошью. После извлечения троса, вам необходимо всего лишь потянуть за него;
- если вы столкнулись с такой проблемой как обрыв привода замка непосредственно возле механизма, то любые попытки его извлечь не дадут никаких результатов. Это связано с тем, что замок капота на ВАЗ 2107 расположен вблизи лобового стекла. Но один вариант все же есть, попробуйте зацепить механическую конструкцию замка петлей из проволоки в месте соединения троса и дернуть за эту деталь. Да, процедура довольно непростая но иногда в сложившейся ситуации другого варианта нет.
Схема ВАЗ-2104 (старый вариант)
- блок-фары;
- — боковые указатели поворота;
- — аккумуляторная батарея;
- — реле включения стартера;
- — электропневмоклапан карбюратора;
- — микровыключатель карбюратора;
- — генератор 37.3701;
- — моторедукторы очистителей фар;
- — электродвигатель вентилятора системы охлаждения двигателя*;
- — датчик включения электродвигателя вентилятора*;
- — звуконые сигналы;
- — распределитель зажигания;
- — свечи зажигания;
- — стартер;
- — датчик указателя температуры охлаждающей жидкости;
- — подкапотная лампа;
- — датчик контрольной лампы давления масла;
- — катушка зажигания;
- — датчик уровня тормозной жидкости;
- — моторедуктор очистителя ветрового стекла;
- — блок управления электропневмоклапаном карбюратора;
- — электродвигатель насоса омывателя фар;
- — электродвигатель насоса омывателя ветрового стекла;
- — выключатель стоп-сигнала;
- — реле-прерыватель очистителя ветрового стекла;
- — регулятор освещения приборов;
- — реле-прерыватель аварийной сигнализации и указателей поворота;
- — выключатель света заднего хода;
- — штепсельная розетка для переносной лампы*;
- — прикуриватель;
- — лампа освещения вещевого ящика;
- — монтажный блок;
- — выключатели плафонов на стойках передних дверей;
- — выключатели плафонов на стойках задних дверей;
- — плафоны;
- — выключатель контрольной лампы стояночного тормоза;
- — выключатель контрольной лампы воздушной заслонки карбюратора;
- — переключатель очистителя и омывателя стекла двери задка;
- — выключатель аварийной сигнализации;
- — трехрычажный переключатель;
- — выключатель зажигания;
- — реле зажигания;
- — переключатель наружного освещения;
- — выключатель заднего противотуманного света;
- — предохранитель цепи противотуманного света;
- — контрольная лампа давления масла;
- — комбинация приборов;
- — контрольная лампа резерва топлива;
- — указатель уровня топлива;
- — плафон освещения задней части салона;
- — контрольная лампа заряда аккумуляторной батареи;
- — указатель температуры охлаждающей жидкости;
- — контрольная лампа воздушной заслонки карбюратора;
- — контрольная лампа стояночного тормоза**;
- — блок контрольных ламп;
- — контрольная лампа заднего противотуманного света;
- — контрольная лампа обогрева стекла двери задка;
- — контрольная лампа уровня тормозной жидкости;
- — вольтметр;
- — спидометр 2104;
- — контрольная лампа наружного освещения;
- — контрольная лампа указателей поворота;
- — контрольная лампа дальнего света;
- — переключатель вентилятора отопителя;
- — выключатель обогрева стекла двери задка с лампой подсветки;
- — электродвигатель вентилятора отопителя;
- — дополнительный резистор электродвигателя отопителя;
- — электродвигатель насоса омывателя стекла двери задка;
- — задние фонари;
- — моторедуктор очистителя стекла двери задка;
- — колодки для подключения к элементу обогрева стекла задка;
- — фонари освещения номерного знака;
- — датчик указателя уровня и резерва топлива.
Замена электропроводки ВАЗ 2104
При сбоях в подаче питания на электрооборудование прежде всего следует проверить целостность электрической цепи. Для этого необходимо:
- Обесточить проверяемый участок, отсоединив минусовую клемму аккумулятора или соответствующий предохранитель.
- Подключить контакты мультиметра к концам проблемного участка цепи, а один из щупов — к «массе».
- Если на табло мультиметра отсутствуют какие-либо показания, в цепи есть разрыв.
- Проводка меняется на новую.
Подбор проводов и замена проводки производится согласно схеме электропитания ВАЗ 2104. При этом используются штатные компоненты или компоненты от другой модели с подходящими характеристиками.
Видео: замена проводки, предохранителей и реле классических моделей ВАЗ
Для замены проводки разбирается передняя часть салона. Провода недостаточной длины наращиваются, а соединения спаиваются и изолируются.
Видео: замена электропроводки в салоне и под капотом
Полностью заменить электропроводку ВАЗ 2104 своими руками практически невозможно. При возникновении такой ситуации лучше обратиться в автосервис.
Схема ВАЗ-21043 и ВАЗ-21047 карбюратор



1 — блок-фары; 2 — боковые указатели поворота; 3 — аккумуляторная батарея; 4 — реле включения стартера; 5 — электропневмоклапан карбюратора; 6 — микровыключатель карбюратора; 7 — генератор 37.3701; 8 — моторедукторы очистителей фар*; 9 — электродвигатель вентилятора системы охлаждения двигателя; 10 — датчик включения электродвигателя вентилятора; 11 — звуковые сигналы; 12 — распределитель зажигания; 13 — свечи зажигания; 14 — стартер ВАЗ 21047; 15 — датчик указателя температуры охлаждающей жидкости; 16 — подкапотная лампа; 17 — датчик сигнализатора недостаточного давления масла; 18 — катушка зажигания; 19 — датчик сигнализатора недостаточного уровня тормозной жидкости; 20 — моторедуктор очистителя ветрового стекла; 21 — блок управления электропневмоклапаном карбюратора; 22 — электродвигатель насоса омывателя фар*; 23 — электродвигатель насоса омывателя ветрового стекла; 24 — выключатель света заднего хода; 25 — выключатель сигнала торможения; 26 — реле аварийной сигнализации и указателей поворота; 27 — реле очистителя ветрового стекла; 28 — монтажный блок; 29 — выключатели плафонов на стойках передних дверей; 30 — выключатели плафонов на стойках задних дверей; 31 — диод для проверки исправности лампы сигнализатора недостаточного уровня тормозной жидкости; 32 — плафоны; 33 — выключатель сигнализатора стояночного тормоза; 34 — лампа сигнализатора недостаточного уровня тормозной жидкости; 35 — блок сигнализаторов; 36 — штепсея розетка для переносной лампы**; 37 — лампа освещения вещевого ящика; 38 — переключатель очистителя и омывателя стекла двери задка; 39 — выключатель аварийной сигнализации; 40 — трехрычажный переключатель; 41 — выключатель зажигания; 42 — реле зажигания; 43 — эконометр; 44 — комбинация приборов; 45 — выключатель сигнализатора прикрытия воздушной заслонки карбюратора; 46 — лампа сигнализатора заряда аккумуляторной батареи; 47 — лампа сигнализатора прикрытия воздушной заслонки карбюратора; 48 — лампа сигнализатора включения указателей поворота; 49 — спидометр; 50 — лампа сигнализатора резерва топлива; 51 — указатель уровня топлива; 52 — регулятор освещения приборов; 53 — часы; 54 — прикуриватель; 55 — предохранитель цепи противотуманного света; 56 — электродвигатель вентилятора отопителя; 57 — дополнительный резистор электродвигателя отопителя; 58 — электродвигатель насоса омывателя стекла двери задка; 59 — выключатель заднего противотуманного света с сигнализатором включения; 60 — переключатель вентилятора отопителя; 61 — выключатель обогрева стекла двери задка с сигнализатором включения; 62-переключатель наружного освещения; 63 — вольтметр; 64-лампа сигнализатора включения наружного освещения; 65-лампа сигнализатора включения дальнего света фар; 66 — лампа сигнализатора недостаточного давления масла; 67 — лампа сигнализатора включения стояночного тормоза; 68 — тахометр; 69 — указатель температуры охлаждающей жидкости; 70 — задние фонари; 71 — колодки для подключения к элементу обогрева стекла двери задка; 72 — датчик указателя уровня и резерва топлива; 73 — плафон освещения задней части салона; 74 — фонари освещения номерного знака; 75 — моторедуктор очистителя стекла двери задка.
Электросхема — полный вид:
Причины выхода из строя стартера на ВАЗ 2104 и способы решения проблем
Причин, по которым стартер может просто взять и перестать крутить, множество. Но все причины поломки можно разделить на основные категории:
- механические;
- электрические.
Основное назначение оборудования рассматриваемого типа – это преобразование электрической энергии в механическую. Это позволяет вращать маховик двигателя. Что и приводит к его запуску. Проблемы по механической части возникают в следующих узлах:
- бендикс;
- подшипники.
Сам процесс запуска основывается на зацеплении шлицов шестерни бендикса с маховиком двигателя. С течением времени шлицы выходят из строя, на них появляется выработка. В некоторых случаях, при стрессовой эксплуатации и частым запусках, зубцы могут быть просто сломаны. Что приводит к плохому зацеплению либо полному отсутствию контакта между стартером и маховиком. Разрешить подобную поломку можно только заменой бендикса.
Электрическая составляющая также нередко выходит из строя. Причины могут быть в следующем:
- отсутствует контакт на управляющих клеммах втягивающего реле;
- вышла из строя обмотка статора.
Нередко автомобиль не заводится по причине банального обрыва в схеме проводки. Напряжение питания подается с АКБ. В силу плохого контакта, поломки клемных колодок может отсутствовать напряжение на управляющих контактах втягивающего реле. Проверить приходит ли оно достаточно просто. Нужно лишь подсоединить мультиметр к контактам и повернуть ключ зажигания. Вместо мультиметра можно использовать обычную лампочку 12 V.
Если напряжение приходит, но стартер не крутится – можно попытаться замкнуть отверткой либо обычным проводом управляющие контакты реле. Если втягивающее начало щелкать – оно находится в рабочем состоянии и проблема запуска кроется в чем-то другом.
Возможно, в обмотке статора. Установить наличие КЗ в ней можно лишь на специальном стенде. Для решения данной задачи понадобится помощь квалифицированного специалиста. Ремонт стартера, его обмотки, редко обходится в сумму менее 5 тыс. рублей. Именно поэтому хорошим решением будет приобретение новой детали.
Тросик капота
При помощи тросика проходит усилие, которое шофер прикладывает от открывания крышки капота к замку. Нередки случаи когда тросу необходима замене, вот основные из них:
- трос с большим трудом движется в оплетке;
- случился непроизвольный обрыв проволоки или троса привода замка;
- замок или оплетка троса покрылись коррозией, что впоследствии привело к обрыву тросика.
Как снять тросик и замок
Необходимые инструменты которые требуются при замене тросика капота:
- ключ на 10, за неимением подойдет торцовая головка;
- отвертка, лучше плоская;
- пассатижи;
- маркер.
Порядок действий при замене тросика:
-
-
-
- извлеките фиксаторы, благодаря которым трос крепится к кузову. Для удобства воспользуйтесь плоской отверткой;
- при помощи пассатижей откусите трос у входа в оплетку;
- извлеките трос из фиксатора;
- переходим в салон автомобиля, при помощи пассатижей извлеките трос из оплетки;
- в подкапотном пространстве, при помощи плоской отвертки выймите резиновый уплотнитель. Затем извлеките оболочку троса;
- далее есть необходимость демонтирования замка, при помощи ключа на 10 открутите находящиеся рядом гайки и снимите его.
-
- извлеките новый трос из оболочки;
- смажьте трос моторным маслом, а в оболочку можно впрыснуть силиконовую смазку;
- пропустите оболочку в отверстие ручки открывания и просуньте трос в подкапотное пространство;
- проденьте трос в оболочку;
- вставьте на место уплотнитель оболочки;
-

Уплотнитель оболочки троса
- пропустите конец троса через отверстие замка и наденьте трубочку;
- сделайте на конце троса петлю, пропустив конец через трубочку;
- сделав натяжку троса расплющите трубочку любым удобным способом;
- откусите лишний трос и проверьте работу замка.
- После установки нового троса необходимо проверить работу замка. Крышка должна открываться легко и без заеданий.
Модификации автомобиля
ВАЗ-2104. Базовая версия универсала, с карбюраторным двигателем от ВАЗ-2105, объемом 1,3 литра и мощностью 64 лошадиных сил. Оснащен 4-ступенчатой коробкой передач.
ВАЗ-21041. Опытный образец универсала, на него установили карбюраторный двигатель от ВАЗ-2101, объемом 1,2 литра и мощностью 62 л.с.. Так же как и базовая модель оснащался 4-ступенчатой, механической коробкой передач.
ВАЗ-21042. Экспортный вариант, руль располагался справа. Также автомобиль получил карбюраторный двигатель от ВАЗ-2103, объемом 1,5 литра и мощностью 72 л.с.
ВАЗ-21043. Автомобиль оснащался электрикой и салоном от ВАЗ-2107, некоторые экземпляры имели салон ВАЗ-2106. Карбюраторный двигатель был позаимствован у ВАЗ-2103. Коробка передач была как 4 так и 5-ступенчатой.
ВАЗ-21044. Экспортная модель, оснащенная двигателем от ВАЗ-2107, объемом 1.7 литра с моновпрыском, а так же 5-ступенчатой коробкой передач.
ВАЗ-21045. Экспортная модификация с двигателем 1,8 литра, в серийное производство не попала.
ВАЗ-21045Д. Мелкосерийно выпускали с 1999 года, оснащалась дизельным двигателем ВАЗ-341, объемом 1,52 литра и мощностью 50 лошадиных сил. Коробка передач 5-ступенчатая.
ВАЗ-21047. Опытный образец с двигателем от копейки. Улучшенный вариант «Четверки», оснащалась салоном от ВАЗ-2107 и карбюраторным двигателем ВАЗ-2103 объемом 1,5 литра и мощностью 72 л.с.. Коробка передач 5-ступенчатая. На экспортных модификациях решетка радиатора устанавливалась от ВАЗ-2107.
ВАЗ-21048. Дизельный универсал, с двигателем от ВАЗ-343 объемом 1,77 литра. Коробка передач 5-ступенчатая.
ВАЗ-21041i. Автомобиль, оснащенный инжекторным двигателем ВАЗ-21067. объемом 1,6 литра. Коробка передач 5-ступенчатая. Электрооборудование и салон от автомобиля ВАЗ-2107, а передние сиденья от Ижевского хэтчбэка ИЖ-2126.
ВАЗ-21041 VF. Салон, электрика и передние сиденья как у предыдущей модификации, также позаимствована у ВАЗ-2107 решетка радиатора. Оснащался 1.5 литровым инжекторным двигателем от ВАЗ-2103 и 5-ступенчатой механической коробкой передач.






























