Основные причины неисправностей стеклоподъемников
Перед снятием дверных карт, чтобы добраться до электродвигателя и самого механизма, требуется определить причину неисправности, хотя бы приблизительно.
Как правило, причины поломки связаны с электрикой, или с механикой
Не важно, какие будут стеклоподъемники – правый или левый, и в какой двери — передней или задней

Часто стекла не открываются из-за проблем по электрике, например:
Иногда ломается кнопка стеклоподъемника, у Лады Гранты она при поломке часто выпадает. Ремонтировать кнопку нет особого смысла, лучше купить новую, она сейчас стоит от 520 рублей (блок переключателей на две кнопки).
Механические проблемы стеклоподъемников Лада Гранта случаются значительно реже, чем по электрической части.

В принципе, механические проблемы часто диагностируются без проверки электрической части – для этого нужно рассмотреть детали визуально.
Вводная информация о схеме подключения стеклоподъемников Гранта без использования реле
Схема подключения стеклоподъемников в автомобиле Гранта без использования реле является простой и эффективной. Она предназначена для обеспечения удобного подъема и опускания стекол без необходимости дополнительного оборудования. Данная схема позволяет упростить установку и снизить затраты на материалы.
Для подключения стеклоподъемников без использования реле потребуются следующие материалы и инструменты:
- Стеклоподъемники Гранта;
- Провода;
- Разъемы;
- Отвертка;
- Паяльник;
- Термоусадочные трубки;
- Оплетка для проводов (опционально).
Схема подключения предусматривает прямое соединение стеклоподъемников с кнопками, расположенными на двери водителя и пассажира. Для этого необходимо выполнить следующие шаги:
- Отключите аккумуляторный аккумулятор.
- Разберите дверные панели, чтобы получить доступ к стеклоподъемникам и кнопкам.
- С помощью отвертки отсоедините провода от кнопок стеклоподъемников на дверной панели.
- Подключите провода со стеклоподъемников к кнопкам соединительными разъемами.
- Закрепите разъемы проводов с помощью пайки или термоусадочных трубок.
- Поставьте обратно дверные панели и закрепите их на месте.
- Подключите аккумуляторный аккумулятор.
Теперь стеклоподъемники Гранта должны функционировать без использования реле. При нажатии кнопок на дверях водителя или пассажира стекла должны подниматься или опускаться в соответствии с желаемым направлением движения.
Важно помнить, что данная схема подключения подходит специфически для автомобилей Гранта и может не подходить для других моделей. Для безопасности и правильной работы рекомендуется обратиться к профессионалам для установки и настройки стеклоподъемников
Порядок действий, если не работает стеклоподъемник
1. В монтажном блоке проверить предохранитель электростеклоподъемников (F2, 30A) и реле электростеклоподъемников (К2).
2. Снять обшивку двери и проверить напряжение на клеммах моторчика, используя мультиметр или тест-лампу на 12В.
Если напряжения нет, тогда проверяем исправность:
- кнопки стеклоподъемника
- проводки (соединение разъемов)
- блока управления электропакетом (центральный блок кузовной электроники), который устанавливается на «люкс» комплектациях автомобиля
- блока центрального замка
Если на моторчик ток приходит, но стекло не двигается, то причины может быть несколько:
- неисправность моторчика стеклоподъемника (например, западение/залипание щеток двигателя привода, износилась пластиковая шестерня в редукторе)
- перетерся тросик стеклоподъемников
- стекло зажато (перекос)
По результатам опроса «что было причиной неисправности электростеклоподъемников» выяснилось:
- в 50% случаев проблема была в электродвигателе стеклоподъемника
- у 22% причина была в тросике стеклоподъемников
- остальные 28% разделились на части (перекос стекла, неисправности в кнопке стеклоподъемников и проводке)
Подробные схемы узлов и блоков

1 – фара правая; 2 – электродвигатель омывателей; 3 – фара левая; 4 – стартер ВАЗ-2190; 5 – батарея аккумуляторная; 6 – блок предохранителей основной; 7 – генератор; 8 – сигнал звуковой; 9, 10, 11 – колодки жгута проводов переднего к колодкам жгута проводов панели приборов; 12 – выключатель лампы света заднего хода; 13 – электровентилятор системы охлаждения двигателя.

1 – датчик контрольной лампы давления масла; 2 – генератор; 3 – дроссельный патрубок с электроприводом; 4 – датчик температуры охлаждающей жидкости; 5 – колодка жгута проводов системы зажигания к колодке жгута проводов панели приборов; 6 – электромагнитный клапан продувки адсорбера; 7 – датчик скорости ВАЗ-2190; 8 – датчик массового расхода воздуха; 9 – датчик положения коленчатого вала; 10 – датчик концентрации кислорода; 11 – контроллер; 12 – датчик концентрации кислорода диагностический; 13 – катушки зажигания; 14 – свечи зажигания; 15 – форсунки Lada Granta; 16 – колодки жгута проводов системы зажигания и жгута проводов форсунок; 17 – датчик детонации.
Схема электрическая модуля управления светотехникой Лада Гранта


1, 2 – колодки жгута проводов заднего к колодкам жгута проводов панели приборов; 3 – боковой указатель поворотов правый; 4 – боковой указатель поворотов левый; 5 – датчик ручного тормоза; 6 – элемент обогрева заднего стекла; 7 – плафон освещения салона; 8 – выключатель в ремне безопасности водителя; 9 – фонарь освещения багажника; 10 – модуль электробензонасоса; 11 – фонарь правый; 12 – электродвигатель блокировки багажника; 13 – выключатель плафона освещения салона; 14 – дополнительный сигнал торможения; 15 – фонарь левый; 16 – колодка жгута проводов заднего к колодке жгута проводов задней левой двери; 17 – колодка жгута проводов заднего к колодке жгута проводов задней правой двери; 18 – колодка жгута проводов заднего к колодке жгута проводов передней правой двери; 19 – колодка жгута проводов заднего к колодке жгута проводов передней левой двери; 20 – блок управления надувных подушек безопасности; 21 – колодка жгута проводов заднего к колодке жгута проводов фонарей освещения номерного знака.
Схема соединений жгута проводов передней правой двери

1 – колодка жгута проводов передней правой двери к колодке жгута проводов заднего; 2 – электродвигатель стеклоподъемника; 3 – замок правый передний Lada Granta; 4 – переключатель стеклоподъемника; 5 – колодки жгута проводов передней правой двери к громкоговорителю переднему правому.
Схема соединений жгута проводов передней левой двери

1 – колодка жгута проводов передней левой двери к колодке жгута проводов заднего; 2 – электродвигатель стеклоподъемника; 3 – замок левый передний; 4 – блок переключателей; 5 – колодки жгута проводов передней левой двери к громкоговорителю переднему левому.
Схема электросоединений жгута проводов фонарей освещения номерного знака

1 – колодка жгута проводов фонарей освещения номерного знака к колодке жгута проводов заднего; 2 – фонарь освещения номерного знака ВАЗ-2190; 3 – фонарь освещения номерного знака.
Аналогичные товары
Нравится магазин? Оцени на Маркете!Фамильевич Евген
Очень хороший магазин,рекомендую!
Аминев Максим
Лучший магазин стеклоподъёмников в России!:)
Латышева Июлия
Быстрое? оформление и отправление заказа, полная и точная информация о заказе.
Осипов Алексей
сразу-же перезвонили ,уточнили заказ.Заказ пришёл раньше срока.
сафаров олег
Молодцы. Оперативно работаете. И самое главное цены приемлемые .так держать!!
Николай Сотниченко
Достоинства:
Хорошая скорость обработки заказов.Приятное общение у сотрудников.
Недостатки: нет.
Руслан Лукоянов
Я очень доволен работой магазина, всё без обмана и быстрая доставка. Так держать!
Дорофеев Тимофей
Магазин безусловно рекомендую. Очень быстро и чётко. Другим интенет-магазинам получится бы.
сухоловский виталий
Достоинства:
Недостатки: нет
Шаг 3: Установка электропроводки
1. Подготовка проводки
Перед установкой электропроводки необходимо убедиться в ее сохранности и отсутствии повреждений. Для этого рекомендуется осмотреть проводку на наличие изломов, трещин и прочих дефектов, а также проверить ее полную комплектность.
Если повреждения обнаружены, следует заменить испорченный участок проводки. Для этого необходимо обрезать поврежденный участок проводки и заменить его на новый, соединив провода при помощи клеммного соединителя.
2. Процесс подключения проводки
После того, как проводка проконтролирована и готова к установке, можно приступать к ее подключению. Для этого нужно убедиться в соответствии цветов проводов, так как только правильное соединение обеспечит правильную работу стеклоподъемника.
Далее следует подготовить соединительные элементы для подключения проводов. Обычно для этого используются клеммные соединители либо зажимы. Присоединяем провода к соединителям, не забываем соблюдать порядок цветов, и приступаем к обжиму зажимов либо скручиванию концов проводов.
Убедившись в надежности и качестве всей системы электропроводки, следует закрепить ее и установить в соответствующее место. После этого можно приступать к подключению и настройке стеклоподъемника.
Как снять кнопку стеклоподъемника на гранте
Переключатели электростекло-подъемников установлены в обивку дверей. На двери водителя установлен блок с переключателями всех электростеклоподъемников. В зависимости от комплектации на части автомобилей могут быть установлены стеклоподъемники в задних дверях.
Для снятия переключателей желательно демонтировать обивку двери, поскольку при попытке извлечь ее поддевая отверткой, велика вероятность повредить обивку и сам переключатель.
Работа показана на примере блока переключателей на водительской двери. Снятие и установка переключателя элсктростсклоподъемника на пассажирской двери выполняется аналогично.
1. Снимаем обивку двери
2. Сжимаем два фиксатора.
и извлекаем блок переключателей элсктростеклоподъемников.
Проверить переключатель можно мультиметром в режиме омметра. Коммутация выводов переключателя показана на общей схема электрооборудования автомобиля
Вступайте в наш клуб, делитесь первыми впечатлениями о машине, заведите свой блог на нашем сайте. В ближайшее время мы проведём конкурс на самый лучший отзыв о Ладе Гранта.
Как вы понимаете по местам нахождения язычков
А вот на водительской (здесь по бокам нету, только два спереди и два сзади)
Снимается модуль аналогично, но либо двумя отвертками, либо чем-то широким (снимать второй раз ради фото не стал. Я вообще снимал снимая обшивку чтоб найти где эти язычки. )
Далее несем их домой. Держатся они 5ю мя защелками (по две сбоку и одна ) Я под каждую впихивал колпачок, а потом 5ю подевал отверткой и вытаскивал
Не потеряйте вот эти штучки:
Стоят с двух сторон от платы в прорезях
Видим следующее: Обведен сам диод
Выпаиваем его. Вот он на ленте рядышком:DDD
Далее берем нож и сдираем лак с дорожек, дабы увеличить площадь. Сдираем, лудим, и приваем диод с ленты. Уголком в сторону бОльшей части платы
Желым обозначен уголок на диоде. Проверяется подачей 12в на соответствующие клеммы. На плате «+» написан, но на всякий случай отметил и на фото.
Собирается просто: ставим основную часть, если выпали пластинки ставим их на место. берем в руки часть с кнопкой и держа ее за корпус так, чтобы не нажать на кнопку просто защелкиваем на место.
Советы по установке эсп
- Электроподъемники производят многие фирмы, существуют различные конструкции. Но не стоит покупать детали неизвестных производителей, и следует учитывать, что тросиковые стеклоподъемники быстро выходит из строя. Надежнее всего ЭСП планочного и реечного типа. В среднем комплекты подъемников из 2 шт. на автомобили ВАЗ стоят приблизительно от 2500 до 3000 рублей, слишком низкая цена должна настораживать.
- Чтобы механизм надежно поднимал и опускал стекло, необходимо направляющие в дверных проемах смазать силиконовой смазкой.
- Универсальные электростеклоподъемники всегда хуже по качеству тех деталей, которые специально предназначены для той или иной модели. Лучше универсальные ЭСП не приобретать – они обычно служат недолго.
- Многие водители устанавливают кнопки ЭСП на панели приборов или рядом с рычагом КПП, но здесь есть небольшой минус – приходится тянуть провода. Удобнее смонтировать кнопки на дверном подлокотнике – не приходится путаться в электропроводке, меньше времени занимает монтаж подъемников, водителю удобно поднимать и опускать стекло.
Установка
Для установки, не потребуются ни какие специальные приспособления, приборы и другая техника. Весь процесс установки банален и будет прост для любого человек мужского пола. Главное чтобы было желание и умелые, виртуозные руки. Прежде чем начинать установку нужно заранее приобрести пяти контактное стандартное реле для вазовских моделей авто. Потом происходит непосредственно сама установка доводчика, для этого требуется всего лишь провести провод под дверной обивкой и все. Но самую главную все-таки здесь роль играет сигнализация, так как от нее идет свободный открытый канал, которому и подсоединяется автоматическая система доводчика стекла.
Через этот канал сигнализации, происходит подача отрицательного импульса, который опрашивает датчики.
Когда уже подошли к финишной прямой установки доводчика, то необходимо обязательно отключить минусовой провод питания от АКБ. Это своего рода защита от короткого замыкания, которое может произойти и повредить всю электропроводку автомобиля. Эти действия нужно выполнит в обязательном порядке.
Следующим моментом становится снятие дверной карты с водительской двери. При снимании нужно действовать аккуратно, чтобы не повредить и не деформировать ее. Если нет в наличии, тогда лучше купить заблаговременно ежики-клипсы. Новые они лучше, не будет переживаний по поводу плохого закрепления.
После чего происходит снятие разъемов с модуля управлением стеклоподъемниками в модели Лада Гранта.
Жаль нельзя выбрать просто пункт заголовка Доработки , ибо это не тюнинг, а доработка.
И так, наконец дошли руки поставить ЭСП вместо ручек. Собирался ооочень долго, эсп пролежали около месяца точно: лень, дела и т.д. и т.п. Постепенно все необходимое собралось в кучу-заводские кнопки, проводка, клеммы и много всего мелкого. Т.к. отпуск закончился, делал по выходным частями. Надо упомянуть, что схему, удовлетворяющую мне, я нашел тут же, набросал ее со всеми обозначениями под свои условия на бумагу.
Затем вооружившись штангенциркулем и гвоздем отметил с отцом точку сверления единственного отверстия. Использовал рекомендованное в руководстве завода сверло диаметром 6,5мм, Поставив с крепким словцом механизмы, подрезал шторку стекла. битум, на который она крепилась я не удалял, он пригодился. В комплекте с ЭСП идут кусочки сырой резины, решили с отцом использовать штатные резинки. По высоте они немного высоковаты, но на скорость это никак не влияет. Вставив их в держатели, аккуратно подвели их к стеклу и совместили все это. Т.к. битум на стекле я оставил, он обеспечил более надежную фиксацию стекла в держателе. Пару раз прогнав стекло и убедившись, что все работает как надо занялся укладкой проводки и установкой карт на место. Пока заметил одну особенность, в крайнем низком положении пассажирское стекло дребезжит, но стоит чуть поднять его-все прекращается. По скорости пассажирское медленнее, но не вижу в этом ничего критического, для выравнивания скорости нужно осуществить расключение через 2 реле, для чего здесь можно найти схемы. Постарался описать все, к сожалению фото, кроме одного не осталось.
p.s. данные эсп буквально чудом нашел в городе, ибо везде были либо калиновские либо форвард, и по относительно вкусной цене. ЭСП Гранат-3150р кнопки(2 шт)
500р провод 2 мотка по 10 метров 1мм2(осталось чуть меньше метра, НО оставил запас в дверях и про протяжке), клеммы и т.д.
500р трудодни- при неспешной работе, не влезая в ЧЯ
3-4 дня
Всем удачи! Спасибо за внимание!(не ожидал от себя столько писанины)
Об условных обозначениях
Напомним, что практичная модель Лада Гранта «пошла» в серию еще в 2011 г. Данный современный автомобиль насыщен новыми модификациями сложных приборов и электронных устройств. Все это имеет целью доставить водителю максимум комфорта при езде. Сегодня «ВАЗ» выпускает Лада Гранта в трех версиях в плане комплектации:
У первых двух вариантов одинаковая схема электропроводки, а в «Люксе» она другая. Обидно, что в заводской инструкции по эксплуатированию авто отсутствует данная схема электропроводки. Однако не спешите расстраиваться, ведь такой альбом со всем перечнем схем можно приобрести в рыночной сети авто-товаров.
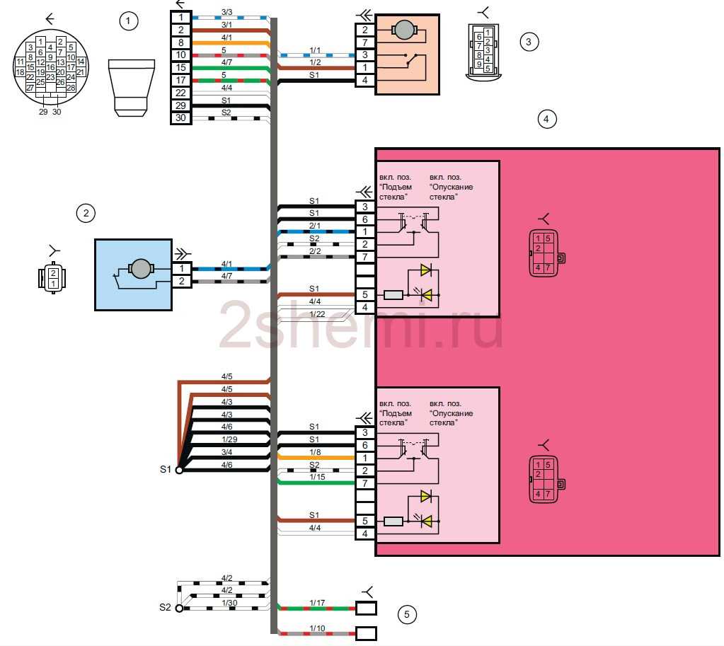
Разводка электрических кабелей подразумевает присутствие большого числа жгутов. Схема электропроводки располагает условными обозначениями и порядковыми номерами, каждый из которых присвоен строго конкретному токоприемнику. Эти потребители на схеме коммутируются в общую сеть посредством условных линий. Чтобы повысить наглядность, разработчики применили для линий разные цвета. Далее провода собираются в жгуты, которые соединяются с электрическими блоками посредством специальных разъемов.
Первая цифра в маркировке провода обозначает штекер, разъем или же клемму, к которой подводится данный кабель. Цифра, присутствующая за знаком дроби, свидетельствует о своем соответствии номеру контакта токоприемника.
С принципом работы конкретно взятого электронного блока читатель может ознакомиться в самостоятельном режиме. Если неисправности незначительные, то они не создают затруднений в процессе ремонта или замены. Но ситуация меняется, когда из строя выбыл сложный узел, что подразумевает необходимость обращаться к электрикам. Для понимания ситуации с неисправностью конкретного токоприемника от владельца LADA Granta не требуется помнить все детали и мелочи компоновочного чертежа, а достаточно будет знать место размещения устройства и особенность подводящей к нему проводки.
Также полезной будет информация о приемах, позволяющих оперативно заменить пришедший в негодность предохранитель или реле. В монтажном блоке Лада Гранта предусмотрены резервные предохранители и реле такого же характера. Предохранительные элементы необходимы для защиты цепей от токовых перегрузок, которые приводят не только к выходу из строя прибора, но и защищают цепь от короткого замыкания, грозящего риском последующего возгорания. В такой ситуации происходит нагревание плавкой вставки, после чего ее элемент перегорает, тем самым отключая подачу питания к токоприемнику. Замену предохранителей разрешается осуществлять только на аналоги, настроенные на такую же максимальную силу тока. Пренебрежение этим важным правилом также способно спровоцировать поломки и возгорания.
Порядок действий, если не работает стеклоподъемник
1. В монтажном блоке проверить предохранитель электростеклоподъемников (F2, 30A) и реле электростеклоподъемников (К2).
2. Снять обшивку двери и проверить напряжение на клеммах моторчика, используя мультиметр или тест-лампу на 12В.
Если напряжения нет, тогда проверяем исправность:
- кнопки стеклоподъемника
- проводки (соединение разъемов)
- блока управления электропакетом (центральный блок кузовной электроники), который устанавливается на “люкс” комплектациях автомобиля
- блока центрального замка
Если на моторчик ток приходит, но стекло не двигается, то причины может быть несколько:
- неисправность моторчика стеклоподъемника (например, западение/залипание щеток двигателя привода, износилась пластиковая шестерня в редукторе)
- перетерся тросик стеклоподъемников
- стекло зажато (перекос)
По результатам опроса “что было причиной неисправности электростеклоподъемников” выяснилось:
- в 50% случаев проблема была в электродвигателе стеклоподъемника
- у 22% причина была в тросике стеклоподъемников
- остальные 28% разделились на части (перекос стекла, неисправности в кнопке стеклоподъемников и проводке)
Установка
Для установки, не потребуются ни какие специальные приспособления, приборы и другая техника. Весь процесс установки банален и будет прост для любого человек мужского пола. Главное чтобы было желание и умелые, виртуозные руки. Прежде чем начинать установку нужно заранее приобрести пяти контактное стандартное реле для вазовских моделей авто. Потом происходит непосредственно сама установка доводчика, для этого требуется всего лишь провести провод под дверной обивкой и все. Но самую главную все-таки здесь роль играет сигнализация, так как от нее идет свободный открытый канал, которому и подсоединяется автоматическая система доводчика стекла.
Через этот канал сигнализации, происходит подача отрицательного импульса, который опрашивает датчики.
Когда уже подошли к финишной прямой установки доводчика, то необходимо обязательно отключить минусовой провод питания от АКБ. Это своего рода защита от короткого замыкания, которое может произойти и повредить всю электропроводку автомобиля. Эти действия нужно выполнит в обязательном порядке.
Следующим моментом становится снятие дверной карты с водительской двери. При снимании нужно действовать аккуратно, чтобы не повредить и не деформировать ее. Если нет в наличии, тогда лучше купить заблаговременно ежики-клипсы. Новые они лучше, не будет переживаний по поводу плохого закрепления.
После чего происходит снятие разъемов с модуля управлением стеклоподъемниками в модели Лада Гранта.
Лада гранта бомжsq на чипе › бортжурнал › электростеклоподъемники на стандарт. все разом.
Вместе с приходом весны я совершенно ясно почувствовал, что не хочу больше опускать-поднимать стекла руками. Хочу тыкать в кнопки. А это значит, что пришла пора поставить электростеклоподъемники. Чтоб прям совсем как белый господин ездить.
Хотеть
ЭСП не вредно.Поставить– не так уж и сложно. На Драйве полно записей. Продаются готовые комплекты реечных ЭСП «Гранат» и «Форвард». Там вам и сами механизмы, и проводка, и кнопки. И даже инструкция по подключению.
Но лёгких путей мы не ищем.
Реечные
подъемники я отмёл сразу. Прежде всего потому, что грамотно установить их в передние двери подразумевает сверление. Я не любитель дырявить металл и решил купить заводские тросовые подъемники. Никакого сверления, разметок. Всё ставится на штатные винты.
Выкидываем механический подъемник, запихиваем новый, подключаем и вуаля.READ Как подключить apple pay к интернет магазинуИдём дальше. Для установки красивого модуля управления ЭСП и центральным замком, как в Люксе, нужен центральный блок кузовной электроники, он же ЦБКЭ.
Его еще именуют «блоком комфорта». Коего у меня, есссно, нет. За сим кнопки управления ЭСП в моем случае будут силовые. Тянуть толстенные жгуты проводов в двери, в моем представлении, не есть хорошо. И решил я отказаться от дублирующих кнопок, организовав проводку по принципу «одна кнопка – один подъемник»
, в каждую дверь заведя лишь по два провода на электродвигатель. Разумеется, расположить кнопки нужно как-то так, чтобы и передний, и задний ряд пассажиров имели к ним одинаково удобный доступ. А это значит — место кнопулям в центральном тоннеле пола и нигде больше. Примерно так же, как в ВАЗ 2112.
Сказано — сделано. Итак, что было куплено
1. Комплект тросовых ЭСП ВАЗ 2190 (передних и задних)– 7500 руб. 2. Вся проводка ЭСП от ВАЗ 2112, с местной разборки — 500 руб. 3. Кнопки ЭСП ВАЗ 2109, 4 шт. — 700 руб. 4. Разъемы кнопок ЭСП (в «разборочной» проводке они были ушатаны) — 200 руб. 5. Универсальные клеммы (ответных коннекторов на электромоторы я не нашел отдельно нигде) — 100 руб.
1. Инсталляция кнопок.
Первоначально я хотел купить вот такой блок силовых кнопок от ВАЗ 2110 и врезать его в тоннель пола под ручником:
…но столкнулся с тем, что посадочная глубина блока слишком велика для нормального размещения их в центральном тоннеле. Не впихнуть никак, провода упираются в пол. Поэтому решил заморочиться и запилил передние кнопки в центральную консоль:
…а задние – в тыльной части чехла ручника:
Аналогичное размещение кнопок ЭСП мы можем встретить в Логанах/Сандеро.
2. Протяжка и подключение проводки.
Этот этап стал самым тяжким. Даже не потому, что в машине понадобилось наполовину разобрать салон, снять пороги и стойки, центральный тоннель пола, бороду. Космический геморрой я нажил себе добровольно в тот самый момент, когда решил организовывать питание ЭСП напрямую отаккумулятора(без врезки в штатную проводку), чтобы всё работало без зажигания.
Для этого понадобилось:
— протягивать провода питания ( 12В) и заземления (GND) через отверстие для гидрокооректора фар
— нарастить провода для задних кнопок — подрубить провод подсветки кнопок ЭСП к проводу габаритов (взял от МУСа) — впаивать предохранитель 30А в силовой плюсовой провод, сам провод подключил напрямую к плюсу АКБ, уложив участок от моторного щита до клеммы в гофру для фен-шуя. — докупать резиновую гофру проводки задних дверей — с завода в Стандарте ее нету, тупо стоят заглушки — аккуратно пропихивать провода в двери, отрезая и подпаивая всё лишнее, каждый участок подпайки закрывая термоусадкой и сверху еще изолентой для защиты от перетирания
3. Подготовка дверей.

 
            



























