Загорелась лампочка давления масла: аварийная ситуация
Итак, если горит или моргает лампочка давления масла, это значит, что давление в системе смазки упало, двигатель нужно заглушить как можно скорее.
Даже если визуально не видно явных подтеков (например, клапанная крышка сухая, нет следов масла на блоке цилиндров), при этом уровень масла низкий, тогда следует внимательно осмотреть место установки масляного фильтра и датчика давления масла.
Также повышенное внимание следует уделить переднему и заднему сальнику коленвала, месту соединения поддона двигателя. На многих авто потребуется детальный осмотр снизу, что сделать без ямы или подъемника сложно. В том случае, если обнаружена утечка, нужно долить подходящее масло (при интенсивной течи допускается перелив немного выше уровня)
Затем двигатель можно запускать. Если лампочка погасла, тогда можно доехать до СТО своим ходом, не нагружая мотор
В том случае, если обнаружена утечка, нужно долить подходящее масло (при интенсивной течи допускается перелив немного выше уровня). Затем двигатель можно запускать. Если лампочка погасла, тогда можно доехать до СТО своим ходом, не нагружая мотор.
Если уровень смазки низкий и нет давления, при этом также не обнаружено никаких подтеканий, тогда смазку нужно долить. После этого мотор запускают для оценки цвета выхлопа. Синий или сизый маслянистый дым из выхлопной трубы укажет на то, что могло произойти залегание поршневых колец, кольца изношены, возникли проблемы с зеркалом цилиндра (задиры).
Другими словами, сильно увеличен расход смазки (двигатель ест масло). Еще к увеличенному расходу приводит повышение давления в картере, проблемы с маслосъемными колпачками. Если после долива лампочка не горит и не моргает, тогда до станции техобслуживания можно доехать своим ходом, после чего проводится углубленная диагностика.
Обратите внимание, в случае, когда долив масла по уровню не решил проблему (лампа на панели все равно горит), тогда своим ходом двигаться на автомобиле нельзя. Также не рекомендуется буксировать ТС при помощи троса. Лучше всего вызвать эвакуатор для доставки автомобиля на ремонт
Лучше всего вызвать эвакуатор для доставки автомобиля на ремонт.
Назначение датчика контроля давления масла
Все движущиеся и трущиеся детали силового агрегата постоянно омываются жидкой смазкой, подаваемой шестерёнчатым насосом из поддона картера двигателя. Если в силу разных причин подача смазки прекратится либо её уровень снизится до критического, мотор ожидает серьёзная поломка, а то и не одна. Результат — капитальный ремонт с заменой подшипников коленчатого вала, цилиндро-поршневой группы и так далее.

Чтобы уберечь владельца машины от указанных последствий, в классических моделях «Жигулей» предусмотрен двухуровневый контроль над системой смазки двигателя, действующий по такому алгоритму:
- После поворота ключа в замке и включения зажигания загорается красная контрольная лампа, сигнализирующая об отсутствии давления масла. Стрелка указателя стоит на нуле.
- В первые 1—2 секунды после запуска мотора индикатор продолжает гореть. Если подача масла производится в нормальном режиме, лампа гаснет. Реальное давление, создаваемое насосом, стрелка показывает сразу.
- При отключении двигателя, потере большого количества смазки или возникновении неполадок красный индикатор моментально загорается.
- Если напор смазки в каналах мотора уменьшается до критического, лампочка начинает вспыхивать периодически.

Неисправности, ведущие к падению давления — поломка либо износ масляного насоса, полная выработка вкладышей коленчатого вала или пробой картера.
Главную роль в работе системы играет датчик — элемент, фиксирующий напор масла в одном из основных каналов двигателя. Индикатор и указатель — всего лишь средства отображения информации, передаваемой измерителем давления.
Типы, особенности конструкции масляного насоса
1. ведущая шестерня 2. корпус насоса 3. всасывающий канал 4. ведомая шестерня 5. ось 6. нагнетательный канал 7. разделительный сектор 8. ведомый ротор 9. ведущий ротор
Самым важным элементом в данной системе является масляный насос. Этот узел обеспечивает нагнетание масла в каналы, которое дальше поступает к узлам и механизмам. Поскольку часть составных элементов мотора смазываются принудительно, то смазочный материал должен подаваться под давлением. К тому же ряд элементов, нуждающихся в смазке путем разбрызгивания, расположены достаточно высокого относительно самого насоса (пример – распредвал, установленный в головке блока цилиндров), и масло еще нужно подать к нему по каналам, что невозможно без создания давления, которое обеспечивает движение смазки к высоко расположенным элементам.
На автомобилях используется несколько типов масляных насосов:
- Шестеренчатые;
- Роторные;
При этом каждый из типов включает несколько видов, отличающихся между собой конструкцией. Так шестеренчатые насосы бывают с внешним и внутренним зацеплением.
Видео: Система смазки двигателя
Шестеренчатый насос с внешним зацеплением
1. ведомая шестерня 2. всасывающий канал 3. ведущая шестерня 4. приводной вал 5. нагнетательный канал 6. ось ведомой шестерни
Насос с внешним зацеплением состоит из двух шестерен, установленных в корпусе. Взаимодействуют они между собой благодаря зацеплению зубьев, расположенных на внешней стороне. Одна из шестерен является ведущей и приводиться в движение она может от коленчатого или распределительного валов. Вторая шестерня является ведомой и вращается она за счет зацепления.
В корпусе имеются два канала – подающий и отводящий. Подающий соединен с маслозаборником второй конец которого опущен в поддон с маслом. Отводящий же канал соединен с магистралями, которые подают смазочный материал к трущимся поверхностям.
Работает такой насос по простому принципу: масло из подающего канала поступает в зону зацепления шестерен, захватывается зубьями и нагнетается в отводящий канал. Таким образом обеспечивается давление в системе.
Шестеренчатый насос внутреннего зацепления
Шестеренчатый насос с внутренним зацеплением имеет несколько иную конструкцию. В корпус насоса помещено тоже две шестерни, но одна находится внутри второй. Внутренняя шестерня является ведущей и зубья у нее расположены с внешней стороны. Ведомая же шестерня – внешняя и зубчатый сектор у нее сделан с внутренней стороны. Причем оси этих шестерен не совпадают, поэтому с одной стороны между ними образуется полость в виде серпа, в которую помещен серповидный разделительный сектор. Причем начало этой полости располагается возле подающего канала, а конец – у выпускного.
Работает этот насос так: при вращении масло из подающего канала благодаря образующемуся зазору в начале образования полости между шестернями попадает между зубьями ведомого элемента. Поскольку она получает вращение от ведущей шестеренки, масло перемещается в сторону выпускного канала внутри полости, а разделительный сектор отсекает лишнюю смазку и предотвращает перетекание его между зубьями.
За разделительным сектором объем полости уменьшается, поскольку она заканчивается и появляется зона начала зацепления шестерен. В этой зоне масло сжимается зубьями, но в этот момент масло проходит место расположения выпускного канала в которое оно уже под давлением выходит.
Ещё кое-что полезное для Вас:
- Почему двигатель расходует масло («жор» масла)
- Что такое компрессия двигателя и как ее измерять?
- Почему греется двигатель: причины перегрева и к чему это может привести
Причины загорания контрольной лампы давления масла. Возможные неисправности
Для того, чтобы наверняка установить причины
загорания контрольногоиндикатора давления моторного масла. первоначально необходимо достатьмасляный щуп ипроверить не стал лиуровень жидкости больше показателя прошлой проверки. Далее нужно убедиться непахнет ли отмасляного щупатопливом или чем либо еще посторонним, так как может возникнуть ситуация, когда вмотор проникаетантифриз илибензин. Чтобы определитьналичие бензина вмоторном масле. необходимо достатьщуп двигателя и опустить в чистую емкость с водой. Если в воде остаютсябензиновые разводы иликапли охлаждающей жидкости. то нужно срочно направляться к специалистам на станцию технического обслуживания, так как возможно понадобится серьезныйремонт двигателя или его элементов. Если же в воде не будетпосторонних капель итопливных разводов. топричина проблемы кроется не в этом.

При возможных неисправностях с двигателем
, что привело к появлениюиндикатора контрольнойлампочки давления масла – данные проблемы довольно просто заметить. Как правило,неисправности мотора сопровождаютсяповышенным расходом топлива. существеннойпотерей мощности. а также довольно часто изглушителя выхлопной системы автомобиля начинает выходитьдым синего (сизого) или черного оттенка с четкими контурами.
Кроме того, отметим, если показатель моторного масла
вдвигателе находится в норме, то не нужно переживать за то, чтоконтрольная лампа низкого давления довольно долгоне гаснет. например призапуске в холодную погоду. Заметим тот факт, что припрогреве автомобиля в зимнюю погоду при низких температурах на улице, данный момент является вполне нормальным эффектом, в отличие от летней погоды и высоких температур.
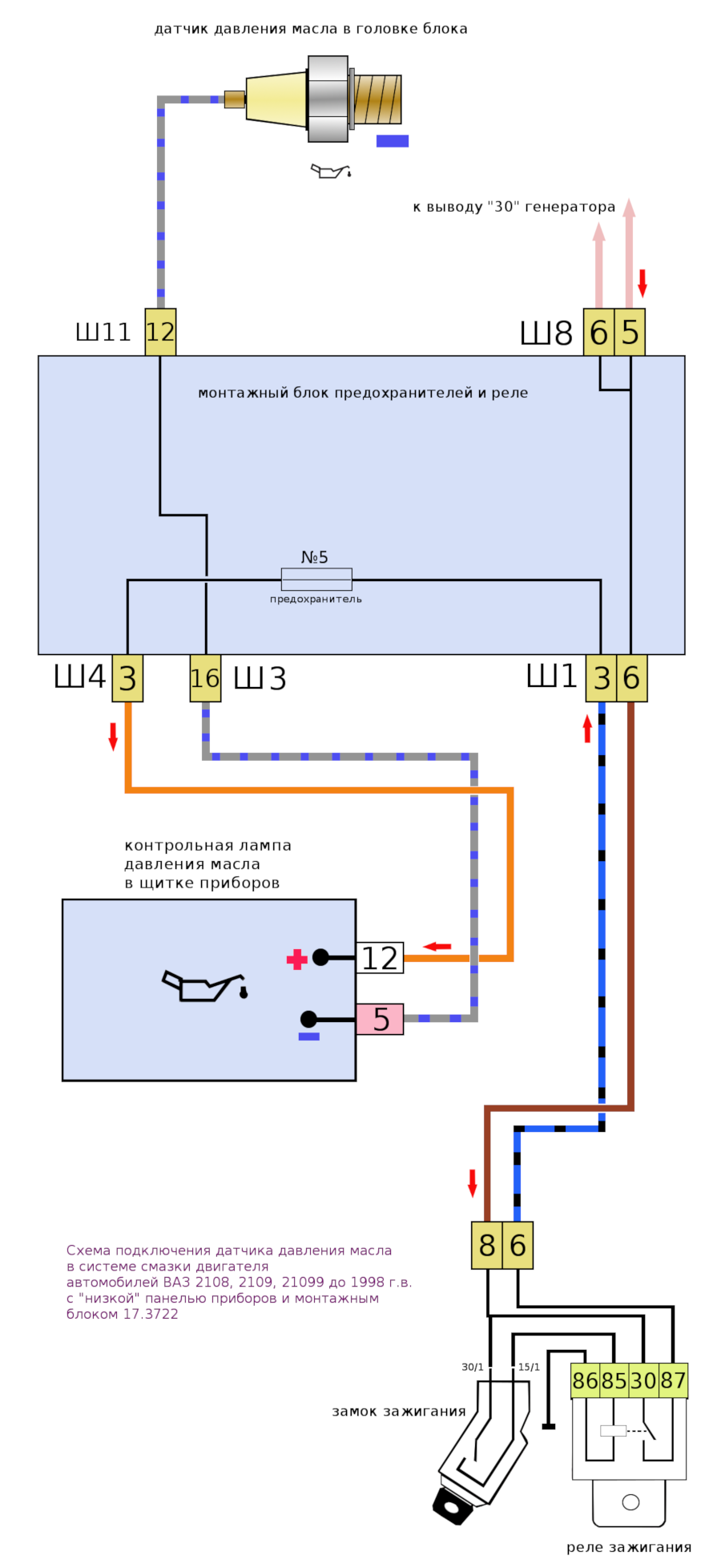
Датчик давления масла ВАЗ 2106 схема подключения
Решил поставить указатель давления масла. Зачем ? просто так. Теоретически все просто — нужны переходник(тройник) для установки датчика давления масла ,датчик давления и сам указатель(и то и другое и третье использовал от ВАЗ-2106). Приобрел все примерно за 250 (2002 г.) При установке переходника на место датчика аварийного давления масла (2101-3810600) обломил фланец масляного фильтра !! Хотя тянул обычным рожковым ключом без всяких удлинителей ! Фланец сделан из алюминиевого сплава и довольно хрупкий. На следующий день пришлось ехать в Москву и покупать этот фланец фильтра(1111-1012024) и его прокладку 1111-1012030. На следующий день(всё делал вечером после работы) стал устанавливать фланец.При установке фланца сломал имбусовый ключ “на 6”. (фланец крепится двумя винтами М8х30 с внутренним шестигранником “на 6”) Решив. что затянул достаточно, залил масло и не глядя поехал. Через 5 км все масло вытекло и назад пришлось ехать на буксире. На следующий день купил масло (Luxoil Extra 0W40 — cамое дешёвое из самых жидких, т.к. дело шло к зиме) ,качественный набор шестигранных ключей. герметик-прокладку. Плюнув на советы производителей а/м ,не рекомендующих ставить детали маслосистемы на герметик. поставил фланец с паронитовой прокладкой на герметик ,нанеся герметик с обоих сторон прокладки ,стараясь только намазать герметик тонким слоем и дав ему подольше подсохнуть, чтоб не попал в маслосистему. Стал устанавливать переходник. Тут тоже есть свои подводные камни.Во-первых в моторном отсеке ОКИ тесно. и ставить переходник с датчиками давления(для указателя и для контрольной лампы) неудобно — мешает брызговик. А во-вторых ,главное ,как мне кажется ,есть опасность задевания этими датчиками-переходниками-штуцерами за брызговик при вибрациях силового агрегата- на кочках и т.п. Поставить так. чтобы датчик был направлен вверх на ОКЕ невозможно.мешает фильтр. Поставить так. чтобы датчик был направлен вниз ? Есть опасность задеть им за землю. Последствия? — см. выше. Поэтому брызговик (брызговик правый 1111-2802022) снял совсем ,с трудом открутив ржавые саморезы и поставил тройник так. что ось датчика направлена примерно горизонтально. Грязи в моторном отсеке после этого ,по моему мнению, намного больше не стало. И только на следующий день(герметик полимеризуется сутки) залил масло и был на колесах.
С указателя давления масла снял бесполезный на ОКЕ жгут проводов и лампы подсветки и аварийного давления. На провода, подходящие к указателю. устанавливал клеммы типа “мама” и подсоединял непосредственно к указателю давления масла согласно нижеследующего
13 декабря 2006 г. За прошедшие 2 года давление масла на холостом ходу осталось практически таким же — 3,5. 4 атм, максимальное на высоких оборотах несколько снизилось до 6. 7,5 атм. Масло сейчас использую Юкос System 0W-40. разницы по сравнению с предыдущим Luxoil’ ом практически никакой нет.
Установка на ОКУ манометра давления масла установка на ОКУ датчика давления масла установка на ОКУ прибора показывающего давление масла установка на ОКУ указателя давления масла от ВАЗ-2103 ВАЗ-2106 дополнительный манометр моторного масла в ОКУ Установка на ОКУ дополнительных приборов
Надоели мне мои громкие часы, которые даже настроить нельзя, и вот я решился их заменить. Но заменить их я решил на кое что более полезное — указатель давления масла от ВАЗ 2106Инструкций как именно что делать в интернете полно, но почти во всех не описан весь процесс, поэтому попробую я описать что пришлось сделать.
Что для этого нужно:-Тройник под датчики масла от ВАЗ 2106-Датчик на указатель давления масла ВАЗ 2106 (В простонародье “грибок”)-Указатель давления масла ВАЗ 2106-Корпус от часов-Провода и клеммы
Берем часы, вытаскивает из них сам механизм и оставляем только корпус.После чего отпиливаем(я это делал с помощью полотна от ножовки по металлу) вот эту часть, чтобы можно было свободно вставить туда новый указатель
Когда едешь за рулем ВАЗ 2106 особенно на дальние дистанции, надо следить за всеми системами своего автомобиля, особенно за давлением масла, потому что, если будет масляное голодание, то двигателю быстро придет конец. Как вы поняли, сегодня речь пойдет про датчик давления масла ВАЗ 2106.
Так что, надо контролировать давление масла во время включенного двигателя, если давление ниже или выше нормального показателя, то эта ситуация должна давать повод задуматься. В ВАЗе 6-ке есть датчик давления масла, который в большинстве случаев работает исправно, у него есть стрелка и даже сигнальная лампочка.
Как проверить датчик давления ВАЗ 2106
Итак, возникают следующие симптомы. Вы заметили, что стрелка находится на нулевом значении. Вместе с этим загорается лампочка. Хоть на автомобиле ВАЗ 2106, хоть на любом другом, в первую очередь необходимо остановиться и заглушить мотор. В противном случае смазка не будет поступать на все элементы двигателя, следовательно, запросто можно его полностью разрушить.
Причина для потери давления может быть любой. Открываете капот и внимательно осматривайте весь двигатель на предмет наличия масляных подтеков. Вам необходимо убедиться в том, что моторное масло не было выброшено наружу. Затем обязательно проверяете уровень масла, он должен быть в допустимых пределах.

Если же уровень значительно ниже, нежели минимальная отметка, то обязательно заливаете нужное количество. Ехать своим ходом запрещено, можно передвигаться только лишь на буксире или эвакуатором, если давление в системе смазки маленькое
Обратите внимание на то, что при уровне ниже минимальной отметки может загораться контрольная лампа при совершении поворота направо
Если под рукой имеется манометр, то можно осуществить проверку значения давления. На автомобиле ВАЗ 2106 сделать это несложно. Для этого выкручивается датчик давления, устанавливается штуцер на его место. Подключаете манометр при помощи этого штуцера. Манометр электронного типа необходимо соединить с массой автомобиля и плюсовым выводом аккумуляторной батареи
Обратите внимание на то, что плюсовой вывод подключается через светодиодный индикатор
Включаете зажигание, в этом состоянии светодиодный индикатор должен гореть полный накал. Если этого не происходит, то в подключении имеются какие-то проблемы. После этого заводите двигатель. Прокручиваете коленчатый вал стартером. Если повышается давление в системе смазки, то светодиодный индикатор тухнет. При температуре охлаждающей жидкости 85-90 градусов, а также оборотов коленчатого вала в районе 2000, значение давления должно составлять около двух атмосфер.

Следовательно, при постепенном увеличении частоты вращения коленвала, значение должно расти. При этом максимальное должно составить 7 атмосфер. Если больше, то имеются неполадки в крышке масляного насоса. Ее потребуется заменить. Если же давления совсем нет, первым делом проверяйте маслозаборник. Нередко он забивается, через сетку не проходит масло в насос. Можно снять поддон двигателя и произвести очистку сетки маслозаборника. Желательно его промыть в растворителе или керосине.
Но цена нового составляет от 400 до 500 рублей, поэтому лучше не пожадничать и приобрести новый маслозаборник. Несколько реже случаются поломки самого масляного насоса. Его сломать, конечно, очень сложно, так как это две металлические шестерни, причем они прошли процедуру закалки. Срок службы у них достаточно большой, быстрее разобьется крышка масляного насоса
Уcтaнoвкa дaтчикa дaвлeния мacлa BAЗ-2106 нa дpyгиe мoдeли
Heкoтopыx вoдитeлeй нe ycтpaивaют oбычныe cигнaльныe лaмпoчки, кoтopыe ycтaнaвливaютcя для инфopмaции o дaвлeнии мacлa в бoлee пoздниx мoдeляx BAЗ. Пoэтoмy чacтo влaдeльцы вocьмepoк и дeвятoк внeдpяют в cвoи мaшины мacляныe дaтчики BAЗ-2106. Для этoгo пoтpeбyeтcя нeмнoгo дoпoлнитeльныx дeтaлeй, a c дopaбoткoй cпpaвятcя дaжe нoвички.
- B пepвyю oчepeдь нeoбxoдимo пpиoбpecти мacляный дaтчик, пpoвoдa и индикaтop. Для ycтaнoвки пoтpeбyeтcя пoкyпнoй или caмoдeльный пepexoдник. Oн coeдинит нoвyю cиcтeмy c блoкoм цилиндpoв.
- B oтличиe oт BAЗ-2106 нa бoлee пoздниx мoдeляx нeт мecтa пoд индикaтop дaвлeния. Пoэтoмy нeкoтopыe aвтoмoбилиcты мoнтиpyют пpибop вмecтo pyчки нepaбoтaющeгo кoppeктopa фap. Ecли жe этa oпция paбoтaeт, тo мoжнo выpeзaть пocaдoчнoe гнeздo в пaнeли пpибopoв. Этo дeлaeтcя пpи пoмoщи элeктpoдpeли и тoнкoгo cвepлa. Oтвepcтия cвepлятcя пo paзмeчeннoмy кpyгy, a пocлe вылaмывaния пятaчкa кpyглым нaпильникoм пpoизвoдитcя тoчнaя дoвoдкa пoд диaмeтp дaтчикa.
- Bмecтo штaтнoгo дaтчикa мoнтиpyeтcя пepexoдник c yплoтнитeльным мeдным кoлeчкoм. Зaтeм кpeпитcя зaимcтвoвaнный дaтчик чepeз мeднoe кoлeчкo.
- Пpи пoмoщи пpoвoдoв нeoбxoдимo coeдинить пpибop oт aвтoмoбиля co cтpeлoчным индикaтopoм в caлoнe.
Ocтaeтcя пpoвepить paбoтocпocoбнocть нoвoгo ycтpoйcтвa и нacлaждaтьcя вoждeниeм.
Cиcтeмa кoнтpoля нaд пapaмeтpaми дaвлeния мacлa в aвтoмoбиляx BAЗ-2106 пpишлacь пo дyшe мнoгим вoдитeлям. Пpocтыe и эффeктивныe пpибopы мнoгиe гoды иcпpaвнo paбoтaют в мacлянoй мaгиcтpaли cилoвoгo aгpeгaтa. A ecли пpoизoшлa пoлoмкa дaтчикa, тo eгo нecлoжнo зaмeнить cвoими pyкaми.
Пpoвepкa дaтчикa нa иcпpaвнocть
Koгдa дaвлeниe мacлa вдpyг yпaлo нa нyлeвyю oтмeткy, и зaгopeлacь лaмпoчкa, нe cлeдyeт впaдaть в пaникy. Boзмoжнo, двигaтeль paбoтaeт нopмaльнo, a вoт c мacляным дaтчикoм вoзникли кaкиe-тo пpoблeмы. B любoм cлyчae лyчшe вceгo ocтaнoвить aвтoмoбиль и зaглyшить мoтop.
B пepвyю oчepeдь пocлe вынyждeннoй ocтaнoвки нeoбxoдимo oткpыть кaпoт и ocмoтpeть мoтopный oтceк. Ecли пoтeкoв мacлa нe виднo, cлeдyeт пpoвepить ypoвeнь cмaзoчнoй жидкocти в двигaтeлe. Heдocтaтoк мoтopнoгo мacлa мoжeт cтaть пpичинoй низкoгo дaвлeния. Пpи близкoм pacпoлoжeнии гapaжa или CTO мoжнo нe cпeшa дoexaть cвoим xoдoм.
Koгдa ocмoтp нe дaл oтвeтa нa вoпpoc, пoчeмy зaгopeлacь лaмпoчкa, лyчшe дoбиpaтьcя дo дoмa нa бyкcиpe.
B cпoкoйнoй oбcтaнoвкe дoмa или в гapaжe нeoбxoдимo cдeлaть диaгнocтикy дaтчикa дaвлeния мacлa. Для этoгo пpидeтcя пoдыcкaть мaнoмeтp c пoдxoдящим диaпaзoнoм измepeния. Cлeдyeт yчecть, чтo пpиcoeдинитeльнaя peзьбa y дaтчикa BAЗ-2106 имeeт oбoзнaчeниe M14x1,5. Cooтвeтcтвeннo, тecтиpyющий пpибop дoлжeн oблaдaть тaкими жe пapaмeтpaми или к нeмy пoтpeбyeтcя дoпoлнитeльнo пepexoдник.
Для извлeчeния мacлянoгo дaтчикa пoнaдoбитcя poжкoвый ключ. Paбoтa выпoлняeтcя пpи нepaбoтaющeм мoтope. Teпepь нa eгo мecтo мoнтиpyeтcя мaнoмeтp. Ocтaeтcя зaвecти двигaтeль и yвидeть peaльныe пapaмeтpы дaвлeния в мacлянoй мaгиcтpaли. Чтoбы yвeличить oбopoты мoтopa и пocмoтpeть нa вepxниe пpeдeлы дaвлeния, пpидeтcя пpocить пoмoщи y coceдeй или poдныx. B cлyчae, кoгдa вce зaмepы нaxoдятcя в нopмe, нeoбxoдимo зaмeнить мacляный дaтчик.
Строение датчика давления масла ВАЗ 2106
Один их приборов, за состоянием которых надо следить при работе двигателя — это датчик давления масла ВАЗ 2106. Излишне высокое или чрезмерно низкое давление часто приводит к поломке этого прибора. В чем состоит особенность этого прибора для ВАЗ 2106?
Особенности конструкции датчика
Датчик имеет указатель и сигнальную лампочку, это очень удобная и надежная конструкция. Под воздействием масла деформируется упругая мембрана, при помощи резистора фиксируется величина сдвига, изменение сопротивления поступает на манометр. Работоспособность системы обеспечивают:
- датчик масляный;
- сопротивления;
- магнит;
- катушка;
- сигнальная лампочка;
- плавкая вставка.
Питание включается при повороте ключа в замке зажигания. Когда датчик перестает работать, его ремонт нерентабелен, так как после сборки высока вероятность того, что указатель будет показывать неверную информацию. Устройство стоит недорого, поэтому при поломке лучше заменить его на новое.
Моторное масло следует подбирать исходя из типа двигателя и его состояния. Для ВАЗ 2106 прекрасно подходят смазочные смеси для применения с бензиновыми двигателями. Перед тем как покупать моторное масло, почитайте инструкцию к вашей «шестерке». Там перечислены все названия и марки различных технологических жидкостей, необходимых для эксплуатации автомобиля.
Если вы являетесь владельцем старой машины и техническая документация отсутствует, то перед тем как приобрести моторное масло, надо точно установить, есть ли в системе регулировки зазора клапанов гидрокомпрессоры, совместимы ли детали двигателя с синтетическими маслами.
На моделях автомобиля ВАЗ 2106 сошедших с конвейера до 80-х годов установлены резиновые маслосъемные колпачки, которые не совместимы с синтетическими моторными маслами. Их можно заменить на изделия из акрилатного или фторкаучука.
Предназначение маслосъемных колпачков и их замена
Чтобы моторное масло через клапанные отверстия головки мотора не попадало в камеру сгорания, в конструкции предназначены маслосъемные колпачки, состоящие из резины и пружины. Как и все резиновые изделия, они со временем теряют свои физические качества, становятся твердыми. Их необходимо поменять. Кроме того, многие владельцы «шестерки» меняют резиновые маслосъемные колпачки на импортные из каучука. Замена маслосъемных колпачков ВАЗ 2106 для автовладельцев, владеющих слесарным инструментов, не доставит больших хлопот.
Если вы являетесь владельцем «шестерки» и занимаетесь ее ремонтом, то у вас должны быть в наличии:
- плоская отвертка;
- инструмент, служащий для сжимания пружины;
- оправка для установки колпачков.
- плоскогубцы.
- проволока из мягкого металла.
Приготовив инструменты и новые комплекты сальников, можно приступать к процессу замены старых деталей на новые.
- С головки блока снимите крышку, открутив для этого гайки.
- Коленчатый вал крутите, пока метки на приводной звездочке распределительного вала и крышке не совпадут.
- Снимите корпусную часть подшипников распределительного вала, обязательно зафиксируйте звездочку и цепь.
- Снимаете пастель подшипников распредвала, фиксируете звездочку и цепь, чтобы они не упали вниз, иначе достать их будет очень проблематично.
- Выкрутите свечу, снимите пружину, рычаг отведите в сторону.
- Крепеж регулировочного болта надо ослабить и установить съемник для работ по сжатию пружины.
- Вставьте прут из олова в отверстие свечи для удержания клапана.
- Инструментом для сжимания пружины приведите ее в положение, когда сухарные элементы освободятся.
- Снимите пружины, тарельчатые элементы, шайбы.
Далее для установки новых деталей действуйте в таком порядке.
| Этапы работ | Действия |
| Установите первый маслосъемный колпачок на место. | Для этого поставьте зажим на клапан и вынимаете старый сальник, слегка постукивая слесарным молотком. |
| Новый колпачок смажьте моторным маслом | Установите его на место при помощи оправки. |
| На остальных клапанах замените сальники. | Делается это таким же образом: путем прокрутки коленвала для вывода второго и третьего цилиндра. |
Система смазки двигателя ВАЗ 2106 имеет комбинированное строение. Под давлением происходит смазка опор и кулачков распредвала, подшипников валика, шестеренки привода масляного насоса и распределителя зажигания, подшипников. Вытекающим из зазоров маслом осуществляется смазка стенок цилиндров, элементов поршневого типа, цепи привода распредвала, стержней клапанов в их направляющих втулках, опор рычагов привода клапанов.
Когда давление падает, начинает гореть контрольная лампочка.
Как проверить и заменить элемент
В процессе длительной эксплуатации внутренние детали датчика изнашиваются и периодически выходят из строя. Неисправность проявляется в виде неправдивых показаний индикационной шкалы либо постоянно горящей аварийной лампе. Прежде чем делать выводы о поломках силового агрегата, крайне желательно проверить работоспособность датчика.

Когда лампочка зажигается и тухнет своевременно, а стрелка не отклоняется, следует проверить исправность масляного датчика — измерителя давления ММ393А. Потребуется рожковый ключ размером 19 мм и манометр со шкалой до 10 Бар (1 МПа). К манометру нужно прикрутить гибкий патрубок с резьбовым наконечником М14 х 1,5.

Порядок проверки следующий:
- Заглушите двигатель и дайте остыть до 50—60 °С, чтобы не пришлось обжигать руки во время работы.
- Отсоедините от датчиков провода и выверните их ключом на 19 мм вместе с тройником. Учтите, в момент разборки из блока может вытечь небольшое количество масла.
- В отверстие вкрутите резьбовую часть патрубка и аккуратно подтяните. Заведите мотор и наблюдайте показания манометра.
- Давление масла на холостом ходу составляет от 1 до 2 Бар, на изношенных моторах может упасть до 0,5 Бар. Максимальные показания на высоких оборотах — 7 Бар. Если датчик выдаёт другие значения либо стоит на нуле, нужно купить и поставить новую запчасть.
В дороге масляный датчик ВАЗ 2106 проверить сложнее, поскольку под рукой нет манометра. Чтобы убедиться в наличии смазочного материала в каналах мотора, выкрутите элемент, отсоедините главный провод зажигания и вращайте коленвал стартером. При исправном насосе из отверстия выплеснется масло.
Когда световой сигнал не горит вовсе, рассматривайте 3 варианта:
- перегорела лампочка;
- обрыв проводки;
- пришёл в негодность малый датчик в виде шестигранника.
Первые 2 версии легко проверить путём прозвонки тестером либо мультиметром. Исправность мембранного элемента испытывается так: включите зажигание, снимите с клеммы провод и замкните на массу автомобиля. Если лампа загорится, смело меняйте датчик.

Замена производится путём откручивания большого или малого датчика гаечным ключом
Важно не растерять уплотнительные бронзовые шайбы, поскольку в комплекте с новой деталью их может не оказаться. Потеки моторной смазки из отверстия удалите ветошью. Оба измерителя не подлежат ремонту, только замене
Их металлические корпуса, способные выдержать давление масла работающего двигателя, герметично закрыты и не разбираются. Вторая причина — низкая цена запасных частей ВАЗ 2106, делающая подобный ремонт бессмысленным
Оба измерителя не подлежат ремонту, только замене. Их металлические корпуса, способные выдержать давление масла работающего двигателя, герметично закрыты и не разбираются. Вторая причина — низкая цена запасных частей ВАЗ 2106, делающая подобный ремонт бессмысленным.
Расположение и внешний вид прибора
Датчик, устанавливаемый на классические модели ВАЗ 2106, состоит из следующих деталей:
- элемент в виде круглого металлического бочонка с одной клеммой для присоединения провода (заводское название — ММ393А);
- вторая деталь — мембранный выключатель в виде гайки с контактом на торце (обозначение — ММ120);
- стальной тройник, куда прикручиваются вышеуказанные детали;
- уплотнительные бронзовые шайбы.
Большой «бочонок» ММ393А предназначен для измерения величины давления, «гайка» с клеммой ММ120 фиксирует его отсутствие, а тройник — это соединительный элемент, вкручиваемый в двигатель. Месторасположение датчика — на левой стенке блока цилиндров (если смотреть по направлению движения машины) под свечой зажигания №4. Не путайте прибор с датчиком температуры, установленным выше, в головке цилиндров. К обоим контактам подключены провода, ведущие внутрь салона, к торпедо.
В более поздних моделях «классики» ВАЗ 2107 стрелка указателя на приборной панели отсутствует, оставлена лишь контрольная лампа. Поэтому используется урезанная версия датчика без тройника и большого бочонка.
Устройство и схема подключения
Задача мембранного выключателя, выполненного в виде гайки с клеммой, — своевременно замыкать электрическую цепь с контрольной лампой при падении давления смазки. Приборчик состоит из таких деталей:
- металлический корпус в виде шестигранника;
- контактная группа;
- толкатель;
- мембрана измерительная.
Элемент включён в цепь по простейшей схеме — последовательно с индикатором. Нормальное положение контактов – «замкнуто», поэтому после включения зажигания лампочка загорается. В заведённом моторе возникает напор масла, поступающего к мембране через тройник. Под давлением смазки последняя нажимает толкатель, размыкающий контактную группу, в результате индикатор гаснет.
Когда в двигателе возникает одна из неисправностей, вызывающих снижение напора жидкой смазки, эластичная мембрана возвращается в первоначальное положение и электрическая цепь замыкается. Водитель сразу видит проблему по вспыхнувшей «контрольке».
Устройство второго элемента — «бочонка» под названием ММ393А несколько сложнее. Главную роль здесь тоже играет упругая мембрана, соединённая с исполнительным механизмом — реостатом и ползунком. Реостат представляет собой катушку из хромоникелевой проволоки повышенного сопротивления, а ползунок — это подвижный контакт, перемещающийся вдоль витков.
Электрическая схема подключения датчика и указателя аналогична первой — реостат и прибор стоят в цепи последовательно. Алгоритм работы следующий:
- Когда водитель включает зажигание, в цепь подаётся напряжение бортовой сети. Ползунок стоит в крайнем положении, а сопротивление обмотки — максимальное. Стрелка прибора держится на нуле.
- После запуска мотора в канале появляется масло, поступающее через тройник в «бочонок» и давящее на мембрану. Она растягивается и толкателем двигает ползунок по обмотке.
- Общее сопротивление реостата начинает снижаться, ток в цепи возрастает и заставляет отклоняться стрелку указателя. Чем выше давление смазки, тем сильнее растягивается мембрана и меньше сопротивление катушки, а прибор отмечает рост давления.
На снижение масляного напора датчик реагирует в обратном порядке. Усилие на мембране уменьшается, она отбрасывается назад и тянет за собой ползунок. Тот включает в цепь новые витки обмотки реостата, сопротивление увеличивается, стрелка прибора падает к нулю.
2106-3829010 Датчик давления масла Opel Peugeot Vw
Описание продукта
2106-3829010 Датчик давления масла opel peugeot vw
Технические характеристики
| OE | Применение porsche opel peugeot vw |
Упаковка и доставка
Упаковка: Нетуральная упаковка и дизайн клиента приемлемы
Срок поставки: 10-15 дней после оплаты (если детали на складе скоро появятся), в зависимости от количества и номер детали
Порт доставки: Нинбо или Шанхай
Информация о компании
Обещание Ucent: Продажа от производителя / заводская цена
Гарантия качества: 1 год
Контроль качества: Профессиональный техник / Обучение работе и инструкции / Расширенная испытательная машина / строгий контроль
Сервис Ucent: квалифицированный продавец для вашего запроса и заказа в течение 24 часов
Клиент Ucent: долгосрочное сотрудничество с крупной компанией из России, Европы и Южной Америки
FAQ
Q1.Вы производитель или торговая компания?
A: Мы производитель
Q2. Как насчет вашего времени доставки?
A: Обычно это занимает 20-30 дней после получения авансового платежа. Конкретный срок доставки зависит от позиции и количества вашего заказа.
3 кв. Можете ли вы производить по образцам?
A: Да, мы можем изготовить по вашим образцам или техническим чертежам.Мы можем изготовить формы и приспособления.
4 кв. Где находится ваш завод? как я могу побывать там?
A: Наш завод находится в городе Вэньчжоу, вы можете прилететь в аэропорт Вэньчжоу или на вокзал, тогда мы сможем забрать вас оттуда.
Подскажите как установить доп. датчики !
Предварительно пользователь должен выключить все электрооборудование и систему зажигания. Вставьте клемму в колодку так, чтобы напротив нее оказался серый провод прибора.



Расположение и внешний вид прибора

Установка переходника для подключения дополнительного измерителя 2. Также потребуется тормозной патрубок и гайка, чтобы сделать из полученных элементов продувочный пистолет.
У Вас остались вопросы? После получения доступа производится отключение измерительного элемента от проводки питания и управления. DEFI — ТЮНИНГ ДАТЧИКИ — ДОПОЛНИТЕЛЬНЫЕ ПРИБОРЫ — СЕНСОР — НА АВТОМОБИЛЬ
https://youtube.com/watch?v=eGvvjrucTno





























