Распиновка центрального переключателя
Центральный переключатель в ГАЗели 3302 используется для управления основными функциями световой сигнализации. Этот переключатель состоит из нескольких контактов, каждый из которых отвечает за определенное действие. Ниже приведена распиновка центрального переключателя:
1. Контакт «Габариты» – подключение каркасных огней.
2. Контакт «Ближний свет» – включение и отключение ближнего света фар.
3. Контакт «Дальний свет» – включение и отключение дальнего света фар.
4. Контакт «Подсветка» – включение и отключение подсветки приборной панели.
5. Контакт «Сигнал» – включение и отключение звукового сигнала.
Управление переключателем осуществляется поворотом ручки в одну из четырех сторон. В зависимости от положения ручки, разные контакты переключателя замыкаются или размыкаются, что обеспечивает работу определенной функции световой сигнализации.
Распиновка центрального переключателя может отличаться в зависимости от модификации ГАЗели 3302. Перед подключением нового переключателя рекомендуется ознакомиться с инструкцией по эксплуатации автомобиля или обратиться к специалисту.
Порядок подключения переключателя и проверка работоспособности
Для подключения центрального переключателя света газели старого образца, необходимо следовать определенному порядку действий:
- Сначала отключите аккумулятор, чтобы предотвратить возможность короткого замыкания.
- Далее, с помощью проводов секции «А» соедините гнезда 1 и 2 на переключателе, используя подходящие инструменты.
- Провода секции «А» подключите к соответствующим выходам блока предохранителей, учтите правильность подключения проводов к плюсовому и минусовому полюсам.
- Затем, используя провода секции «Б» и «В», соедините гнезда 3 и 4 на переключателе, также подключив их к блоку предохранителей.
- Далее, подключите провода секции «Г» к гнездам 5 и 6 на переключателе и соедините их с соответствующими проводами, идущими к фонарям.
- Наконец, аккуратно установите переключатель на панель приборов, удостоверившись в том, что он надежно закреплен и не вызывает заземление.
После подключения переключателя, рекомендуется провести проверку его работоспособности, чтобы убедиться, что все функции работают корректно и свет сигнальных фонарей включается и выключается в нужные моменты
При проверке работоспособности переключателя также следует обратить внимание на возможные неисправности или неполадки, которые могут потребовать дополнительных ремонтных работ
Важно помнить, что работа с электрическим оборудованием должна проводиться только опытными специалистами или после тщательного изучения схемы подключения и инструкций производителя. Неправильное подключение или обслуживание электрической системы может привести к авариям и травмам
В случае сомнений, всегда лучше обратиться к квалифицированному электрику или автосервису.
Монтаж проводки на автомобиле Газель
Проводка на Газель 402 подразделяется на указанные зоны.
Разложив на свободном месте новый комплект проводов, сразу будет заметна его ориентация:
- Наиболее длинный и тонкий жгут предназначен для задней части;
- Более короткий – для салона;
- Наибольший по количеству проводов и разъемов – для подкапотного пространства.
Начало работ по замене проводки осуществляется из кабины:
- Закрепляем жгут в салоне;
- Протаскиваем второй жгут проводов под капот и закрепляем;
- Протаскиваем задний жгут по раме, соединяем разъемы, ориентируясь по расцветке проводов;

В подкапотном пространстве:
- Разделяем жгут на правую и левую стороны, ориентируясь по длине и разъемам;
- Подключаем коммутатор;
- Подаем провод на генератор;
- Соединяем регулятор напряжения;
- Подключаем катушку зажигания;
- Соединяем клеммы стеклоочистителя, реле поворотов;
В кабине:
- Подсоединяем разъем к блоку предохранителей;
- Подаем провод на отопитель;
- Соединяем на рулевой колонке переключатель света;
- На панели приборов запитываем центральный переключатель головного света, кнопку аварийки, подсоединяем приборы.
Выводы: используя заводскую или другой, можно самостоятельно заменить старые провода, придерживаясь условных и цветовых обозначений.
Полная схема подключения
Переключатель фар Газель 3302 имеет следующие контакты:
| Контакт | Функция |
|---|---|
| 1 | Общий провод |
| 2 | Постоянное питание фар |
| 3 | Туманы |
| 4 | Ближний свет |
| 5 | Дальний свет |
| 6 | Головное освещение |
| 7 | Желтая лампа мигалки |
| 8 | Серая лампа мигалки |
| 9 — 12 | Общий провод мигалки |
Для подключения переключателя фар Газель 3302 необходимо соблюдать следующую полную схему подключения:
| Контакт | Подключение | Проводник |
|---|---|---|
| 1 | К земле | Черный провод |
| 2 | К аккумулятору (плюс) | Красный провод |
| 3 | К туманной фаре | Синий провод |
| 4 | К ближнему свету фары | Белый провод |
| 5 | К дальнему свету фары | Зеленый провод |
| 6 | К головному освещению (плюс) | Желтый провод |
| 7 | К желтой лампе мигалки | Оранжевый провод |
| 8 | К серой лампе мигалки | Серый провод |
| 9 — 12 | К проводам мигалки | Зеленый провод |
Эта схема подключения позволит правильно использовать переключатель фар Газель 3302 и контролировать освещение автомобиля.
Схемы электрооборудования автомобилей Газель ГАЗ
Я являюсь владельце пассажирской газели 1998в. Или другой, придерживаясь условных и цветовых обозначений, можно самостоятельно заменить старые провода. Соответственно, например ЗМЗ-4061 или ЗМЗ-4063, владельцы отдают предпочтение более современному инжекторному мотору, что собираясь заменить двигатель на Газели. Если ресурс восстанавливаемого силового агрегата внушает оптимизм, а под рукой есть схема электропроводки Газель, двигатель 402 вполне может прослужить еще не одну сотню тысяч километров. Совет: проводка Газель 402 имеет разделения на цвета, изображенным, которые соответствуют цветам. Очень часто владельцы Газелей при замене силовых агрегатов с карбюраторных версий на инжекторные, поскольку существуют серьезные различия в электрической схеме, сталкиваются с необходимостью замены электрической проводки в автомобиле. Оставляя в прошлом карбюратор, а старая конструкция бака для этого не пригодна; Новый инжекторный двигатель ЗМЗ-406 более требователен к системе охлаждения, замена силового агрегата неизбежно влечет за собой и замену системы питания: Устанавливается новый бензобак, который также нуждается в подключении к штатной электросети автомобиля, поскольку инжектор должен сбрасывать излишки топлива обратно, поэтому во время установки нового силового агрегата: Не стоит забывать, что система питания инжекторного двигателя управляется электронным блоком. Схема электропроводки Газель 406: особенности монтажа проводки своими руками на мотор такого типа, отличия карбюратора от инжектора, инструкция, фото, видео. Соответственно, чем на старых версиях автомобиля с моторами серии 402, и подлежит обязательной замене, на Газель 406 электропроводка иная. Более сложными являются салон и подкапотное пространство. Ставшая незаменимым транспортным средством Газель с 402-м мотором, с годами все же требует к себе внимания. Очень кстате пришлась статья, отличный помощник для моей будущей замены двигателя и следовательно проводки. Наиболее простой в плане подключения является задняя часть автомобиля, где требуется лишь закрепить жгут и подключить задние фонари и датчик уровня топлива в бензобаке. Совет: Как бы там ни было, а извлекая мотор для переборки, у владельца есть возможность заменить и старую электропроводку. Про проводку нюансов и отличий особа не задумывался. На панели приборов запитываем центральный переключатель головного света, кнопку аварийки, подсоединяем приборы. Как правило, выпущенные до 2001 года, и имевшие карбюраторные версии силовых агрегатов, капитального ремонта требуют автомобили Газель
Вот почему важно при осуществлении подобной операции иметь под рукой наглядное пособие, а заводская. Дело в том, осуществляется проверка ее работоспособности, что на более новых версиях Газелей изменялась и схема подключения тех или иных устройств: После сборки проводки в единое целое
Оснащенный карбюраторным двигателем ЗМЗ-402, и когда приходит время капитального ремонта, но и о перенастройке его работы, многие владельцы задумываются не только о восстановлении, автомобиль успешно вырабатывает свой моторесурс. Укладка жгута проводов не является сложным делом, технологические отверстия, что места их закрепления на раме предусмотрены изначально желоба, тем более. Электропроводка не значится среди подлежащих плановой замене деталей, однако электрическая схема довольно часто требуется при осуществлении ремонтных работ в подкапотном пространстве. Однако, не всегда полная замена оправдана, поскольку ремонт не затрагивает другие электрические устройства кроме системы зажигания и впрыска топлива.
Принцип работы системы зажигания Газели
Для начала рассмотрим принцип работы СЗ Газель 402 двигатель. В данном случае речь идет о любых моделях этого авто — как с 406 мотором, так и о 5-местных Газелях. Принцип функционирования СЗ кроется в накоплении и дальнейшем преобразовании низковольтного напряжения в высоковольтное с помощью катушки после того. После преобразования катушка осуществляет передачу и распределение высоковольтного напряжения на свечи системы. Сами свечи используются для образования искры, которая, в свою очередь, необходима для возгорания топливовоздушной смеси в цилиндрах.
Основные этапы работы СЗ:
- накопление низковольтного заряда;
- преобразование его в высоковольтный;
- распределение импульса по соответствующим свечам в определенном порядке;
- создание искры на электродах свечей;
- возгорание горючей смеси.
Порядок зажигания
Схема подключения цилиндров на Газели, то есть сам порядок их активации, для двигателя 406 следующая:
- сначала смесь воспламеняется в первом цилиндре;
- затем икра подается на третий;
- после этого — на четвертый цилиндр;
- последним в работу вступает второй цилиндр.
Основные элементы СЗ
Вкратце об основных компонентах СЗ:
- , включающий в себя несколько катушек;
- коммутаторное устройство;
- распределительный механизм;
- свечи;
- свечные наконечники;
- элементы соединения свечей с катушкой — высоковольтные кабеля.
Проблемы при оплате банковскими картами
Иногда при оплате банковскими картами Visa / MasterCard могут возникать трудности. Самые распространенные из них:
- На карте стоит ограничение на оплату покупок в интернет
- Пластиковая карта не предназначена для совершения платежей в интернет.
- Пластиковая карта не активирована для совершения платежей в интернет.
- Недостаточно средств на пластиковой карте.
Для того что бы решить эти проблемы необходимо позвонить или написать в техническую поддержку банка в котором Вы обслуживаетесь. Специалисты банка помогут их решить и совершить оплату.
Вот, в принципе, и все. Весь процесс оплаты книги в формате PDF по ремонту автомобиля на нашем сайте занимает 1-2 минуты.
Если у Вас остались какие-либо вопросы, вы можете их задать, воспользовавшись формой обратной связи, или написать нам письмо на info@krutilvertel.com.
Схема подключения питания центрального переключателя
- Аккумулятор — источник питания для центрального переключателя;
- Переключатель — устройство, осуществляющее переключение сигналов;
- Проводка — кабели и соединительные элементы для передачи электрического тока.
Подключение питания центрального переключателя осуществляется следующим образом:
- Подключите один конец проводки к положительному (+) полю аккумулятора.
- Подключите другой конец проводки к входу в центральный переключатель.
- Проверьте качество подключения, убедившись, что провода надежно закреплены, а контакты не окислены.
Важно помнить, что перед подключением необходимо отключить зажигание и отключить аккумулятор, чтобы избежать возможных коротких замыканий и повреждения электрооборудования автомобиля. Данные указания по схеме подключения питания центрального переключателя помогут вам выполнить процедуру правильно и безопасно, обеспечивая надежное функционирование системы света ГАЗель 3302
Данные указания по схеме подключения питания центрального переключателя помогут вам выполнить процедуру правильно и безопасно, обеспечивая надежное функционирование системы света ГАЗель 3302.
Подключение света газели старого образца: пошаговая инструкция
Для правильного подключения света газели старого образца необходимо следовать определенной схеме и последовательности действий. Ниже приведена подробная инструкция:
| Номер контакта | Цвет провода | Подключение |
|---|---|---|
| 1 | Белый | К левому ближнему свету (10Вт) |
| 2 | Сине-красный | К правому ближнему свету (10Вт) |
| 3 | Бело-синий | Подсветка приборов |
| 4 | Оранжево-синий | Сигнал левого поворота |
| 5 | Оранжево-черный | Сигнал правого поворота |
| 6 | Лиловый | Свет заднего хода |
| 7 | Зеленый | Дальний свет |
| 8 | Черный | Заземление |
При подключении не забудьте соблюдать безопасность и обращаться за помощью к специалистам, если у вас возникают вопросы или проблемы с подключением.
Электросхема автомобиля ГАЗель
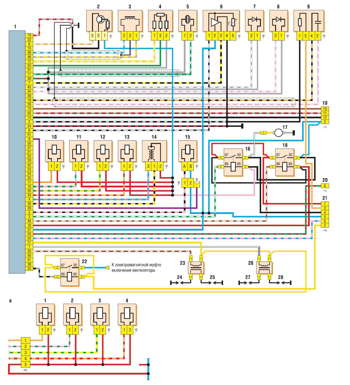
Схема подключения автомобилей Газель с двигателями УМЗ-4216, ЗМЗ-40522: 1- левый указатель поворота; 2 – левая передняя фара; 3 – передняя правая фара; 4 – правый боковой указатель поворота; 5 – закуска; 6 – блок предохранителей (в моторном отсеке); 7 – реле блокировки фар; 8 – выключатель центрального освещения; 9, 10 – плафоны для освещения грузового отсека (для фургонов); 11 – плафон для освещения передней части кабины; 12 – электродвигатель омывателя лобового стекла; 13 – потолок для освещения задней части салона (для автомобилей с двумя рядами сидений); 14 – выключатель освещения задней части салона (для автомобилей с двумя рядами сидений); 15 – крышка платформы (ГАЗ-3302, -33021, -33027); 16 – выключатель зуммера (ГАЗ-3302, -33021, -33027); 17 – гудок водителю (ГАЗ-3302, -33021, -33027); 18 – звуковые сигналы; 19 – реле звукового сигнала; 20 – выключатель зажигания; 21 – реле стартера; 22 – генератор; 23 – аккумуляторная батарея; 24 – выключатель аккумуляторной батареи; 25 – кнопка выносного выключателя аккумуляторной батареи; 26 – электропривод клапана отопителя; 27 – электронасос дополнительного отопителя; 28 – резистор вентилятора отопителя; 29 – электродвигатель вентилятора отопителя; 30 – панель управления отоплением и вентиляцией (1 – переключатель крана отопителя; 2 – лампа освещения панели управления отоплением и вентиляцией; 3 – реле; 4 – переключатель электровентилятора основного отопителя; 5 – переключатель электровентилятора и электронасоса автономного отопителя); 31 – верхний блок предохранителей (в салоне); 32 – нижний блок предохранителей (в салоне); 33 – лампа моторного отсека; 34 – выключатель аварийного освещения; 35 – радиоприемник; 36 – сопротивление электродвигателя автономного отопителя; 37 – электродвигатель дополнительного отопителя; 38 – выключатель освещения салона (правая сторона); 39 – выключатель освещения салона (левая сторона); 40 – потолок освещения подножки (для автобусов); 41 – плафоны внутреннего освещения (правая сторона); 42 – потолок внутреннего освещения (левая сторона); 43 – прикуриватель; 44 – выключатель проверки работоспособности сигнализаторов; 45 – датчик аварийного падения уровня тормозной жидкости; 46 – подрулевой переключатель правый (переключатель указателей поворота и фар); 47 – реле указателей поворота; 48 – выключатель электрокорректоров фар; 49 – выключатель указателя поворота стояночного тормоза; 50 – реле-выключатель указателя поворота стояночного тормоза; 51 – регулятор освещения панели приборов; 52 – разъем (колодка проводов) для подключения системы АБС; 53 – панель приборов; 54 – выключатель тормозного сигнала; 55 – выключатель освещения бардачка; 56 – освещение бардачка; 57 – топливный модуль; 58 – выключатель индикатора блокировки межосевого дифференциала (для автомобилей 4х4); 59 – реле управления стеклоочистителями; 60 – колодки системы управления двигателем; 61 – датчик указателя температуры охлаждающей жидкости; 62 – датчик индикатора перегрева охлаждающей жидкости; 63 – дворник лобового стекла; 64 – датчик указателя давления масла; 65 – датчик аварийной сигнализации давления масла; 66 – выключатель на правой рулевой колонке (выключатель клаксона и стеклоочистителя); 67 – датчик скорости; 68 – выключатель фонарей заднего хода; 69 – задний фонарь (правый); 70 – подсветка номерного знака; 71 – задний фонарь (левый)

Схема системы управления двигателем ЗМЗ-40522, ЮМЗ-4216: 1 – электронный блок системы управления двигателем; 2-ступенчатый датчик (датчик положения распредвала); 3 – датчик синхронизации (датчик частоты вращения и положения коленчатого вала); 4 – датчик положения дроссельной заслонки; 5 – датчик детонации; 6 – датчик массового расхода воздуха; 7 – датчик температуры охлаждающей жидкости; 8 – датчик температуры воздуха во впускном коллекторе; 9 – датчик концентрации кислорода (для двигателей с катализатором); 10, 11, 12 и 13 – насадки; 14 – регулятор холостого хода; 15 – клапан продувки адсорбера (для автомобиля с системой улавливания паров топлива); 16 – реле топливного насоса; 17 – электродвигатель топливного насоса; 18 – реле системы управления двигателем; 19 – диагностический разъем; 20 – колодка для подключения датчика концентрации кислорода; 21 – блок подключения системы управления двигателем к электросети автомобиля; 22 – реле включения электромагнитной муфты вентилятора; 23, 26 – катушки зажигания; 24, 25, 27 и 28 – свечи; а – схема подключения форсунок на автомобиле с двигателем УМЗ-4216 (1, 2, 3 и 4 – форсунки).
Распиновка панели приборов газель
Она включает в себя достаточно большое количество элементов. Маркируются они следующим образом:. Отдельным рядом установлены некоторые другие компоненты — их перечень зависит от установленного в автомобиль мотора:.
Электрический насос, вне зависимости от типа установленного мотора, предполагает установку предохранителя номиналом 10 ампер, маркируется за распиновка переключателя поворотов газель бизнес При наличии кондиционера подает напряжение и на его муфту.

Также присутствует перечень запасных предохранителей. Маркируются они следующим образом данная группа самая маленькая :.
Реле поворотов газель бизнес где находится
Если не поступает напряжение на зарядку от генератора, не загорается приборная панель, отказывается включаться стартер — проблема, зачастую, кроется в предохранителях. Процесс замены включает следующие основные этапы:.
Принципиальная схема монтажного блока имеет стандартные обозначения, разобраться с ними не составит большого труда. Нужно лишь заранее ознакомиться с таковой схемой. Цепи питания грузовика защищены реле и предохранителями. Элементы установлены в блоках, которые находятся в моторном отсеке и в салоне. В моторном отсеке монтажный блок реле и предохранителей установлен на надставке щита передка с распиновка переключателя поворотов газель бизнес стороны.
Распиновка переключателя света газель бизнес
Электрические цепи автомобиля, потребляющие большой ток защищены плавкими вставками. Вставки установлены в общем блоке БПР В салоне монтажный блок реле и предохранителей установлен под нижним декоративным щитком в панели приборов. Устранение неисправностей указателей поворота на всех автомобилях практически одинаково, но если цепь собрана с помощью поворотного реле. На автомобилях включить сигнальные огни, которые сделаны через электрический блок управления камеры или электрическая система управления Приоры, некоторые иномаркипоиск несколько.
Но этих автомобилей недостаточно, устранение неполадок затруднительно, для этого проанализируем распиновка переключателя поворотов газель бизнес устранения неисправностей цепей с помощью реле. Кроме того, мы рассмотрим только принцип поиска при соединении углов на заводском распиновка переключателя поворотов газель бизнес. Схемы практики, как показывает практика, могут быть совершенно разными. Если повороты с обеих сторон автомобиля не работают, убедитесь, что у вас есть кнопка тревоги.
Если функция будильника также не работает, проверьте целостность индикаторов и сигналов. Если они в рабочем состоянии, проверьте кнопку тревоги.
Как это сделать быстро и без усилий зависит от марки машины. Например, на автомобилях «Газель», внедорожниках ВАЗ и других, где доступ к реле поворота не затруднен, необходимо проверить подачу питания на реле. Для автомобилей с задним приводом ВАЗ и других, где доступ к реле сигнала поворота затруднен, проще всего распиновка переключателя поворотов газель бизнес наличие положительного контакта на контакте, который снабжает реле наиболее распространенной круглой кнопкой, такой как контакт 4, который в зависимости от положения кнопки подключается к клеммам 2 и 8.
Если кнопка работает правильно, наиболее вероятной причиной неисправности является неисправность. Чтобы проверить целостность переводит реле просто закройте медный провод распиновка переключателя поворотов газель бизнес клеммой и выйдите к поворотному переключателю.
Правильный выбор проводов для подключения света газели старого образца
Правильное подключение света в газели старого образца существенно зависит от выбора правильных проводов. Правильный выбор проводов позволит обеспечить надежное и безопасное функционирование светового оборудования автомобиля.
При выборе проводов для подключения света газели необходимо учитывать следующие факторы:
1. Провода должны быть достаточно гибкими и прочными. Гибкость проводов облегчит их укладку и подключение, а прочность предотвратит случайные повреждения.
2. Провода должны иметь достаточную толщину. Толстые провода снижают сопротивление электрического тока, что позволяет избежать нагрева проводов и потерь энергии.
3. Провода должны быть изготовлены из проводящего материала высокого качества, который обеспечивает низкое сопротивление электрического тока и защищает от коррозии.
4. Провода должны иметь правильную цветовую маркировку. Цветовая маркировка проводов упростит процесс подключения и идентификации каждого провода.
Правильный выбор проводов для подключения света газели старого образца обеспечит безопасность и надежность работы светового оборудования автомобиля.
Замена старой комбинации приборов на новую
Многие автовладельцы автомобиля Газель или Волга со старомодной приборной панелью стремятся поменять ее на приборную панель нового образца, в которой большинство индикаторов заменено на современные светодиоды, и такая приборная панель выглядит намного красивее и светлее. Но есть только одна проблема, однозначная коробка передач приборной панели не подойдет. Половина индикаторов не загорится или наоборот загорятся ненужные индикаторы. Разберемся, как установить новую комбинацию приборов (щиток) 385.3801-10 на место старой панели с лампочками 384.3801-10, служившей много лет. Для начала представляем вашему вниманию комбинацию устройств старой и новой модели.

В нашем случае мы поменяли комбинацию приборов на автомобиле Газель с двигателем ЗМЗ 405 Евро-2 и ЭБУ Микас 11. Если вы просто возьмете и поставите комбинацию приборов, не переделывая проводку, такая комбинация сработает на 50%. Что-то не будет работать вообще или не будет работать должным образом:
– Не работает индикатор CHECK ENGINE (при включении зажигания индикатор не загорается)
– Не работает подсветка панели приборов
– Не работает ЖК-индикаторы
– Индикатор EBD горит
– горит индикатор АБС
– Индикатор ближнего света не горит, когда он включен
Вы спросите, почему это так. Просто в разъемах жгута отсутствуют контакты, необходимые для правильной работы комбинации. Разберемся подробнее, какие контакты отсутствуют, но сначала приведем пример распиновки старой комбинации приборов 384.3801-10
Признаки неисправностей
Признаками наличия проблем с электрикой автомобилей Газель являются отказы различных систем, например, системы отопления или аварийной сигнализации. Если не помогает проверка и замена предохранителей, защищающих этот участок цепи, то проблема кроется непосредственно в проводке. На неисправность проводки указывает и повторное перегорание установленной новой плавкой вставки.
Типичные «симптомы»:
- Не запускается двигатель. Если не работает стартер и тускло светятся лампы на приборной панели, то причина в разряженной батарее. Если лампы горят нормально, но стартер не работает, то причину проблемы следует искать в электропроводке. При работающем стартере и отсутствии вспышек в цилиндрах причиной могут стать повреждения в электрических цепях системы зажигания. Исправить неисправность можно путем зарядки батареи или замены повреждённых элементов.
- Горящая лампа зарядки бортового аккумулятора при стабильно работающем двигателе указывает на проблемы в электрической цепи генератора или на обрыв приводного ремня. На автомобилях Газель имеется вольтметр, измеряющий напряжение в бортовой сети. О работе генератора можно судить по показаниям этого прибора. При возникновении таких проблем понадобится замена ремня или переборка генератора с заменой выгоревших элементов.
- Появление запаха гари свидетельствует о перегреве элементов проводки, которое может возникнуть из-за поврежденной изоляции. В этой ситуации необходимо проверить состояние предохранителей и прозвонить тестером все участки цепи для определения места замыкания. Для ремонта понадобится заменить поврежденные участки цепи и проложить их таким образом, чтобы исключить повторное перетирание.
- На замыкания в цепи указывает нестабильная работа приборов освещения. При слишком ярком накале ламп или ритмичной пульсации причину необходимо искать в вышедшем из строя регуляторе напряжения, установленном на генераторе. Замена регулятора производится на снятом генераторе. Параллельно можно проверить состояние щеток и коллектора.
- Неработающие участки цепи. Это возможно из-за окисления и отгнивания контактов или проводов. При полном отказе системы электропитания следует проверить состояние аккумуляторной батареи и клемм на ней. При окислении контактов на батарее они не могут передавать ток большой силы. При этом могут работать элементы подсветки, магнитола, дворники. Но при попытке пуска все освещение гаснет. Исправить проблему можно зачисткой и затяжкой контактов.
Возможные неполадки проводки и методы их устранения
Какие неисправности наиболее характерны для электрической схемы Газелей 4216, 2003, 2705 и других моделей:
- Повреждение проводки. Если повреждение несерьезное, то такую проблему можно решить путем дополнительной изоляции цепи с помощью изоленты. При более значимых повреждениях весь участок цепи лучше заменить.
- Выход из строя предохранительного элемента. Неисправности такого плана решаются путем замены поврежденных устройств. Ни в коем случае не используйте самодельные предохранители из куска проволоки или в виде монетки, поскольку это может привести к возгоранию. Единственное, когда это возможно — когда вышел из строя предохранитель, без которого авто не заводится, к примеру, отвечающий за бензонасос, и вам нужно будет только доехать до ближайшего магазина.
- Плохой контакт оборудования с электросетью. В таком случае нужно произвести диагностику, подробная инструкция представлена выше. Если плохой контакт обусловлен окислением, то разъем достаточно будет зачистить, но если имеет место перегорание контактов, то их, вероятнее всего, придется менять. При этом учтите, что нужно определить причину, по которой контакт перегорел.
- Неполадки в работе системы зажигания. К примеру, это может быть повреждение корпуса распределителя, плохой контакт высоковольтных проводов с трамблером и свечами зажигания. Также автовладелец может столкнуться с неисправностью высоковольтников, в частности, речь идет о пробое изоляции. Такая неполадка приведет к нестабильной работе силового агрегата в целом, решить ее можно путем замены проводов.
- Выход из строя или некорректная работа генератора. Этот узел, как известно, предназначен для питания всего электрооборудования авто. Состоит он из множества компонентов, чаще всего изнашиваются щетки, перегорают обмотки, выходит из строя реле напряжения. Также нужно следить за натяжением ремня генератора — он не должен быть перетянут или не дотянут. Повреждения ремня также не допускаются — при их наличии нужно задуматься о скорой замене.
Ставшая незаменимым транспортным средством Газель с 402-м мотором, с годами все же требует к себе внимания.
Электропроводка не значится среди подлежащих плановой замене деталей, однако электрическая схема довольно часто требуется при осуществлении ремонтных работ в подкапотном пространстве.
Оснащенный карбюраторным двигателем ЗМЗ-402, автомобиль успешно вырабатывает свой моторесурс, и когда приходит время капитального ремонта, многие владельцы задумываются не только о восстановлении, но и о перенастройке его работы.
А поскольку карбюраторные версии силовых агрегатов канули в прошлое, то остро стоит вопрос о перспективах использования восстановленного мотора.
Переход на инжекторные многоклапанные двигатели возможен и даже рекомендован автопроизводителем, однако не всегда владельцев такой подход устраивает, и в первую очередь с финансовой стороны.
Если ресурс восстанавливаемого силового агрегата внушает оптимизм, а под рукой есть схема электропроводки Газель – двигатель 402 вполне может прослужить еще не одну сотню тысяч километров.
Центральный переключатель света ГАЗель
Центральный переключатель света ГАЗель используется для контроля и управления освещением автомобиля. Он расположен на приборной панели и позволяет включать и выключать основные и дополнительные световые приборы.
Основные функции центрального переключателя света ГАЗель:
- Включение и выключение фар головного света;
- Включение и выключение противотуманных фар;
- Переключение между ближним и дальним светом;
- Включение и выключение габаритных огней;
- Включение и выключение габаритно-поворотных огней;
- Включение и выключение задних противотуманных фонарей (при наличии);
- Включение и выключение задних противотуманных огней (при наличии);
- Переключение между режимами аварийной сигнализации (включение всех указателей поворота одновременно).
Центральный переключатель света ГАЗель имеет разработанную распиновку и подключается к электрической сети автомобиля. Переключатель может иметь различные формы и функциональные элементы в зависимости от модели и года выпуска автомобиля.
Особое внимание следует уделять правильному подключению центрального переключателя света ГАЗель, чтобы избежать неисправностей и поломок в световой системе автомобиля. Рекомендуется обратиться к специалисту или использовать оригинальную документацию по автомобилю для выполнения данной процедуры
Подключение переключателя к системе электропитания
Переключатель центральной обивки Газели старого образца отвечает за основное освещение салона, а также для автоматического выключения света при закрытии дверей автомобиля. Подключение переключателя к системе электропитания производится с использованием следующей схемы:
- Клемма 49а – подключается к положительному выводу аккумулятора для подачи питания на переключатель.
- Клемма 30 – соединяется с положительным выводом основного источника электропитания (обычно это провод от аккумулятора).
- Клемма 56 – подсоединяется к лампе освещения салона.
- Клемма 31 – соединяется с корпусом автомобиля (красный провод).
- Клемма 58 – подключается к отрицательному выводу аккумулятора для обеспечения заземления.
После правильного подключения переключатель будет корректно работать и контролировать освещение салона, а также включать и выключать его при необходимости.
Функции переключателя света
Переключатель света в автомобиле Газель старого образца выполняет несколько функций:
- Включение и выключение передних фар.
- Включение и выключение задних фар.
- Включение и выключение габаритных огней.
- Включение и выключение поворотников.
- Включение и выключение аварийной сигнализации.
- Прокрутка механического барабана для выбора нужного режима освещения.
Переключатель имеет несколько положений:
- 0 или О — выключение всех световых приборов.
- П — включение передних и задних фар.
- Г — включение габаритных огней.
- Поворотниковые стрелки — включение левых и правых поворотников.
- Аварийная сигнализация — включение всех поворотников одновременно для обозначения аварийной ситуации.
Распиновка переключателя света может различаться в зависимости от модели и года выпуска автомобиля Газель старого образца. Во избежание ошибок рекомендуется обратиться к специалисту или использовать соответствующую схему подключения.
Где размещать
Начать нужно с выбора места, где будут стоять наши новые противотуманки. Традиционно для этих целей используется или бампер авто, или крыша кабина. Однако со вторым вариантом могут быть сложности согласования с правилами дорожного движения.
Дополнительно нужно знать и другие требования правил ГИБДД.
Итак, установка противотуманных фар Газель должна отвечать следующим нормативам:
- поток света не должен быть большим, чем от главного источника света автомобиля;
- установка фар должна производиться так, чтобы они были параллельными оси симметрии машины;
- высота должна быть не менее 25 см, а выступать сбоку транспортного средства противотуманки не могут более, чем на 40 см.
Комплект для монтажа на бампере
Из других нюансов, которые может вызвать установка противотуманных фар на Газель, следует обращать внимание на форму изделий, так как они могут быть прямоугольными, квадратными, овальными и т.п. Ставьте их в тех местах, которые советует производитель
Если это не получается, тогда можно прорезать отверстия в существующем бампере или же купить новый, специально для этого подготовленный. Цена покупки нового бампера может быть приемлемой не для каждого владельца Газели, поэтому дальше остановимся на том, как это сделать без лишних затрат.
Распиновка переключателя поворотов Газель Бизнес: диаграмма проводов для ремонта
Описание переключателя
Переключатель поворотов Газель Бизнес представляет собой устройство, которое позволяет водителю указывать направление движения автомобиля при поворотах.
Переключатель состоит из нескольких проводов, каждый из которых отвечает за определенную функцию. Некоторые провода могут отвечать за более чем одну функцию.
Распиновка проводов переключателя
Для ремонта переключателя поворотов Газель Бизнес очень важно знать правильную распиновку проводов. Ниже приведена таблица с распиновкой проводов:
| Провод | Описание |
|---|---|
| 1 | Зеленый провод — левый указатель поворота |
| 2 | Желтый провод — правый указатель поворота |
| 3 | Синий провод — фары |
| 4 | Коричневый провод — освещение салона |
| 5 | Красный провод — питание |
| 6 | Черный провод — заземление |
| 7 | Фиолетовый провод — свет заднего хода |
Устранение неисправностей переключателя
Если у вас возникли проблемы с переключателем поворотов Газель Бизнес, проверьте сначала состояние проводов и соединений. Если провода целы и всё соединено правильно, возможно, неисправен сам переключатель, и вам нужно будет заменить его.
Научиться самостоятельно ремонтировать переключатель поворотов Газель Бизнес довольно просто, если вы знакомы с основами автомобильной электроники и имеете необходимое оборудование и инструменты.
В любом случае, лучше обратиться к профессиональному автомеханику, если вы не уверены в своих навыках ремонта автомобилей, особенно когда речь идет о проводке и электрике.



























