Подрулевые переключатели УАЗ Патриот
Подрулевые переключатели — незаменимая часть любого автомобиля. Они позволяют оперативно выполнять нужные действия, и у УАЗ Патриот их два (это пластиковые рычаги, которые находятся под рулевой колонкой).

Что касается функций, которые выполняет этот механизм, они могут меняться в зависимости от комплектации автомобиля. В УАЗ Патриот они нужны для:
- включения поворотов;
- переключения света фар (на ближний и дальний);
- передачи определенных сигналов другим участникам дорожного движения с помощью света;
- определения скоростей работы стеклоочистителя;
- подачи команды очистителю очищать стекла в заданном режиме.
Одной из главных задач является снятие рулевой колонки, для выполнения которой требуется:
- Отсоединить аккумулятор от клеммы.

- Достать кожух колонки.

- Снять колодку проводов, которые соединяются с левым переключателем.

- Нажать пальцами на фиксаторы, выполненные из пластика, и достать изделие.

Особенности устройства рулевой УАЗ Патриот
Рулевое управление УАЗ Патриот состоит из:
- колонки и рулевого колеса;
- двух рулевых тяг, которые соединены посредством шарниров.


Посредством рулевого вала УАЗ Патриот происходит передача на рулевой механизм крутящего момента. Рулевое колесо монтируется с помощью шлицев гайки, вала и колонки. Когда оно начинает вращаться, растет давление жидкости, что стимулирует перемещение гайки-поршня. Далее начинает двигаться рабочая жидкость под заданным давлением.

Оптимальное давление жидкости обеспечивается установленным клапаном, который выполняет свою функцию в зависимости от того, с какой частотой вращается коленчатый вал силового агрегата. При выходе из строя гидроусилителя автомобилист может продолжать управлять ТС, однако поломка может стать причиной того, что на рулевом колесе повысится усилие, это может усугубить неисправность.
Учитывая конструкционные особенности устройства автомобиля, можно выделить такие причины возникновения поломок рулевой:
- ослаблены гайки, с помощью которых крепится сошка;
- неправильно отрегулирован боковой зазор механизма;
- износились шаровые, червяк, ролик;
- ослабление элементов рулевого кардана УАЗ Патриот;
- чрезмерно большой объем рабочей жидкости (или ее недостаток), проблемы с прокладками, износ сальников;
- вышли из строя рулевые наконечники УАЗ Патриот;
- ослабление всевозможных крепежных элементов;
- неравномерное давление в шинах, неестественное изменение рычагов подвески.
Интересно! Признаки поломки и замена помпы УАЗ.
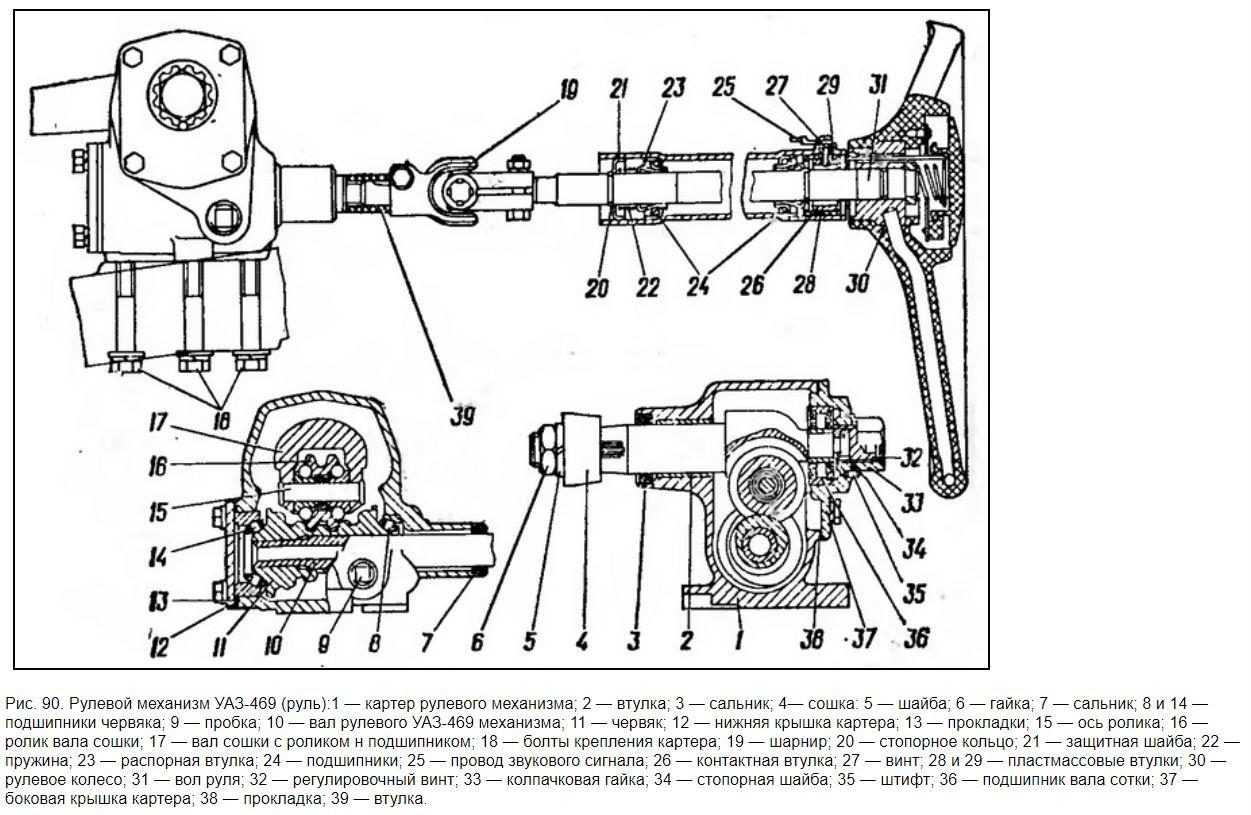
Обслуживание рулевого управления УАЗ-3741, УАЗ-3962, УАЗ-3909, УАЗ-2206, УАЗ-3303, регулировка рулевого механизма.
Обслуживание рулевого управления грузопассажирских автомобилей УАЗ-3741, УАЗ-3962, УАЗ-3909, УАЗ-2206, УАЗ-3303 заключается в периодической подтяжке болтов крепления картера к кронштейну, проверке крепления пальцев рулевых тяг, крепления сошки, крепления рычага поворотного кулака, проверке свободного хода рулевого колеса, регулировке рулевого механизма, своевременной смазке шарниров рулевых тяг и при необходимости масла в картере рулевого механизма.
Обслуживание рулевого управления УАЗ-3741, УАЗ-3962, УАЗ-3909, УАЗ-2206, УАЗ-3303.
В процессе эксплуатации автомобиля надо периодически проверять затяжку гаек наконечников и контргаек рулевых тяг и не допускать появления зазоров в конических соединениях рычагов и пальцев. При появлении зазора в шарнире надо завернуть до упора его заглушку, а затем отвернуть ее на 1/2 оборота и в этом положении снова закернить. Первую подтяжку крепления картера рулевого механизма производить через 500 километров пробега автомобиля, а в дальнейшем через одно техническое обслуживание.
При обслуживании рулевой колонки с карданным шарниром необходимо обращать внимание на состояние крепления подшипников в вилках шарнира рулевого управления. При появлении радиального зазора в шарнире, осевое перемещение крестовины в подшипниках, произвести дополнительную раскерновку подшипников в ушках вилок, предварительно сняв рулевую колонку
Регулировка рулевого механизма УАЗ-3741, УАЗ-3962, УАЗ-3909, УАЗ-2206, УАЗ-3303.
Если свободный ход рулевого колеса будет более указанного, то прежде чем приступить к регулировке рулевого механизма, надо убедится в надежности затяжки болтов крепления картера и отсутствии зазоров в шарнирах привода.
Регулировка затяжки подшипников червяка рулевого механизма производится с помощью прокладок установленных между картером и нижней крышкой картера рулевого механизма, в следующей последовательности :
1. Снять рулевой механизм с автомобиля. Слить масло из картера. Зажать рулевой механизм в тиски. 2. Отвернуть колпачковую гайку и снять стопорную шайбу с регулировочного винта зазора в зацеплении. 3. Отвернуть болты крепления боковой крышки картера
Вынуть вал сошки вместе с крышкой легкими ударами медной или алюминиевой выколотки по торцу вала и осторожно снять прокладку. 4
Отвернуть болты крепления нижней крышки картера и снять нижнюю крышку. Осторожно отделить и снять тонкую бумажную прокладку. 5. Установить нижнюю крышку на место, затянуть болты и проверить осевое перемещение червяка.
6. Если осевое перемещение осталось, то снова снять нижнюю крышку, снять толстую прокладку, а на ее место установить ранее снятую тонкую. Снимать более одной прокладки не следует. 7. Вращением червяка окончательно проверить затяжку подшипников. При правильной затяжке роликовых подшипников червяка усилие, необходимое для вращения рулевого колеса, должно быть 0,22-0,45 кгс, что соответствует моменту силы проворачивания червяка 4,67-9,56 кгссм, без вала сошки.
Регулировка зацепления ролика с червяком рулевого механизма УАЗ-3741, УАЗ-3962, УАЗ-3909, УАЗ-2206, УАЗ-3303.
Регулировку зацепления ролика с червяком можно производить без снятия рулевого механизма с автомобиля в следующей последовательности :
1. Установить рулевое колесо в положение, соответствующее движению автомобиля по прямой. Отсоединить рулевую тягу от сошки. Отвернуть колпачковую гайку и снять стопорную шайбу со штифта.
2. Вращая регулировочный винт зазора в зацеплении по часовой стрелке, устранить зазор в зацеплении. Надеть стопорную шайбу. Если отверстие в шайбе не совпадает со штифтом, то повернуть регулировочный винт так, чтобы отверстие в шайбе совпадало со штифтом. Навернуть колпачковую гайку на регулировочный винт и покачивая рукой рулевую сошку, проверить, нет ли зазора в зацеплении.
3. Проверить усилие, необходимое для вращении рулевого колеса. Рулевое колесо должно свободно проворачиваться от среднего положения, соответствующего движению по прямой, при усилии 0,9-1,6 кгс, приложенному к рулевому колесу. Для проверки усилия, при отсутствии специального приспособления, можно использовать динамометр. Соединить сошку с тягой.
Возможные неисправности рулевого управления УАЗ-3741, УАЗ-3962, УАЗ-3909, УАЗ-2206, УАЗ-3303.
Увеличенный свободный ход рулевого колеса, более 10 градусов.
Осевое перемещение рулевого колеса на валу или осевое перемещение червяка рулевого механизма, ощутимое на рулевом колесе.
Самовозбуждающееся угловое колебание передних колес.
Радиальное перемещение рулевого вала, ощутимое на рулевом колесе.
Заедание в рулевом механизме.
Особенности системы
Механизм рулевого управления Патриота дополняется колонкой. Вал находится в колонке руля на 2-х опорных подшипниках. Это так называемая опора рулевого вала УАЗ Патриот. Ее задача – передать повороты вправо или влево от руля на рулевой механизм посредством устройства, похожего на кардан. Руль устанавливается на шлицы и надёжно фиксируется на нём соединением с гайкой. К трубе закрепляется механизм регулирования угла наклона.
Основная часть узла находится в моторном отсеке, а его картер закреплен на раме при помощи болтовых креплений. Особенность рулевого управления УАЗа Патриота в том, что здесь используются шаровые шкворни – технология устаревшая и встречается на современных автомобилях редко. В остальном механизм выполнен по стандартной схеме и мало чем отличается от устройств, устанавливаемых на УАЗ 469 и прочие модели.
Когда водитель вращает руль на УАЗе Патриоте, винт механизма управления выкручивается из поршневой гайки или, наоборот, вворачивается в неё. Давление в одной или в другой полостях рулевого механизма повышается или понижается, от этого поршневая гайка начинает перемещаться. Одновременно с этим она оказывает влияние на сошку через вал рулевой рейки, а та через рулевую трапецию и тяги передает усилие на управляемые колеса, заставляя поворачиваться их в нужную сторону.
Для наглядности все неполадки представлены в таблице:

Рулевая колонка Патриота (маленькая хитрость с левой резьбой)
Причина неисправности
Способ устранения
Люфт руля (ход без усилия больше 400 мм)
Превышение допустимого зазора в шарнирах рулевых тяг
Добиться нужного зазора или заменить изношенные элементы
Слабое крепежное соединение тяги сошки
Подтянуть гайки шпилек креплений рычагов тяг
Слабое крепление конусов пальцев тяг
Убрать шплинты и затянуть соединения
Ослабление болтового соединения картера с лонжероном рамы
Затянуть болты
Нарушение регулировки или износ зацепления ролика и червяка
Отрегулировать или поменять повреждённые детали
На руле ощущается перемещение червяка по оси
Регулировка затяжки подшипников червяка выполнена некорректно
Отрегулировать до оптимальных значений
Износ деталей
Замена деталей
Самопроизвольное угловое колебание управляемых колес (биение)
Недостаточное давление в шинах
Проверить давление, при необходимости подкачать
Неправильный угол положения колес
Сделать развал-схождение
Неправильный зазор подшипников в ступице
Выставить рекомендуемый зазор
Дисбаланс колес
Требуется балансировка
Изношены рулевые наконечники на УАЗ Патриот
Выставить правильный зазор
Руль на валу перемещается по оси
Ослабла крепёжная гайка руля на валу
Затянуть крепеж
Болты шарнира вала не держат
Подтянуть соединения или заменить болты
Рад иальное смещение вала
В рулевой колонке УАЗ Патриот износились или разрушились подшипники
Замена изношенных деталей
Смещение стопорных колец относительно канавок на валу
Заменить или установить кольца на место.
Крепление кузова к раме ослабло
Затянуть крепления гаек
Рулевой механизм заедает
Сильно изношен червяк или ролик
Замена изношенных деталей
При зацеплении слышны скрипы или щелчки
Нет масла в КПП
Поверить уровень масла, при необходимости долить и устранить утечку
Рабочие поверхности деталей значительно изношены
Замена деталей
Зазор в зацеплении
Выставить правильный зазор
Утечка масла из картера
Повреждена или изношена манжета вала
Поменять деталь
Износилась манжета ротора
Заменить
Масло течет через предохранительный клапан расширительного бачка ГУР
В расширительном бачке повышен уровень масла
Снизить уровень до оптимального
Засорился фильтрующий элемент в бачке
Заменить фильтр
Скрипит рулевая колонка
В подшипнике нет смазки
Снять руль и смазать подшипник
При наличии ГУР требуется большое усилие для поворота рулём
Низкий уровень рабочей жидкости в системе, воздушная пробка
Долить масло до нужного уровня, прокачать систему и удалить пробку
Вода в системе
Заменить рабочую жидкость, прокачать систему
Зацепление поршня с сошкой неправильно отрегулировано
Отрегулировать
Производительность насоса недостаточная
Натянуть приводной ремень, устранить подтекание масла на ремень, прочистить предохранительный клапан
Шумит гидроусилитель
Низкий уровень масла
Долить масло, устранить утечку и прокачать систему
Ослаб ремень привода
Подтянуть ремень
Воздух в системе
Удалить воздух из системы
Изношен насос
Заменить неисправную деталь
Засорился фильтр в бачке
Поменять фильтрующий элемент
Как Снять Руль Уаз Патриот
Как устранить стук в рулевой колонке на УАЗ Патриот
Владельцам ульяновского серийного внедорожника под названием УАЗ Патриот понадобятся некоторые модификации практически сразу после его приобретения. Даже новый автомобиль из автосалона может чувствовать посторонний шум или стук в области рулевой механизм. Конечно, если машина все еще находится на гарантии, вам следует обратиться к вашему дилеру, чтобы решить проблему. Но во всех случаях владелец нового внедорожника имеет возможность посетить такой центр, поэтому часто все неисправности приходится исправлять самостоятельно. В этой статье мы проанализируем влияние рулевого колеса на внедорожник УАЗ Патриот, которое происходит в основном во время поворота, а также процесс его устранения.
Общий источник стука
Назначение и конструкция гидроусилителя руля
Главной задачей ГУР является обеспечивать легкость вращения колес с помощью масла, которое насос подает под давлением по масляному шлангу, проходящему через масленый фильтр в механизм управления.
Масляный шланг
Насос с управляющим механизмом соединяется масляным шлангом, который часто раздувается, после чего понижается давление в системе. Поэтому владельцам этой модели необходимо время от времени проверять исправность этого элемента
Если наблюдается запоздалая реакция при вращении рулем, стоит обратить внимание на состояние шланга и, если нужно, заменить его
У владельцев УАЗ Патриот в багажнике должен лежать запасной масляный шланг. Так как из-за плохого качества часто случается порыв или вздутие этой детали. Купить запчасть можно в магазине. Часто пользуется спросом деталь с артикулом: 3163-00-3408150-01. После замены необходимо прокачать систему, чтобы удалить воздух.
Фильтр

В оборудовании ГРУ имеется фильтрующий элемент, который очищает циркулирующее масло. Замену фильтра нужно производить при каждой замене жидкости. Перед покупкой новой запчасти нужно убедиться в ее качестве. Самым качественным считается фильтр, который был установлен заводом-изготовителем. Не стоит выкидывать оригинальную запчасть, не записав ее название и номер.
Насос
Главной запчастью в системе ГУР является насос, создающий гидравлическое давление, которое помогает рулю легко вращаться, что облегчает водителю управление транспортным средством.
При повреждении корпуса насос нужно поменять. С лучшей стороны зарекомендовал себя насос: Delhpi 3163-3407010.
Регулировка рулевого редуктора УАЗ 469

Дмитрий Клюев
Автомеханик-диагност, в профессии 14 лет.
Регулировка рулевого редуктора уаз производится при возникновении люфта, который превышает норму (при условии, что крестовина вала и шарниры находятся в работоспособном состоянии и не изношены).
Регулировка рулевого механизма
Для регулировки рулевой механизм снимается с автомобиля и зажимается в тисках. Затем с него сливается масло. Регулировка происходит за несколько шагов:
- Убрать крышки 25 и 31.
- Произвести установку шайб, один ус каждой шайбы загнуть в паз и поставить стопорные кольца.
- Придать вращение подшипнику 28 для закрытия зазора. Произвести регулировку, когда ось управления находится в положении, которое соответствует центральному положению сектора шестерни.
- Выпрямить усы шайб.
- Снять прокладки 27 и кольца 26.
- Расслабить гайку 24.
- Убрать тягу 23.
- Механизм поставить на авто, установить сошку и закрутить гайку.
- Присоединить магистрали, вилку вала и залить масло.
- Установить тягу сошки, закрутить шплинтовую и гайку сошки.

Регулировка затяжки подшипников червяка рулевого механизма
Чтобы отрегулировать затяжки подшипников на уаз, придется произвести демонтаж всего механизма с автомобиля. Затем редуктор зажимается в тисках и производится непосредственно регулировка:
С картера слить смазку.
Открутить гайку, которая скрывает винт регулировки.
Снять шайбу, которая служит для исключения смещения винта при движении автомобиля.
Снимается сошка с вала. Это происходит либо при помощи специального съемного устройства, либо путем нагрева и применения молотка из мягкого металла
Важно при этом не повредить резьбу вала.
Демонтировать нижнюю и верхнюю крышки.
Снять прокладку, расположенную в нижней части редуктора.
При смещении червяка от своей оси снимается и вторая прокладка, а на ее место устанавливается ранее снятая. Это необходимо для уменьшения зазора корпусом и нижней крышкой.
После проведения регулировки затяжки механизм собирается в обратной последовательности и устанавливается на уаз.

Регулировка зацепления ролика с червяком рулевого механизма
Рулевое управление может иметь люфт, превышающий нормальные показатели, если нарушено зацепление ролика и червяка. Для регулировки этого параметра снимать редуктор с авто не требуется. Чтобы на месте произвести настройку, нужно выполнить несколько шагов:
- Установить колеса в прямое положение.
- Снять палец тяги. Для облегчения процесса можно использовать съемное устройство.
- Снять гайку и шайбу, которые блокируют винт регулировки.
- Закручивать винт до тех пор, пока не пропадет люфт зацепления.
- Установить шайбу и гайку на свои места.
Дмитрий Клюев
Автомеханик-диагност, в профессии 14 лет.
После проведения регулировки нужно обязательно проверить, какое усилие нужно прикладывать к рулевому колесу. Если закрутить винт регулировки слишком сильно, то детали редуктора будут испытывать сильное трение, что приведет к повышенному износу.

Меняем сальник полуоси переднего моста на УАЗ Патриот
В конструкции переднего моста внедорожника УАЗ Патриот имеется такой важный элемент, как сальник
Важность его основана на том, что благодаря ему, осуществляется уплотнение отверстия в месте соединения моста с поворотным кулаком. Со временем эксплуатации автомобиля сальники полуоси изнашиваются и приходят в негодность
Если данный элемент пришел в негодность, то — это чревато таким последствиями, как течь масла из моста, что в итоге может вызвать заклинивание шестерней
Поэтому очень важно всегда обращать внимание на главный признак неисправности уплотнителя — это наличие течи в области соединения кардана с редуктором. В данном материале рассмотрим, что же представляет собой сальник полуоси переднего моста Патриота и как осуществляется его замена

Устройство руля на УАЗ Паритоте

Неотъемлемой частью любого транспортного средства является рулевое управление(РУ), благодаря которому обеспечивается безопасность передвижения на автомобиле, меняется направление движения, а также совершаются различные маневры. На внедорожнике UAZ Patriot с гидроусилителем в устройство системы РУ входит: рулевая колонка, руль, пара рулевых тяг, поворотные кулаки, и шаровые шарниры.
Регулировка
Для проведения работ по настройке нужно подготовить весь необходимый инструмент:
- Плоскогубцы, чтобы расшплинтовать гайки;
- Набор гаечных ключей;
- Т-30 наконечник в форме звездочки;
- Смазку WD-40.
После того как весь инструмент подготовлен можно переходить к регулировки усилителя:
- Первым делом прямо устанавливаются колеса;
- Открывается капот и находится колонка;
- Поверхность очищается от грязи;
- На картере ГУРА его центральной части находится винт, при помощи которого осуществляется регулировка;
- С сошки снимается наконечник;
- Проверяется наличие люфта и возможных дефектов, для этого сошку нужно подвигать в лево и право. В случае обнаружения дефектов они устраняются;
- Переходим к необходимым работам, ключом на 16 откручивается контргайка, у нее левая резьба, по этой причине ее нужно откручивать по часовой стрелке;
- Когда контргайку ослабили берется ключ T-30 и откручивается винт;
- Проверяется как ходит рулевая сошка, если она двигается туго, винт нужно крутить в левую сторону;
- Регулируется люфт на редукторе, таким образом чтобы он ели ощущался;
- В таком положении до упора затягивается и зашплинтовывается контргайка.
После того как работы произведены нужно проверить чтобы сошка перемещалась плавно без заеданий, наличие небольшого люфта допускается. Затем на место устанавливаются все наконечники и уже во время движения проверяется работа механизма.
Ремонт
В картере рулевой колонки внедорожника УАЗ Патриот имеется слабое место, это резьба куда вкручивается болт, и во время регулировки целостность резьбы может нарушится, это связанно с низким качеством металла. Проблема решается следующим способом:
- При помощи метчика нарезается новая резьба;
- Берется втулка у которой две резьбы;
- Втулка вкручивается по новой нарезанной резьбе и склеивается при помощи цианакрилатного клея;
- В новое отверстие редуктора устанавливается новый регулировочный болт;
- Крышка картера устанавливается на место и закрепляется с при помощи четырех болтов.
После этой процедуры можно производить необходимую регулировка.
Подрулевые переключатели
Для удобства выполнения некоторых манипуляций в автомобиле предусмотрены специальные переключатели, которые располагаются под рулем.
Подрулевые переключатели УАЗ Патриот имеют конструкцию состоящую и двух переключателей, в виде пары пластиковых рычагов, расположенных под рулевой колонкой. Устройство расположенное с левой стороны отвечает за :
- Работу правого повортника;
- Работу левого повортника;
- Включение и выключение дальнего и ближнего света;
- Возможность мигания дальним светом.
Эти функции очень важны во время движения на автомобиле, и передвигаться без них транспортному средству запрещено. Правые подрулевые переключатели отвечают за:
- Переключения скорости дворников;
- Одновременное включение дворников и стеклоомывателя;
- Включение заднего дворника;
- Одновременное включение заднего омывателя и дворника.
Конечно функционал второго рычага менее важный, но передвижение в дождливую погоду или снег будет затруднительным.
Рекомендуем ознакомится с видео:Подводя итог можно сделать вывод ,что этот механизм всегда должен находится в исправном состоянии, иначе передвигаться на автомобиле становится небезопасно. В случае возникновения каких либо неисправностей все работы по ремонту можно произвести самостоятельно.
Устройство руля на УАЗ Паритоте Ссылка на основную публикацию
Замена полуоси УАЗ буханка
Пошаговая инструкция:
Поставить автомобиль УАЗ 452 буханка на ровную горизонтальную поверхность. Выставить домкрат, поднять одно из колес переднего моста. Открутить колесные гайки, снять колесо, отложить в сторону.
Открутить гайки, снять ступицу вместе с подшипниками переднего колеса с одной стороны
Головкой на 14 мм и рычагом открутить шесть болтов крепления тормозного щита с цапфой к поворотному кулаку.
Осторожно, чтобы не повредить тормозной шланг, аккуратно снять тормозной щит. Подвесить его на палец рулевой тяги.
Снять цапфу, вместе с ней прокладку из картона.
С усилием потянув на себя, вынуть полуось вместе с шарниром
Очистить внутренние полости шаровой опоры от старой смазки, пыли, грязевых отложений. Установить на штатное место новую полуось с шарниром. Предварительно необходимо заполнить шарнир и полости шаровой опоры пластичной смазкой Литол-24 либо ШРУС-4 объемом приблизительно 0,5 кг.
Все детали, снятые во время демонтажа, установить в обратной последовательности. Бронзовую втулку цапфы смазать той же смазкой, что и шарниры. Подшипники ступицы отрегулировать согласно инструкции.
Как определить, что нужна замена масла
Эксплуатация ГУРа связана с постоянным повышением температуры его компонентов. Из-за этого нагревается и масло в нём, что приводит к ухудшению физических свойств. Меняется цвет, появляется запах гари. Результат — невозможность исполнения функций.
Чтобы исследовать состояние субстанции, выполните следующие действия:
- Открутите крышку бачка ГУР.
- Вылейте несколько капель на бумагу, салфетку или любую другую светлую поверхность.
- Внимательно осмотрите её.
Хорошая жидкость должна быть прозрачной, без примесей и помутнений. Если внутри плавают посторонние частицы и вещество издаёт отчётливый запах горелого масла — настало время для замены.
Не уверены в состоянии масла? Возьмите из канистры каплю новой жидкости и сравните их.
Отработанная и новая жидкости гидроусилителя руля
Иногда ГУР даёт сбои и вещество из него начинает вытекать. Если вы увидели утечку или обнаружили её по косвенным признакам (ухудшение управляемости, шумы в рулевой системе), выполните следующие действия:
Прокачка системы ГУР
Прокачка (удаление воздуха) системы гидроусилителя рулевого управления необходима после любых работ, связанных с разгерметизацией системы (замена насоса или трубопроводов).
Признаком наличия воздуха в системе является подклинивание рулевого колеса при попытке резко повернуть его. Кроме того, насос издает повышенный шум в момент поворота рулевого колеса, а жидкость в бачке обычно вспенивается.
- Залейте рабочую жидкость в систему гидроусилителя рулевого управления до необходимого уровня
- Установите упоры под задние колеса и вывесите переднюю часть автомобиля.
- Пустите двигатель и дайте ему поработать 15–20 с.
- Поверните рулевое колесо до упора влево, затем до упора вправо.
Не задерживайте колеса в крайних положениях.
- Повторите операцию 4 не менее трех раз.
- Установите рулевое колесо в среднее положение и заглушите двигатель.
- Проверьте уровень рабочей жидкости в бачке гидроусилителя и при необходимости доведите его до нормы.
Уровень рабочей жидкости в бачке должен находиться на уровне сетки наливного фильтра.
Замена бачка ГУР
Подготавливаем ключи на 12, 13, отвертку с плоским лезвием, емкость для слива жидкости из бачка

Ослабляем затяжку гайки стяжного хомута бачка ГУР


Снимаем бачок
Сливаем рабочую жидкость из бачка гидроусилителя в заранее подготовленную емкость


Ослабляем затяжку хомутов шлангов
Отсоединяем шланги от бачка
Устанавливаем детали в обратном порядке
Замена рулевого механизма
Потребуются ключи на 12, 13, 22, 42, торцовая головка на 17, съемника шаровых шарниров, двухзахватный съемник

Откручиваем гайку и вынимаем болт из хомута вилки карданного шарнира вала рулевого механизма


Вставляем отвертку в прорезь хомута вилки карданного вала и поворачиваем отвертку, тем самым ослабляя затяжку хомута
Отсоединяем карданный вал рулевого управления от вала рулевого механизма и отводим его в сторону


Выкручиваем болт-штуцер крепления нагнетательного шланга гидроусилителя рулевого управления
Отсоединяем шланг от рулевого механизма
Соединение нагнетательного шланга с рулевым механизмом уплотняется медной шайбой. Сильно обжатую шайбу необходимо заменить.


Ослабляем затяжку хомута отводящего шланга
Снимаем шланг с патрубка и сливаем жидкость в заранее подготовленную емкость


Выпрессовываем из рулевой сошки палец шарового шарнира наконечника рулевой тяги
Выкручиваем три болта крепления рулевого механизма к раме


Снимаем рулевой механизм с автомобиля
Откручиваем гайку крепления рулевой сошки и спрессовываем ее с помощью съемника
Устанавливаем все детали в обратной последовательности и прокачиваем систему ГУР
Замена насоса ГУР


Снимаем ремень привода насоса, как описывалось выше
Выкручиваем болт-штуцер крепления нагнетательного шланга


И отсоединяем нагнетательный шланг от насоса
На штуцере нагнетательного шланга установлены медные прокладки. Если прокладки сильно обжаты их необходимо заменить.


Ослабляем затяжку хомута всасывающего шланга
Отсоединяем шланг от насоса

Окончательно выкручиваем болты крепления насоса и снимаем насос ГУР
Устанавливаем детали в обратной последовательности и регулируем натяжение ремня, как указано выше
Прокачиваем систему гидроусилителя руля
Прокачка системы ГУР
Прокачка (удаление воздуха) системы гидроусилителя рулевого управления необходима после любых работ, связанных с разгерметизацией системы (замена насоса или трубопроводов).
Признаком наличия воздуха в системе является подклинивание рулевого колеса при попытке резко повернуть его. Кроме того, насос издает повышенный шум в момент поворота рулевого колеса, а жидкость в бачке обычно вспенивается.
- Залейте рабочую жидкость в систему гидроусилителя рулевого управления до необходимого уровня
- Установите упоры под задние колеса и вывесите переднюю часть автомобиля.
- Пустите двигатель и дайте ему поработать 15–20 с.
- Поверните рулевое колесо до упора влево, затем до упора вправо.
Не задерживайте колеса в крайних положениях.
- Повторите операцию 4 не менее трех раз.
- Установите рулевое колесо в среднее положение и заглушите двигатель.
- Проверьте уровень рабочей жидкости в бачке гидроусилителя и при необходимости доведите его до нормы.
Уровень рабочей жидкости в бачке должен находиться на уровне сетки наливного фильтра.
Замена бачка ГУР
Подготавливаем ключи на 12, 13, отвертку с плоским лезвием, емкость для слива жидкости из бачка

Ослабляем затяжку гайки стяжного хомута бачка ГУР


Снимаем бачок
Сливаем рабочую жидкость из бачка гидроусилителя в заранее подготовленную емкость


Ослабляем затяжку хомутов шлангов
Отсоединяем шланги от бачка
Устанавливаем детали в обратном порядке
Замена рулевого механизма
Потребуются ключи на 12, 13, 22, 42, торцовая головка на 17, съемника шаровых шарниров, двухзахватный съемник

Откручиваем гайку и вынимаем болт из хомута вилки карданного шарнира вала рулевого механизма


Вставляем отвертку в прорезь хомута вилки карданного вала и поворачиваем отвертку, тем самым ослабляя затяжку хомута
Отсоединяем карданный вал рулевого управления от вала рулевого механизма и отводим его в сторону


Выкручиваем болт-штуцер крепления нагнетательного шланга гидроусилителя рулевого управления
Отсоединяем шланг от рулевого механизма
Соединение нагнетательного шланга с рулевым механизмом уплотняется медной шайбой. Сильно обжатую шайбу необходимо заменить.


Ослабляем затяжку хомута отводящего шланга
Снимаем шланг с патрубка и сливаем жидкость в заранее подготовленную емкость


Выпрессовываем из рулевой сошки палец шарового шарнира наконечника рулевой тяги
Выкручиваем три болта крепления рулевого механизма к раме


Снимаем рулевой механизм с автомобиля
Откручиваем гайку крепления рулевой сошки и спрессовываем ее с помощью съемника
Устанавливаем все детали в обратной последовательности и прокачиваем систему ГУР
Замена насоса ГУР


Снимаем ремень привода насоса, как описывалось выше
Выкручиваем болт-штуцер крепления нагнетательного шланга


И отсоединяем нагнетательный шланг от насоса
На штуцере нагнетательного шланга установлены медные прокладки. Если прокладки сильно обжаты их необходимо заменить.


Ослабляем затяжку хомута всасывающего шланга
Отсоединяем шланг от насоса

Окончательно выкручиваем болты крепления насоса и снимаем насос ГУР
Устанавливаем детали в обратной последовательности и регулируем натяжение ремня, как указано выше
Прокачиваем систему гидроусилителя руля
Ремонт компонентов рулевого управления
Снятие рулевого механизма
1. Отсоедините шланги от рулевого механизма (1), отвернув штуцеры (2), и закрепите их так, чтобы предотвратить полное вытекание масла из гидросистемы или слейте масло в чистую посуду.
Снятие рулевого механизма:
- рулевой механизм;
- штуцеры;
- болт крепления карданного вала;
- вилка карданного шарнира;
- рулевой ват;
- болты крепления рулевого механизма;
- сошка;
- рулевая тяга;
- гайка
2. Отверните болт (3) крепления карданного вала, снимите вилку (4) с входного вала механизма.
3. Расшплинтуйте и отверните гайку (9) крепления пальца шарнира тяги сошки к сошке, выпрессуйте при помощи приспособления палец из отверстия сошки (7).
4. Отверните болты (6) крепления рулевого механизма к лонжерону и снимите рулевой механизм.
Регулировка зацепления рулевого механизма
Регулировка зацепления рулевого механизма возможна без снятия механизма с автомобиля:
1. Расшплинтуйте и отверните гайку (9) крепления пальца шарнира тяги сошки к сошке, выпрессуйте при помощи приспособления палец из отверстия сошки (7).
2. Выставьте рулевой механизм в среднее положение.
3. Покачивая сошку проверьте наличие люфта в зацеплении.
4. При обнаружении люфта отверните гайку (2) и, вворачивая винт (1), устраните вызывающие люфт зазоры в зацеплении.
- винт регулировочный;
- гайка;
- рулевое управление;
- пыльник вала сошки;
- сошка рулевого управления;
- пружинная шайба;
- гайка
5. Проверьте момент вращения входного вала рулевого механизма. Момент вращения должен быть 0,2 -0,9 Н · м (0,02 — 0,09 кгс · м). Большее значение момент принимает в среднем положении механизма, меньшее значение ближе к крайним положениям.
6. Затяните гайку (2).
7. Установите тягу.
8. Заверните и зашплинтуйте гайку крепления пальца к сошке.
Снятие карданного вала рулевого управления
1. Отверните болт крепления карданного вала к входному валу рулевого механизма и болт крепления к промежуточному валу.
2. Снимите карданный вал.
Снятие рулевого колеса
Снятие рулевого колеса:
- выключатель звукового сигнала;
- гайка крепления рулевого колеса
1. Снимите выключатель (1) сигнала. Для этого аккуратно потяните его на себя.
Для чего он нужен в автомобиле?
В современном автомобильном мире производители стремятся повысить комфорт в управлении. Это не обошло стороной и «брутальный» российский внедорожник UAZ Patriot. Во время руления владелец вращает «баранку», но делает это с легкостью, поскольку ему на помощь приходит указанный усилитель. Все это происходит при работе мотора, поскольку привод усилителя осуществляется от вращающегося шкива коленчатого вала. Попробуйте вращать руль на незаведенном «движке» Патриота. Да это тренажерный зал! Езда по бездорожью превратится в испытание, которое выдержит не каждый владелец.
Благодаря усилителю водитель может крутить руль одним пальцем. Как же это стало возможным? Основным действующим «лицом» в механизме усиления является насос. Он получает момент вращения от коленвала. Для такой передачи конструкторы применили ремень. Насос генерирует давление жидкости, а она в свою очередь направляется непосредственно в рулевой механизм. Именно за счет «работы» масла водитель получает в результате такое бесценное «облегчение» вращения руля.
Для обеспечения циркуляции в системе присутствует специальный магистральный шланг, о котором поговорим подробнее. Он имеет свой ресурс, поэтому владельцу следует быть внимательней и следить за его состоянием и периодичностью замены.
Поскольку коснулись данного «ремонтного» момента, то заметим, что в перечень таковых процедур касаемо ГУР Патриота специалисты также включают замену:
- шланга;
- рабочей жидкости (масла);
- насосного агрегата.
Мы рассмотрели основные направления ремонта, без которых нормальное функционирование механизма усиления может только сниться беззаботному владельцу.






























