Механизм переключения механической коробки передач
Общий вид
- Рычаг переключения.
- Болт.
- Покрытие рычага переключения.
- Заднее покрытие центральной консоли.
- Болт.
- Покрытие рычага стояночного тормоза.
- Держатель стаканов.
- Боковое покрытие центральной консоли.
- Центральная консоль.
- Болт.
- Крепление рычага переключения.
- Втулка.
- Ролик.
- Прокладка.
- Вал рычага переключения.
- Подушка.
- Покрытие.
- Возвратная пружина.
- Рычаг выбора.
- Вал.
- Нажимная гайка.
- Юбка.
- Пружина.
- Амортизатор.
- Кнопка.
Снятие механизма переключения
1. Снять центральную консоль (А).
2. Снять держатель стаканов (А) и покрытие (В) рычага стояночного тормоза.
3. Снять боковое покрытие (А) центральной консоли.
4. Снять задний болт (А) крепления центральной консоли.
5. Снять передний болт (А) крепления центральной консоли и снять центральную консоль.
6. Снять пружинный штифт (А) троса переключения.
7. Снять зажим (А) троса переключения.
8. Снять трос переключения (А) и трос выбора (В).
9. Снять рычаг переключения (С).
10. Снять фиксатор (А) и гайки (В).
11. Снять пружинные штифты (2ЕА).
12. Снять трос переключения и трос выбора передач.
Разборка механизма переключения
1. Снять кнопку (А) рычага переключения с вала (В) рычага переключения.
2. Снять нажимную гайку (А) с крепления рычага переключения. И затем разъединить вал рычага переключения и рычаг выбора передач.
Установка механизма переключения
1. Установить трос переключения и трос выбора, после перемещения рычага переключения и рычага выбора в нейтральную позицию.
2. Установить пружинные штифты со стороны коробки передач.
3. Установить рычаг переключения.
Момент затяжки: 9 – 14 Н м.
4. Установить трос переключения и трос выбора со стороны рычага переключения.
Примечание: Отрегулировать длину троса при помощи регулятора (А) троса выбора, при рычаге установленном в нейтральное положение.
5. Установить центральную консоль.
При покупке книги в PDF
1. Вы сможете скачать книгу сразу же после оплаты.
2. Книга будет скачана в формате PDF, и Вы сможете загрузить ее на любое устройство.
1. Все книги идеального качества, так как мы работаем с издательствами напрямую.
2. Электронные книги ничем не уступают бумажным и являются их полным аналогом.
3. Офисы нашей компании представлены в Украине, России и Польше, вы всегда можете обратиться к нам по конкретному адресу.
4. Все оплаты на сайте максимально защищены и происходят с помощью мировых платежных систем.
4. Установить трос переключения и трос выбора со стороны рычага переключения.
Примечание: Отрегулировать длину троса при помощи регулятора (А) троса выбора, при рычаге установленном в нейтральное положение.
5. Установить центральную консоль.
Оплата и скачивание в целях безопасности происходит из личного кабинета.
Автоматический переход через 10 секунд.
Книга не предназначена для продажи в Вашей стране.
Оформить заказ на бумажную версию этой книги Вы можете на сайте autoinform96.com.
Оплата товара и скачивание книги в электронном виде (формат PDF) производится на сайте.
Для этого надо найти интересующую Вас книгу и нажать на кнопку “Купить”. Цена книги указана на кнопке.
Для удобства, цена на сайте для жителей России, Беларуси и Казахстана представлена в рублях.
Для жителей Украины в гривнах, а для всех остальных стран – доллары.
После нажатия на кнопку “КУПИТЬ” Вам откроется окно оплат, где можно выбрать платежную систему, с помощью которой можно оплатить выбранную книгу с помощью любой банковской карты (Visa, MasterCard, МИР и т.д.)
При нажатии на кнопку “Оплатить банковской картой” откроется платежная система Portmone с помощью которой проще всего совершить оплату.
- Яндекс (оплата с любых банковских карт, аккаунта Яндекс Деньги, QIWI Wallet, терминалы и т.д.);
- Portmone (оплата с любых банковских карт, аккаунта Portmone);
- PayPal (оплата с любых банковских карт, аккаунта PayPal);
- WebMoney (оплата с любых банковских карт, оплата с кошельков WebMoney).
Схема электрооборудования автомобиля Hyundai Accent (хендай акцент)
Для удобства поиска в пределах страницы, фрагмента схемы, ниже представлены ссылки. Возврат на начало страницы, клавиши Ctrl+Home.
- Питание и блок предохранителей в моторном отсеке.
- Замок зажигания.
- Блок предохранителей и реле в моторном отсеке.
- Колодка диагностического разъема.
- Схема пуска двигателя.
- Соединение с корпусом 1.
- Соединение с корпусом 2
- Соединение с корпусом 3.
- Соединение с корпусом 4.
- Схема генератора и системы охлаждения.
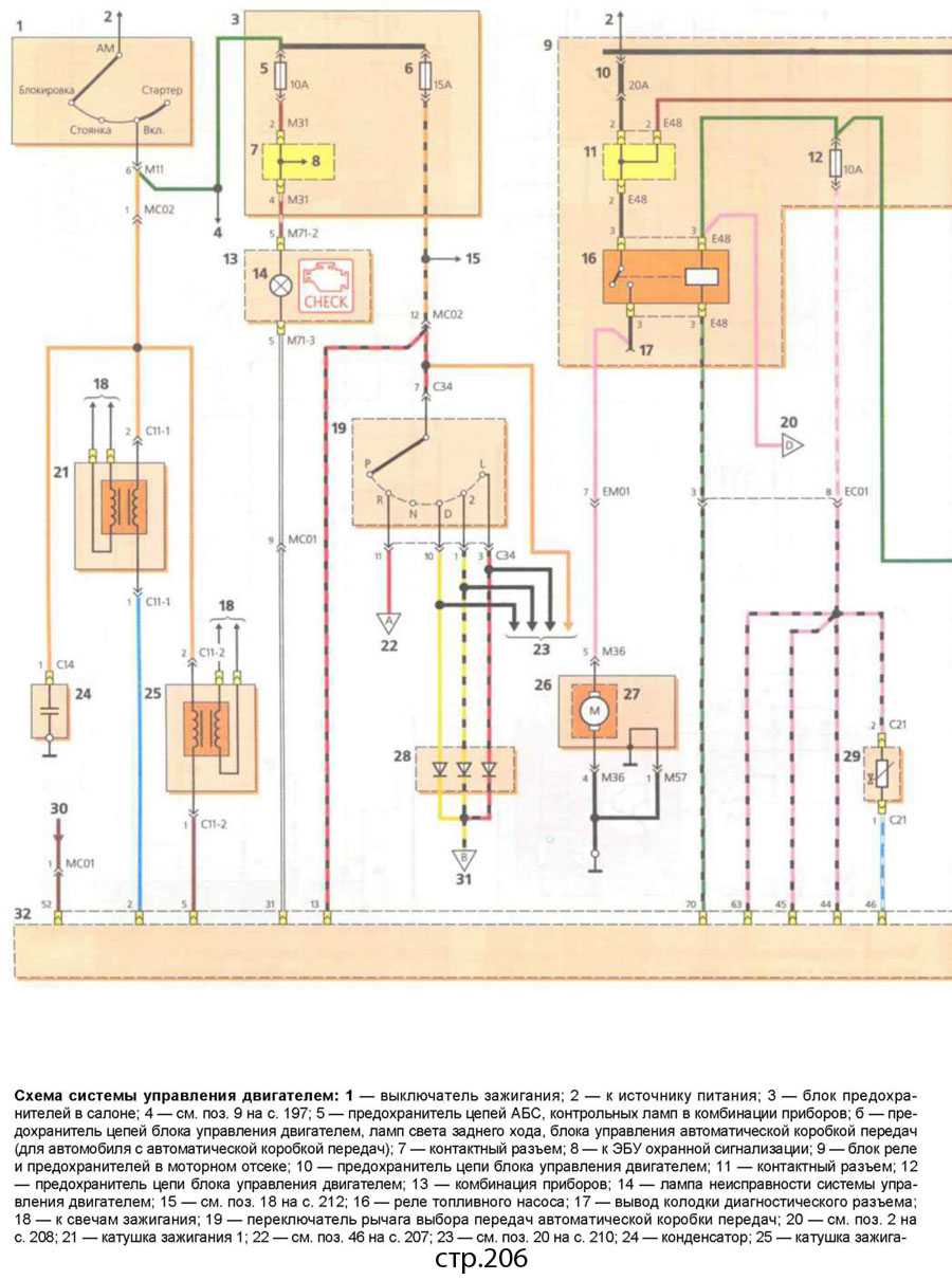
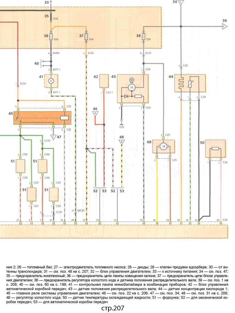
- Система управления двигателем.
- Система управления двигателем (продолжение).
- Система определения скорости автомобиля и система зажигания.
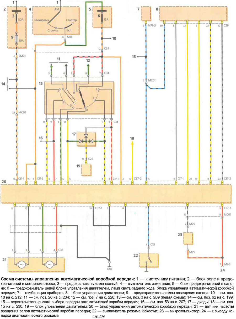
- Система управления автоматической коробкой передач.
- Система управления автоматической коробкой передач ( продолжение).
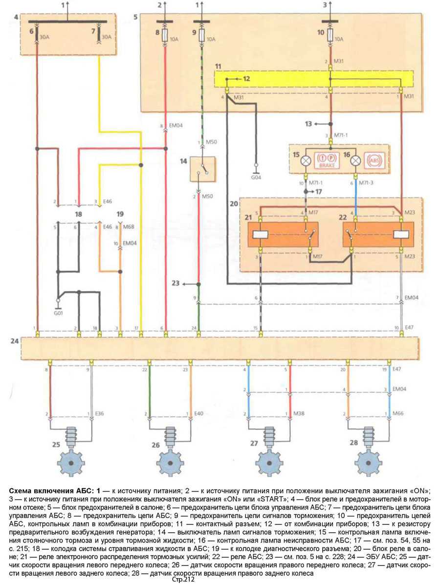
- Включение АВС.
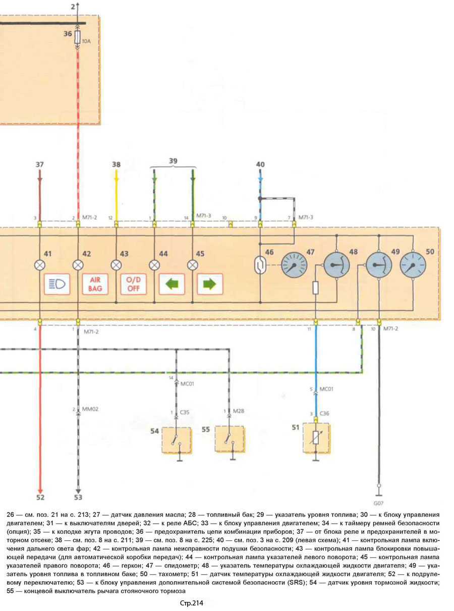
- Контрольные указатели
- Контрольные указатели (продолжение).
- Схема включения очистителя и омывателя ветрового стекла.
- Схема включения привода блокировки дверей.
- Схема включения электростеклоподъемников.
- Схема включения электростеклоподъемников. ( продолжение)
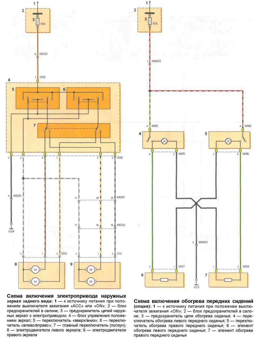
- Схема включения электропривода наружных зеркал. зеркал
- Схема включения наружного освещения.
- Схема включения регулятора направления лучей света фар.
- Система звуковоспроизведения.
- Схема включения звукового сигнала.
- Схема включения указателей поворота и аварийной сигнализиции.
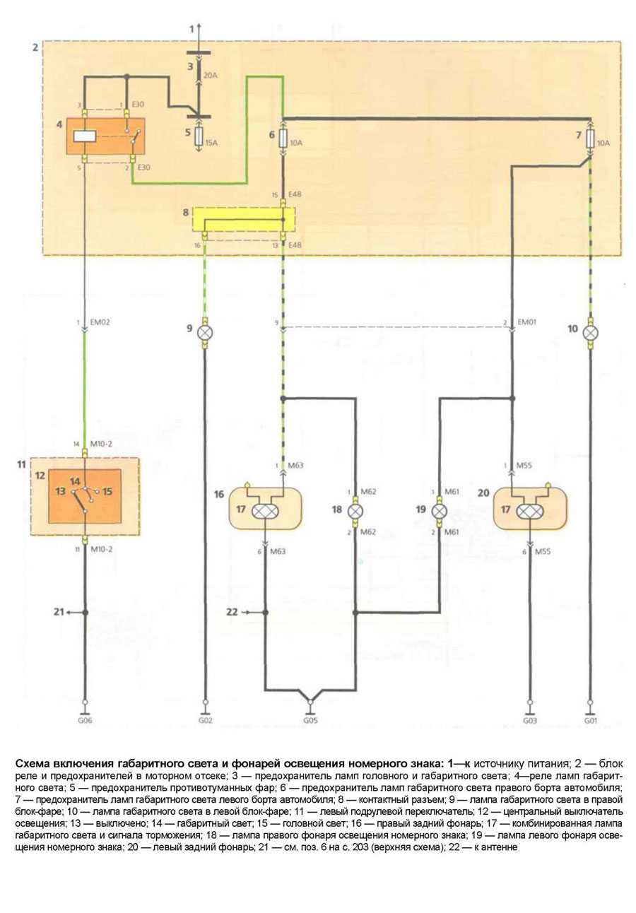
- Габаритный свет и освещение номерного знака.
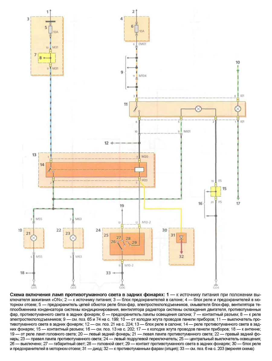
- Противотуманный свет в задних фонарях.
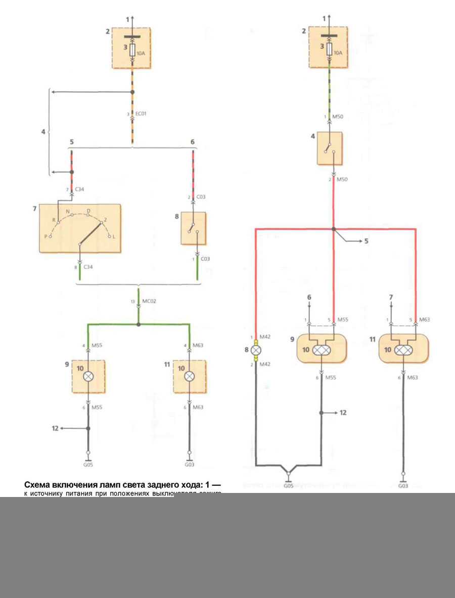
- Свет заднего хода и сигналы торможения.
- Лампы освещения салона и подсветка багажника.
- Схема включения вентиляции, отопления и кондицианирования.
- Расположение жгутов проводов.

Питание и блок предохранителей в моторном отсеке.


Блок предохранителей и реле в моторном отсеке.
Колодка диагностического разъема.

Схема пуска двигателя.

Соединение с корпусом 1.

Соединение с корпусом 2

Соединение с корпусом 3.

Соединение с корпусом 4.

Схема генератора и системы охлаждения.

Система управления двигателем.

Система управления двигателем (продолжение).
Система определения скорости автомобиля и система зажигания.

Система управления автоматической коробкой передач.

Система управления автоматической коробкой передач ( продолжение).



Контрольные указатели (продолжение).

Схема включения очистителя и омывателя ветрового стекла.
Схема включения привода блокировки дверей.

Схема включения электростеклоподъемников.

Схема включения электростеклоподъемников. ( продолжение)

Схема включения электропривода наружных зеркал. зеркал

Схема включения наружного освещения.

Схема включения регулятора направления лучей света фар.

Схема включения звукового сигнала.

Схема включения указателей поворота и аварийной сигнализиции.

Габаритный свет и освещение номерного знака.

Противотуманный свет в задних фонарях.

Свет заднего хода и сигналы торможения.

Лампы освещения салона и подсветка багажника.

Схема включения вентиляции, отопления и кондицианирования.
Источник
Кузов и салон
Кузовное железо Хундай к коррозии не склонно. Ржавчина, скорее, признак некачественно ремонта в прошлом. Тем не менее, на отдельных экземплярах старше 10 лет можно обнаружить рыжие пятна в районе задних колесных арок и порогов. Кроме того, с бамперов нередко отслаивается краска.
В отделке интерьера использован дешевый пластик, который со временем начинает скрипеть
Неважно обстоят дела и с шумоизоляцией. Ее нельзя оценить иначе, как ниже среднего
В салон проникают звуки из моторного отсека и колесных арок.
После 120-140 тыс. км может выйти из строя генератор. Зачастую отдается отделаться заменой регулятора напряжения (1 000 рублей). Если же восстановить генератор не удастся, то придется поискать новый – от 5 000 рублей.
Со временем закисает механизм привода стеклоочистителей. Появляется стук и скрип, а поводки движутся медленно и не на полный ход. Новая трапеция обойдется в 2 000 рублей.
Время от времени начинает дергаться и жужжать стрелка указателя скорости. Недуг легко устраним. Иногда встречаются сбои в работе центрального замка.
Технические данные
Механическая трансмиссия дешевле, её достоинство — лёгкость в обслуживании и долговечность. Что касается вариатора, то его сильная сторона — экономия топлива, а вот надёжность вариаторов пока не на высоте. О роботе, как правило, никто хорошо не говорит. Робот — компромиссный вариант между автоматом и механикой, как и всякий компромисс в нём больше минусов, чем плюсов.
Коробка передач преобразует крутящий момент, передаваемый от двигателя по величине и направлению. Это необходимо для обеспечения оптимальной скорости и проходимости автомобиля, а также для наиболее экономичной работы двигателя и движении автомобиля задним ходом. Кроме того, коробка передач разобщает двигатель и трансмиссию во время остановки и стоянки автомобиля и при его движении по инер.
9.2. Автоматическая коробка передач
По истечении срока действия авторских прав, в России этот срок равен 50-ти годам, произведение переходит в общественное достояние. Это обстоятельство позволяет свободно использовать произведение, соблюдая при этом личные неимущественные права — право авторства, право на имя, право на защиту от всякого искажения и право на защиту репутации автора — так как, эти права охраняются бессрочно.
Автомануалы. Вся информация представленная на данном сайте является собственностью проекта, либо иных, указанных авторов.
На автомобиле Хендай Акцент применяется как МКПП, так и коробка автомат. Каждая трансмиссия имеет свои преимущества и недостатки.
Машина с механикой имеет меньшую стоимость и позволяет получать больший контроль над вождением, но в ущерб комфорту, особенно при городской эксплуатации. АКПП, в свою очередь, обеспечивает легкость управления транспортным средством, но водителю придется смириться с повышенным расходом бензина.
Рабочая температура
Рабочая температура двигателя соответствует температуре охлаждающей жидкости при включенном зажигании. Она не является постоянной величиной и изменяется в зависимости от погодных условий и нагрузке на авто. Датчик располагается под капотом около двигателя, а указатель расположен на панели приборов. Если стрелка указателя доходит до красной зоны – это сигнал того, что двигатель перегрелся и необходимо остановить его работу и дать прибору остыть.
Причины перегрева:
- Буксировка нагруженного прицепа
- Длительная езда в гору в жаркую погоду
- Остановка или резкое снижение скорости после быстрой езды
- Продолжительная работа на холостом ходу с работающим кондиционером и при частых остановках
Руководство по ремонту Акцент Тагаз
Ремонт двигателя
Конструкции и устройствоЗамена: ремня ГРМ, прокладки клапанной крышки, датчика давления масла, прокладки впускного коллектора, подушек двигателя,
Ремонт топливной системы
Проверка давления в топливной системе, снятие и установка топливного насоса, замена датчика уровня топлива регулятора давления и гравитационного клапана бензонасоса, снятие топливной рампы и топливных форсунок, проверка и снятие регулятора холостого хода, снятие дросселя и замена троса, корпуса воздушного фильтра и патрубков.
Система управления двигателем
Описание. Замена реле и предохранителей в блоках, электронного блока управления (ЭБУ), свечей и катушек зажигания.Проверка и замена датчиков: детонации, положения коленвала, положения распредвала (фаз), температуры ОЖ, абсолютногодавления и температуры воздуха.
Ремонт топливной системы охлаждения Хюндай Акцент
Описание. Замена термостата. Снятие и установка в случае замены радиатора, расширительного бачка, вентилятора радиатора, водяной помпы.
Правильное переключение механической коробки передач
Положение рычага переключения передач является традиционным для пяти передач переднего хода, как это изображено на рисунке.
При включении передачи заднего хода, после полной остановки автомобиля, задержите рычаг переключения передач как минимум на 3 с в нейтральном положении. После этого переместите рычаг в положение передачи заднего хода.
При переключении рычага из положения 5–й передачи в положение 4–й передачи, следите за тем, чтобы не включить по ошибке вторую передачу. Такое резкое переключение передач может быть причиной чрезмерного увеличения частоты вращения коленчатого вала двигателя (стрелка тахометра в красной зоне) и может привести к повреждению двигателя.
Перед включением передачи необходимо полностью выжимать педаль сцепления, а затем медленно ее отпускать. Повторное нажатие на педаль сцепления необходимо производить только после ее возврата в исходное положение. Не держите ногу на педали сцепления во время движения автомобиля. Это может привести к износу диска сцепления. Не используйте сцепление для удержания автомобиля на уклоне. Для этого необходимо использовать стояночный тормоз. Не допускайте резкого и повторяющегося отпускания педали сцепления.
Приемы правильного вождения
Не катитесь под уклон на нейтральной передаче. Это очень опасно. Всегда держите передачу включенной.
Не имейте привычку вождения, при которой приходится резко тормозить, и не держите левую ногу на тормозной педали постоянно во время езды. Это ведет к перегреву тормозов и потере эффективности их работы. На затяжных спусках для предотвращения перегрева тормозов следует применять торможение двигателем (включая пониженные передачи).
При включении пониженной передачи, слегка притормозите автомобиль. Это поможет предотвратить чрезмерное увеличение частоты вращения коленчатого вала двигателя, что может привести к его повреждению.
При сильном боковом ветре снижайте скорость движения автомобиля. Это улучшит его управляемость.
Перед включением передачи заднего хода убедитесь, что автомобиль полностью остановлен. В противном случае Вы можете повредить коробку передач. Чтобы перевести рычаг в положение заднего хода, сначала выжмите педаль сцепления, переведите рычаг в нейтральное положение, подождите 3 с, а затем переведите рычаг в положение заднего хода.
Будьте особенно осторожны при движении по скользкой дороге, во время торможения, ускорения и переключения передач. На скользкой дороге, резкое изменение скорости автомобиля может привести к потере сцепления колес автомобиля с дорогой и потере управления над автомобилем.
При потере контроля над автомобилем на высоких скоростях значительно возрастает риск переворачивания автомобиля.
Потеря контроля часто происходит, когда два или более колеса съезжают с колеи дороги, и водитель пытается вернуть автомобиль обратно на дорогу.
В случае если Ваш автомобиль съехал с колеи дороги, избегайте резкого поворота рулевого колеса. Вместо этого, снизьте скорость автомобиля перед тем, как снова въехать на дорогу.
Обзор целесообразности проведения ремонта
Автоматическая и механическая коробки перемены передач Хендай Акцент имеют достаточно хорошую ремонтопригодность. КПП распространены на автомобилях, продаваемых на отечественном и мировом рынке. Поэтому запчасти доступны, выпускаются массово и обладают весьма приятной ценой. Именно поэтому ремонт оправдан в большинстве случаев.
Контрактные узлы, несмотря на сопроводительные документы, часто имеют гораздо больший пробег, чем заявленный. Определить реальный остаточный ресурс коробки на момент покупки практически невозможно. Именно поэтому приобретение контрактной КПП всегда является лотереей. Из-за этого многие автовладельцы отдают предпочтение новым узлам. Цены на МКПП начинаются от 60 тыс. рублей. За новую автоматическую трансмиссию потребуется заплатить 75-120 тыс. рублей.
Механическая коробка Hyundai M5AF3
5-ступенчатая механическая коробка Hyundai M5AF3 или M5F14 собиралась с 1995 по 2012 год и ставилась на компактные модели с двигателями серии Alpha до 145 Нм крутящего момента. На нашем рынке эта механика известна как мкпп Хендай Акцент первого и второго поколения.
В семейство M5 также входят: M5AF2, M5BF1, M5BF2, M5EF1 и M5EF2.
Технические характеристики Hyundai M5AF3
| Тип | механическая коробка |
| Количество передач | 5 |
| Для привода | передний |
| Объем двигателя | до 1.6 литра |
| Крутящий момент | до 145 Нм |
| Какое масло лить | API GL-4, SAE 75W-90 |
| Объем смазки | 2.15 литра |
| Замена масла | раз в 80 000 км |
| Замена фильтра | каждые 80 000 км |
| Примерный ресурс | 220 000 км |
Сухой вес мкпп M5AF3 по каталогу составляет 35.6 кг
INFO
Русскоязычный мануал для этой мкпп находится тут
FORUM
Много полезной информации собрано на Getz-Club.ru
Передаточные числа мкпп Хендай M5AF3
На примере Hyundai Accent 2001 года с двигателем 1.5 литра:
| Главная | 1-я | 2-я | 3-я | 4-я | 5-я | Задняя |
|---|---|---|---|---|---|---|
| 3.842 | 3.462 | 2.053 | 1.370 | 1.031 | 0.878 | 3.250 |
Недостатки, поломки и проблемы мкпп M5AF3
Это не очень ресурсная мкпп, обычно серьезный ремонт требуется еще до 100 000 км
Чаще всего владельцы жалуются на люфт кулисы или растяжение тросов управления
В коробке постоянно случаются течи, особенно в версиях с гидроприводом сцепления
Довольно мало в ней ходят подшипники, порой они могут загудеть уже на 50 тысяч км
Также не допускайте долгого буксования, тут может просто заклинить дифференциал
Подробное видео по дефектовке 5-мкпп M5AF3
Все тексты написаны мной, имеют авторство Google, занесены в оригинальные тексты Yandex и заверены нотариально. При любом заимствовании мы сразу же пишем официальное письмо на фирменном бланке в поддержку поисковых сетей, вашего хостинга и доменного регистратора.
Далее подаем в суд. Не испытывайте удачу, у нас более тридцати успешных интернет проектов и уже дюжина выигранных судебных разбирательств.
Сборка механической коробки передач
Сборка производится в обратном снятию порядке.
1. Установите масляное уплотнение ведущего вала с помощью специального инструмента (09431-21000).

2. Установите переднее масляное уплотнение с помощью специального инструмента (09431-21000).

3. Установите масляную направляющую вторичного вала.
4. С помощью специального инструмента (09532-11500) установите наружное кольцо подшипника вторичного вала.
5. Установите вал управления в сборе.
6. Установите узел дифференциала.
7. Одновременно установите ведущий и вторичный вал в сборе.

8. Установите держатель подшипника.

9. Установите на место узлы штоков переключения передач.
- 1) Установите обойму синхронизатора первой и второй передач в нейтральном положении.
- 2) Установите обойму синхронизатора третьей и четвертой передач в нейтральном положении.
- 3) Установите узлы штока переключения передач и вилку.

10. Установка пружинного штифта.
1) Установите пружинные штифты с помощью специального инструмента (09414-11100) или бородка с тонким цилиндрическим концом.


11. Установите шестерню заднего кода.

12. Установите рычаг реверса.

13. С помощью специнструмента (09431-21200) установите новое масляное уплотнение ведущего вала в картере коробки передач.
Предупреждение. Масляное уплотнение не подлежит повторному использованию.
14. Установите наружное кольцо подшипника вторичного вала и распорную втулку с помощью инструментов (09500-11000, 09432-22100А).
15. Установка распорного кольца.
1) Установите два куска припоя диаметром 3 мм на наружное кольцо подшипника, как показано на рисунке.

- 2) На время установите картер коробки передач и затяните болты требуемым моментом затягивания, затем снимите картер.
- 3) Извлеките расплющенные куски припоя.
- 4) Измерьте толщину расплющенного припоя. Выберите и установите соответствующие распорные кольца, обеспечивающие стандартные значения осевых зазоров (мм):
- Передний подшипник ведущего вала — 0.01-0.12
- Задний подшипник ведущего вала — 0.01-0.09
- Задний подшипник вторичного вала — 0.01-0.15
- Задний подшипник дифференциала — 0.05-0.17
- Зазор между зубьями шестерен в дифференциале — 0.025-0.15
16. Установите масляную направляющую в картер, коробки передач.
17. Нанесите уплотнитель MS721-40 на стыковую поверхность картера коробки передач, прилегающую к картеру сцепления.
18. Установите картер, коробки передач на картер сцепления и затяните болты.
19. С помощью отвертки отцентрируйте вал.
20. Затяните болт оси шестерни заднего хода требуемым моментом затягивания (43-55 Нм).

21. Установите шарики, пружины и болты с уплотнением.

22. С помощью специального инструмента (094434-33300) установите шестерню вторичного вала.
23. Установите задний подшипник и распорную втулку на ведущий вал, затем установите пружинящее стопорное кольцо. Установите втулку шестерни пятой передачи.

24. Установите шестерню пятой передачи, игольчатый роликоподшипник, кольцо и ступицу синхронизатора.

25. Одновременно установите вилку переключения пятой передачи и муфту синхронизатора.
26. Установка контргайки.
- 1) С помощью рычага переключения и рычага выбора включите первую передачу.
- 2) Введите муфту в зацепление с шестерней пятой передачи.
- 3) Затяните контргайку требуемым моментом.
27. С помощью специнструмента (09414-11100) или бородка с тонким цилиндрическим концом установите новый Пружинный штифт, следя за тем,чтобы об прорезь сравнялась с центральной линией штока переключения передач.

28. Нанесите уплотнитель MS721-40 на поверхность стыка задней крышки и установите крышку.
29. Установите ведомую шестерню спидометра в сборе.
30. Установите выключатель фонаря заднего хода.
Hyundai Accent синяя пуля › Бортжурнал › Ремонт мкпп Hyundai Accent (ТАГАЗ) Часть 1.
Всем привет запись будет в двух частях, первая это симптомы, дефектовка, ремонт.Во второй части размещу все парты и фото деталей с ценами.И так начнем, пробег на авто 110000 км.Появились такие симптомы как легкая вибрация на рычаге и постоянно начало выбивать 4 передачу при езде таким образом, газ бросил потом дал скорость выбило.Масло не где не подтекало уровень был идеальным.Причем если просто положить руку(без усилия) на рычаг эта проблема пропадала, но так водить не комфортно.Скоростя в целом включались на любых скоростях без треска, с другими передачами проблем не было.Да и сцепление брало в самом конце следовательно ему тоже подходил амбец.Делаю вывод, выбивает 4 скорость значит проблемы с фиксатором, возможно люфты на подшипниках, ну и естественно на муфте переключения 3-4 передачи изношены фиксирующие шпонки.Делал сам дома в гараже
И так решаюсь выбираю время и приступаю.Снимаю коробку, ВАЖНО ЧТОБЫ СНЯТЬ КОРОБКУ И НЕ ОТКРУЧИВАТЬ ПОДРАМНИК, СНИМАЕМ ПОЛНОСТЬЮ СЦЕПЛЕНИЕ С МОХОВИКОМ И СПОКОЙНО ОПУСКАЕМ ЕЕ ВНИЗ В ЯМУ.из хитрых ключей вам понадобится 12_ти гранная головка на 17 чтобы открутить моховик и забегу в перед тонкостенная головка на 36 (ступичный от газели за 80 рублей)чтобы открутить 5 передачу.Приступаю к разбору коробки, открыв крышку 5 скорости выбиваю штопор вилки 5 передачи, ТУТ ВНИМАТЕЛЬНЕЕ ЧИТАЕМ, включаю 4 передачу и опускаю муфту 5 передачи руками в зацепление, тем самым блокирую валы от вращения, в простонородии две скорости воткнул, и без всякого труда отворачиваю две гайки на 36 первичного и вторичного валов.Далее выкручиваю все фиксаторы их два, это на механизме выбора передач и на 5 передаче, затем болт крепления задней скорости, ну и открутив болты по кругу половиню ее.Все фоткаю абы не чего на упустить.Далее все разобрав исследую подшипники.Из дефектов видимых это износ роликовых подшипников вторичного вала, люфт шестерни 4 передачи на волу, следовательно изношен игольчатый подшипник, ну и естественно сама муфта переключения 3-4 передачи перемещалась между ними без всяких усилий(легко прям) и БЕЗ выраженных щелчков.Шестерни и синхроны в отличном состоянии.ЧТО РЕШАЮ ЗАМЕНИТЬ, обсолютно все подшипники и сальники в кпп, муфту переключения 3-4 передачи, само собой комплект сцепления, вилку включения сцепления с ее шаровой опорой.ВСЕ ЗАПЧАСТИ ПРИОБРЕТАЮ ОРИГИНАЛ.Сцепление не в лучшем состоянии, выработка приличная на лепестках от выжимного, один лепесток провален, (диск почти до заклепок) выжимной гремит как бубен, вилка сцепления тоже с выработкой.Особое внимание уделил проточке в которой шариковый фиксатор работает на механизме выбора передач, уж больно она мне мелкой показалась, было решено углубить ее болгаркой БЕЗ ФАНАТИЗМА аккуратно и не сильно сделал ее идеальной по глубине и ширине.(ниже на фото представлю).из тонкостей наверное все.Собирал все в обратной последовательности, И о чудо она прекрасно работает, не одну скорость не выбивает, тишина, нет вибрации, ярко выраженные щелчки при переключении ПРЯМ КАЙФ.Всем кто ОСИЛИЛ столько букв отдельное уважение, ниже фото рабочего процесса, ну и милости прошу к ВТОРОЙ ЧАСТИ данной записи
Скачивание книги
После успешного прохождения платежа (любым способом) и возврата в магазин KrutilVertel с сайта платежной системы Вы попадаете на страницу успешной оплаты:
Купленная Вами книга будет находиться в Вашем личном кабинете, откуда ее всегда можно будет скачать.
Обратите внимание, что после совершения оплаты, Вам необходимо вернуться обратно с сайта платежной системы на сайт KrutilVertel. В случае, если по каким либо причинам Вы не вернулись обратно на сайт и закрыли вкладку платежной системы с сообщением про успешное прохождение платежа, сообщите нам об этом – мы вышлем Вам письмо в котором будет указан доступ для скачивания книги
В случае, если по каким либо причинам Вы не вернулись обратно на сайт и закрыли вкладку платежной системы с сообщением про успешное прохождение платежа, сообщите нам об этом – мы вышлем Вам письмо в котором будет указан доступ для скачивания книги.
Опоры двигателя Акцент ТагАЗ
Опоры двигателя Акцент ТагАЗ призваны создавать оптимальные условия во время движения автомобиля. Силовой агрегат машины в процессе работы создает шумовую и вибрационную нагрузку, которые передаются на весь автомобиль. Снизить эффект и повысить уровень комфорта водителя и его пассажиров позволяют опоры двигателя.
Что такое опоры двигателя?
Ключевую роль в процессе работы транспортного средства играет двигатель – без него машина просто не сможет работать. Конструкция мотора в большей или меньшей степени является сбалансированной. Чем лучше выдержан баланс, тем меньше чувствуют вибрацию те, кто передвигается на машине.
Чтобы максимально убрать создаваемую вибрацию и шум работающего двигателя, инженеры разработали специальную схему опор двигателя.
Опоры двигателя (также называют «подушки») – это элементы, установленные на креплениях между силовым агрегатом и смежными элементами кузова и выполняющие функцию буфера.
Опоры позволяют двигателю находиться в более-менее статичном положении. Также данные элементы защищают устройство от механических повреждений в результате резкого толчка или удара. На автомобиле Хендай Акцент ТагАЗ установлено четыре опоры – передняя, задняя, левая и правая.
Передняя
21910-25010 (Hyundai) – от 2100 руб.
Аналоги:
- CM-H177 (Car-dex) – от 460 руб.,
- GSPH-476 (ONNURI) – от 470 руб.,
- PXCMA021C (Parts-Mall) – от 490 руб.,
- KM37-02797 (Kross) – от 500 руб.
Задняя
21930-25010 (Hyundai) – от 2100 руб.
Аналоги:
- GSPH-482 (ONNURI) – от 440 руб.,
- CM-H041 (Car-dex) – от 460 руб.,
- PXCMA021D1 (Parts-Mall) – от 490 руб.,
- KM37-02812 (Kross) – от 450 руб.
Левая
21830-25010 (Hyundai) – от 1990 руб.
Аналоги:
- KM37-02779 (Kross) – от 690 руб.,
- GSPH-487 (ONNURI) – от 730 руб.,
- CM-H173 (Car-dex) – от 740 руб.,
- PXCMA055B1 (Parts-Mall) – от 760 руб.
Аналоги:
- KM37-02747 (Kross) – от 890 руб.,
- GSPH-338 (ONNURI) – от 690 руб.,
- CM-H169 (Car-dex) – от 740 руб.,
- PXCMA001A (Parts-Mall) – от 1330 руб.
В наличие есть также многие другие производители. Отзывы автолюбителей говорят о том, что при замене лучше ставить оригинальные опоры двигателя Акцент ТагАЗ, но можно также использовать запчасти известных производителей. При этом нужно учитывать, что аналоги не всегда обеспечивают желаемый эффект.
Про замену передней и задней опоры на автомобиле Хундай Акцент ТагАЗ читайте в этой статье.
Надежность АКПП и ее срок службы
Первая модификация A4CF1 имела большое количество детских болезней. Коробка с трудом выхаживала 80 тыс. км. По этой причине было принято решение выпустить усиленную версию A4CF2. Ее ресурс получился выше более чем в два раза.
В 2007 году электроника и программное обеспечение A4CF2 получили небольшие изменения. Была усовершенствована и конструкция механической части АКПП. В результате коробка автомат получила ресурс сопоставимый со сроком службы непосредственно самого автомобиля.
Модернизации подверглась и A4CF1. В программном обеспечении были произведены существенные настройки. Изменилась и часть узлов и деталей. В результате ремонт коробки автомат удалось отодвинуть за 200 тыс. км.
Коробки автомат не особо прихотливы к качеству масла, но гидроблок повреждается при наличии в смазке твердых крупных частиц. Именно поэтому на дне поддона размещено несколько магнитов. Каждая полная замена масла должна сопровождаться очисткой магнитов и установкой нового фильтра с фетровой мембраной.
Если замена масла выполняется своими руками, важно контролировать объем залитой в коробку трансмиссионной жидкости. При этом перелив также опасен, как недолив
Низкий или слишком высокий уровень масла способны вызвать повышенный износ узлов и деталей и стать причиной необходимости преждевременного ремонта.
Фрикционы при спокойном стиле вождения служат 150-180 тыс. км. Если же автовладелец предпочитает агрессивную манеру езды, то переборка пакета фрикционов потребуется уже к 80-100 тыс. км. Обычно о необходимости проведения ремонта говорит масло, от которого исходит запах горелого. Затягивать с устранением неисправности не рекомендуется. Следы износа фрикционов загрязняют смазку, что негативно сказывается на ресурсе гидроблока и прочих узлов и деталей.
Конструкция автоматических коробок перемены передач Хендай Акцент имеет достаточно большой запас прочности, поэтому механические проблемы появляются при пробеге более 250 тыс. км. Внутри узла иногда можно обнаружить металлическую стружку. Если коробка подвергалась существенным перегрузкам, то на корпусе, узлах и деталях появляются трещины.
Из-за нарушения интервалов замены смазки и частых перегревов из строя выходят соленоиды. Их номинальный срок службы, заложенный производителем составляет 5-7 лет. Смазка с мусором и повышенная температура способны вызвать проблемы с соленоидами, когда пробег перевалит за 60 тыс. км.
При пробеге под 100 тыс. км неисправности соленоидов вызывает изношенная электрика и провода. АКПП A4CF2 оборудована внешним разъемом, с которого лучше всего начинать диагностику.
Сальники насоса начинают протекать при пробегах 60-120 тыс. км. При 120-150 тыс. км часто разбивается втулка помпы. Это приводит к вибрациям вала. Если неисправность запустить, то при пробеге до 150 тыс. км повреждения можно будет обнаружить на рабочей поверхности насоса, крышке и его шестерни. При пробегах 150-170 тыс. км повреждения появляются в планетарном ряде. Они являются преимущественно следствием агрессивного стиля езды или эксплуатации машины с перегрузками.
Выход из строя гидроплиты обычно связан с ее забиванием. Загрязнение происходит из-за нарушения интервалов замены смазки или по причине исчерпания ресурса фрикционами. Промывка гидроплиты может потребоваться на пробеге 90-150 тыс. км.
Задняя крышка АКПП изготавливается из чрезмерно мягкого алюминиевого сплава. Поэтому нередко встречается ее разбивание или существенное истирание. Крышка может потребовать замены при пробеге в 1250-190 тыс. км.
Электроника весьма надежна. На многих автомобилях она нередко выхаживает 400-450 тыс. км. Причины ее преждевременного выхода из строя обычно является перегрев. В таком случае проблемы могут появиться, когда показания одометра перевалят за 50-70 тыс. км.
Hyundai Accent предохранители и реле
Hyundai Accent, субкомпактный автомобиль, продаётся с 1995 года и по настоящее время в 4 поколениях и поставляется по всему миру. Так же известен под названием Hyundai Verna. В нашем материале вы найдёте описание предохранителей и реле Хендай Акцент, со схемами блоков, местами их расположения и фотографиями, которые выпускались в 1999, 2000, 2001, 2002, 2003, 2004, 2005, 2006, 2007, 2008, 2009, 2010, 2011, 2012 и 2013 году (хендай акцент тагаз). Покажем предохранитель отвечающий за прикуриватель и нахождение дополнительных электронных блоков управления.
p, blockquote 1,0,0,0,0 —>
p, blockquote 2,0,0,0,0 —>
Блоки в салоне
Схема расположения
p, blockquote 4,0,0,0,0 —>
p, blockquote 5,0,0,0,0 —>
Описание
- Блок предохранителей
- Блок реле
- Модуль ETACS или реле обогрева заднего стекла
- Реле заднего стеклоочистителя (хэтчбек)
- Таймер ремня безопасности (без ETACS)
- Реле стеклоочистителя (без ETACS)
- Модуль открытой двери (Chime Bell)
Блок предохранителей
Находится на левой стойке под панелью приборов, за защитной крышкой.
p, blockquote 7,0,0,0,0 —>
p, blockquote 8,0,0,0,0 —>
Схема
p, blockquote 9,0,0,0,0 —>
p, blockquote 10,0,0,0,0 —>
Назначение
Блок реле
Для доступа к нему, надо убрать перчаточный ящик.
p, blockquote 13,1,0,0,0 —>
Схема
p, blockquote 14,0,0,0,0 —>
p, blockquote 15,0,0,0,0 —>
Обозначение
- реле электронного распределения тормозных усилий (EBD);
- реле противотуманного света в задних фонарях;
- главное реле системы управления двигателем (для наглядности крепление отсоединено);
- реле головного света фар;
- реле очистителя и омывателя ветрового стекла;
- реле АБС;
- реле электро стекло подъемников;
- реле обогрева заднего стекла;
- реле звукового сигнализатора;
- реле указателей поворота и аварийной сигнализации.
Блоки под капотом
Основной блок
Находится в левой части, рядом с аккумулятором.
p, blockquote 17,0,0,0,0 —>
p, blockquote 18,0,0,0,0 —>
Схема
p, blockquote 19,0,0,0,0 —>
p, blockquote 20,0,0,1,0 —>
Расшифровка элементов
Дополнительный блок
Устанавливается на модели с дизельным двигателем.
p, blockquote 22,0,0,0,0 —>
Схема
p, blockquote 23,0,0,0,0 —>
p, blockquote 24,0,0,0,0 —>
Описание
p, blockquote 25,0,0,0,0 —>
| 1 | 80А Реле свечей накаливания |
| 2 | 60А Реле подогревателя (1) |
| 3 | 30А Реле подогревателя (2) |
| 4 | 30А Реле подогрева топливного фильтра |
p, blockquote 26,0,0,0,0 —> p, blockquote 27,0,0,0,1 —>
На этом всё. А если Вам есть чем дополнить материал или остались вопросы, задавайте их в комментарии.





























