Ремонт замка зажигания — бортжурнал Audi 100 1987 года на DRIVE2
Ремонтом замка занялся сразу после замены масла! Произошло так что после замены масла пошёл заводить машину а стартер не крутит! Ключь повернул зажигание включильсь! Нажимаю кнопку а у меня была выведена кнопка предыдущим владельцем и ноль реакции! Ну думаю пришло время менять втягивающее! Я его поменял! И радостный пошол заводит а оно бац и фига! Три раза снимал стартер пересматривал всё думал стартер плохой или втягивающее! Но стартер и втягивающее старое и новое полностью рабочее т.к. при замыкании контактов на стартере обычным гаечным ключём на 17мм машина заводится и с пол оборота! Начал разбиратся и полез в салон смотреть свою систему запуска с кнопки!
Разобрал центральную панельку т.к. провода с кнопки уходили туда!Снял руль и щиток приборов! При замене замка и контактной группы оказалось что достаточно это разобрать чтобы всё сделать!Снял фишку с контактной группы на ней были разрезаны провода и запитаны провода на кнопку! Дальше провода шли к бардачку а там был советский переключатель коричневого цвета!
Я выкинул все самопальные провода и скрутил все родные провода на место как должно было быть!

Полный размер
Вот так всё разобрал

Полный размер
соеденил разрезанные провода на фишке как должно быть!

Полный размер
передняя сидуха как столик для болтиков ключей и телефона)
Установив новую контактную группу это ничего не дало! стартер не крутит! разобрал полностью замок зажигания обнаружил самопальный ввёртышь который должен крутить контактную группу! Он небыл закреплён а просто сам по себе прокручивался! другой момент что он небыл сделан должным образом пришлось подлаживать проволку чтобы его зажать в нужном полоджении что очень важно!

Полный размер
замок разобран даже то что не разберается)
В итоге машина заводится с ключа но из за самодельного лепистка нужно немного крепче поворачивать ключь!

Полный размер
это леписток который был вкручен и незакреплён и не выставлен!

Полный размер
искал и подбирал нужное положение что бы зажать крепко и подлаживал проволку под резьбу!

Полный размер
вот так нашол положение когда машина заводится!
Характерные неисправности
Разница в устройстве замка зажигания различных авто подразумевает индивидуальный стиль работы — у каждой машины активизируется своя группа энергопотребителей — но в этом и главная сложность: признаки поломки у каждого также индивидуальны. Тем не менее, есть и общие:
- стартер не заработал от поворота ключа;
- ключ не поворачивается или заедает;
- машина глохнет, едва успев завестись;
- не заводится вообще.
Подобное происходит по причине:
- разряженного аккумулятора;
- плохого контакта у клемм аккумулятора;
- сломанного переключателя;
- ошибки системы безопасности;
- короткого замыкания;
- неисправного соленоида;
- изношенности самого замка
Для установления причины проверяют катушку, коммутатор и датчик Холла. Причина также может скрываться глубже и прежде чем приступить к замене замка зажигания, следует убедиться, что корень проблем только в этом, а не в неисправном бензонасосе, например.
Важно: на неисправность группы замка зажигания указывает характерный признак — приборы активизируются не при повороте ключа, а при изменении его положения в замке зажигания. Впрочем, что бы ни стояло за отказом машины заводиться, замена группы зажигания потребуется все равно. Впрочем, что бы ни стояло за отказом машины заводиться, замена группы зажигания потребуется все равно
Впрочем, что бы ни стояло за отказом машины заводиться, замена группы зажигания потребуется все равно.

Audi 100 2.8 V6 174hp AAH › Бортжурнал › Отчет по замене контактной группы и личинки замка зажигания
Наконец то Я нашел время заняться своей Аудиной и решил сам выяснить что же произошло с контактной группой и она ли причина в том что машина не заводится и не крутит стартером. Начнемс.
Вероятные проблемы с контактной группою и замком зажигания:— Машина при повороте ключа не всегда с первого раза начинает крутить стартером, или же она вобще не крутит.— Заводится если ключом надавить посильнее или покрутить сильнее.— Если ключ при повороте в крайнее правое положение то есть когда машина заводится, ключ обратно не отщелкивается на пол сантиметра назад.
1) Заказываем запчасти 4A0 905 849 B, 4A1 905 855 (VAG)

2) Приступаем к разбору, с начало снимаем руль что бы он нам не мешал снять нормально панель приборов.Посильнее оттягиваем на себя гудок он снимается, потом на 32 кажется головка нужна ею откручиваем большую гайку и тянем на себя руль отключив от крышки гудка провод питания.
3) Снимаем панель приборов, откручиваем верхний кожух с руля (с низу есть два шурупчика), откручиваем крестовой отверткой два шурупа на кожухе перед панелью (длинная планка) снимаем ее, теперь есть доступ к трем шурупам которые держат саму панель приборов, откручиваем их (они смотрят прямо на тебя)Вытаскиваем аккуратно панель и отсоединяем от нее все провода.

4) Теперь открылся доступ к самой контактной группе, с верху где сняли панель откручиваем узкой плоской отверткой два болтика, которые залиты краской (предварительно очистив от краски) они маленькие не потеряйте! И просто напросто тянем ее на себя, она должна выскочить из корпуса замка зажигания.

Все готово просто вставляем туда новую контактную группу и проверяем, если машина заводится то значит проблема решена, все делаем в обратном порядке.
Дальше по пунктам делать не нужно.
5) Если же у вас во время вынимания контактной группы вывалилась маленькая металлическая штучка, значит у вас еще и навернулся штырек личинки замка зажигания, который вставляется в контактную группу и крутит ее.

6) Откручиваем битой “Звездочка с дырочкой” Т30 этот хитрый болтик, теперь можно корпус замка вращать, для того чтобы снять его.


7) Нужно ослабить две гайки на 13 понадобятся два ключа на 13″ откручиваем практически до конца но не снимаем от крепления рулевого вала, просто теперь можно все это сдвинуть влево, а замок в право и провернуть (чтобы можно было провернуть нужно из панели где вставляется ключ вытащить отверткой резиновый чехол) замок чтобы он вылез и все тянем друг от друга.


Вот теперь можно приступить к замене этого хоботка. Личинка замка вставлена в этот самый корпус и блокируется внутренним фиксатором (как можно посмотреть на новом купленном замке) Делаем разметку где сверлить и высверливаем аккуратно (сверло на 5 подойдет в самый раз) отверстие, через которое будет открыт этот самый фиксатор, нажимаем на него и тянем личинку на себя, она должна вынутся из корпуса.


9) Не всем охото менять полностью личинку замка зажигание, ведь тогда ключи для дверей и замка зажигания будут разные. Есть выход, можно просто заменить сломанный хоботок.Берем старую личинку и находим там маленький штыречек, его выбиваем шилом тонким, и он спокойно отсоединяется от самой личинки
Тоже самое проделываем с новой личинкой, только осторожно что бы не сломать. меняем новый хоботок и ставим на старую личинку, штырек забиваем обратно


10) теперь нужно вставить личинку обратно в корпус замка зажигания, смотрим на отверстие с той стороны и на хоботок, они должны совпадать, или же просто вставляем так как вынули.

11) Все готово, теперь вставляем все в обратной последовательности, и не забываем проверить все и подтянуть хорошо болты которые крепят к кузову рулевой вал. Для надежности я его покрыл краской, там с завода резьба покрыта краской, чтобы не открутились болты от вибраций.
Спасибо за внимание, надеюсь это кому нибудь пригодится. С уважением Jonni
Диагностика пропусков зажигания Ауди 80
Пропуски зажигания — распространенная проблема, связанная с управляемостью авто. Распространенным фактором, вызывающим пропуски зажигания в бензиновом двигателе, является отсутствие искры. Это может произойти из-за множества неисправностей.
Слабым местом обычно является сама катушка из-за высокотемпературной окружающей среды непосредственно над камерой сгорания, а также вырабатываемого высокого напряжения. Есть и другие причины: потеря искры, разбалансировка топливно-воздушной смеси или потеря компрессии. К потере искры относится всё, что препятствует скачку напряжения катушки через зазор между электродами на конце свечи зажигания. Причина — изношенные, загрязненные или поврежденные свечи зажигания, плохие провода свечей или даже треснувшую крышку распределителя.

Диагностика пропусков зажигания Ауди 80 проводится методом вытягивания проводов из разъемов для определения слабого цилиндра, однако данный способ способен повредить высоким напряжением электронику в системе зажигания. Современное оборудование сканирования упрощает выполнить диагностику пропусков зажигания.
Ауди а6 с4 ремонт
Он крепится тремя винтами в следующих местах: один винт сверху синяя как снять замок зажигания ауди а6 с4 и два винта снизу красная стрелка. Нижние очень неудобно откручивать, приходилось вслепую под кожухом нащупывать эти винты. Когда кожух снят откручиваем нижний болт, показанный синей стрелкой, и снимаем подрулевой выключатель стеклоочистителей справа.
Далее мне пришлось открутить два болта, крепящих рулевую колонку, так как по другому замок вытащить не удавалось. Открученную колонку можно было слегка двигать и этого было достаточно для того, чтобы отсоединить замок. Личинка в корпусе крепится за счет упругой металлической пластинки которая вщелкивается в специальный паз.
И чтобы личинку извлечь необходимо на нее нажать и потянуть личинку на себя, но проблема в том, что корпус замка не имеет отверстий через которое можно нажать на эту пластинку. По сему это отверстие нужно сделать. Можно было просто вставить новую личинку в корпус и все как снять замок зажигания ауди а6 с4, но тогда для замка зажигания пришлось бы использовать отдельный ключ.
Меня такой вариант не очень устраивал, по этому я заменил поломанную деталь сняв ее с новой личинки. Для этого надо просто выбить штифт сбоку на нужной детали и поставить на родную личинку.

Вот собственное и все готово. Перед установкой в корпус замка я немного смазал личинку в местах трения и принялся все собирать обратно:. Замена пыльников полуоси. Ремонт полуоси. Технические характеристики тормозной системы. Прокачка гидравлической системы. Гидравлические трубки и шланги. Тормозные накладки передних тормозов. Тормозные накладки задних колес.
Дизельные Audi завоевали заслуженное признание во всем мире. Они экономичны и безопасны, хотя и прихотливы в техническом обслуживании. К особенностям этих автомобилей относится довольно широкий спектр устанавливаемых двигателей. Наибольшее распространение получили моторы Audi TDI модификаций 1. Необходимо отметить, что данное обстоятельство значительно осложняет как ремонт ТНВД Аudi, так и его техническое обслуживание.
И хотя эксплуатационный ресурс, как правило, превышает тысяч км, проблемы могут возникнуть ещё до его окончания. К сожалению, даже регулярное прохождение ТО в сервисных центрах не является гарантией, что в какой-то момент не произойдёт неприятная ситуация.
Причина этого банальна: эксплуатация автомобилей в сложных дорожных условиях и как снять замок зажигания ауди а6 с4 с высоким содержанием вредных примесей.
Снятие выключателя замка зажигания
Перед тем, как снимать выключатель зажигания, да и вообще производить какие-либо манипуляции, снимают отрицательную клемму с аккумулятора.

Далее порядок действий следующий:
- Открывают крышку колодки, отсоединяют разъем. Чтобы снять крышку коробки с предохранителями, зажим нужно повернуть на 90 градусов.
- Теперь можно отвинтить болты крепления и снять нижнюю часть приборной панели.
- Скручивают болты крепления с нижнего кожуха рулевой колодки, снимают верхний и нижний кожухи.
- Ключ вставляют в замок, поворачивают в первое положение. Скобу крепления сдвигают, ключ возвращают в положение «выключено» и вынимают из замка.
- Можно снять скобу крепления контактной группы.
- Группу извлекают сзади корпуса замка.
- Разъем на проводах группы отсоединяют.
После ремонта группу вставляют в обратном порядке. При этом следует соблюсти следующие правила:
- Совмещают отверстия в центре группы с цилиндром.
- Контактную группу устанавливают в задней части замка, фиксируют скобой.
- Ключ поворачивают — это необходимо, чтобы цилиндр совпал с корпусом.
- Скобу вдвигают до конца.
Как Снять Замок Зажигания Ауди 100 С3

Audi 100 2.8 V6 174cv AAH ›Бортжурнал› Отчет о замене контактной группы и личинки замка зажигания
Наконец, я нашел время, чтобы покончить с Audina, и решил выяснить для себя, что случилось с контактной группой и было ли это причиной того, что машина не завелась и не активировала воздушную заслонку. Как снять замок зажигания — bmw 3er club. Как изменить. Снятие замка зажигания на ВАЗ-2106 до «грешить» на замок вроде. Давай начнем.
Возможные препятствия на пути к контактному узлу и замку зажигания: — При повороте ключа автомобиль не всегда с первого раза начинает крутиться стартером или просто не крутит его вообще — Запускается при более сильном нажатии на ключ или повернуть посильнее.
— Если ключ, поворачиваясь в последнее положение вправо, то есть при запуске автомобиля, ключ не отрывается назад на полсантиметра.
1) Заказываем запчасти 4A0 905849 B, 4A1 905 855 (VAG)
2) Приступаем к разбору, сначала снимаем руль, чтобы он не мешал нам снимать штатную панель приборов.
Уберите самый громкий гудок
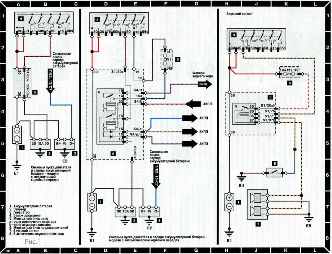
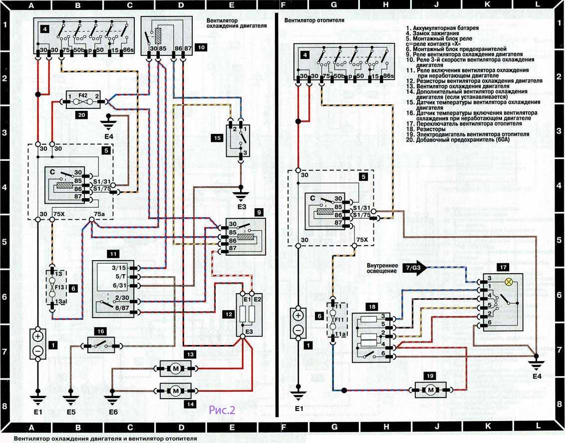
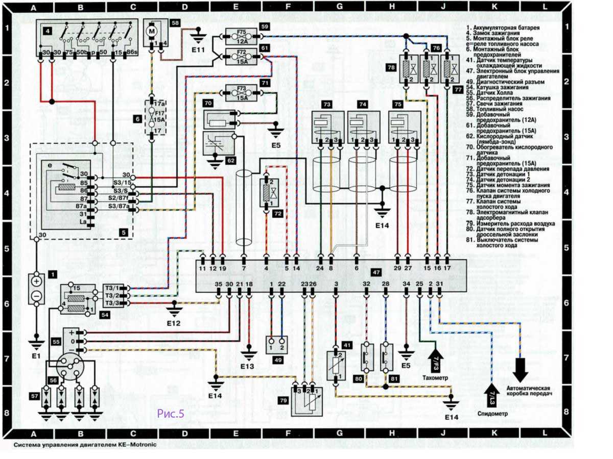
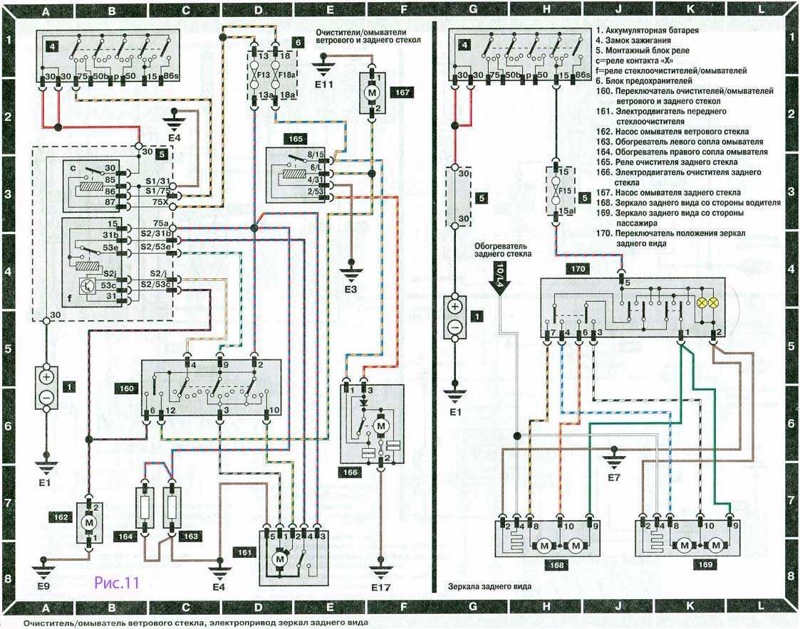
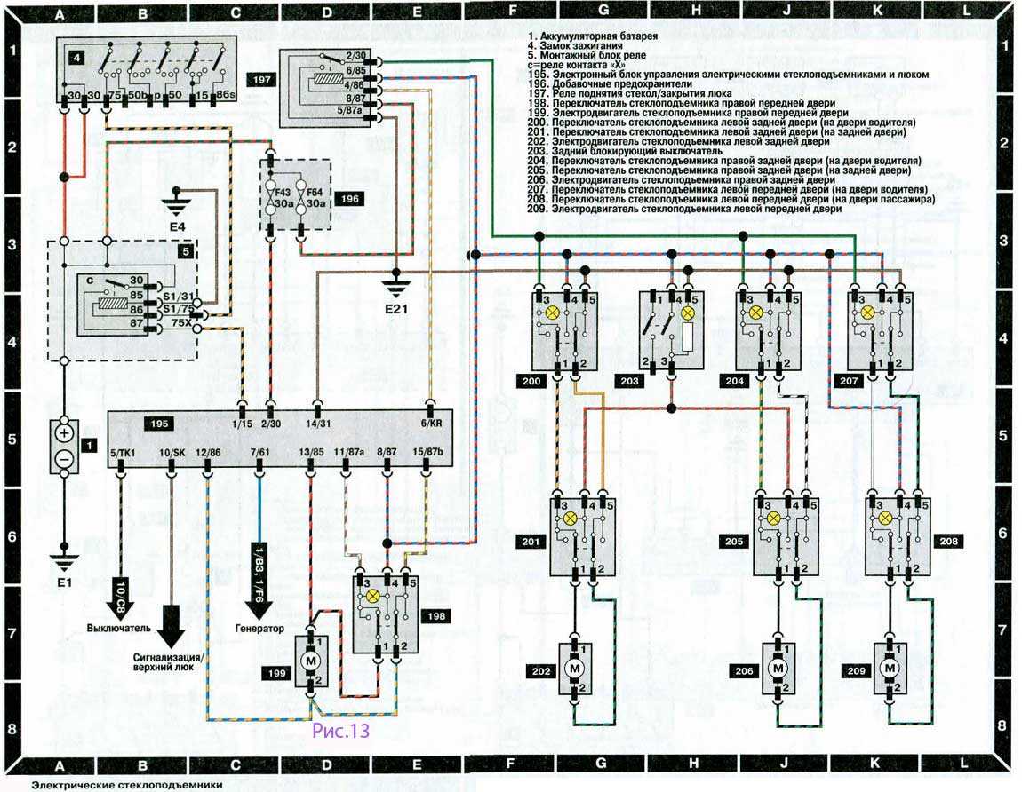
Схема электрооборудования автомобиля Ауди 100/А6 ( Audi 100/A6)


Условные обозначения на электрических схемах
- На схемах общепринятую нумерацию имеют следующие контакты:
- 15 — контакт (+12В), на который подается напряжение при включении зажигания;
- 30 — контакт (+12В), который всегда находится под напряжением аккумуляторной батареи;
- 31 — соединение с «массой»;
- 50 — контакт («плюсовый»), на который подается напряжение при повороте замка зажигания в положение «Пуск»;
- 85 — входной контакт реле;
- 86 — контакт соединения реле с «массой»;
- 87 — выходной контакт реле; 87а — выходной контакт реле.
- Места расположения контактов с «массой» автомобиля:
- Е1 — моторный отсек (провод отрицательной клеммы аккумуляторной батареи);
- Е2 — соединение с «массой» двигателя (генератор);
- ЕЗ — под левой стороной комбинации приборов;
- Е4 — жгут проводов комбинации приборов;
- Е5- жгут проводов в моторном отсеке;
- E6 — левая сторона моторного отсека;
- Е7 — под левой стороной комбинации приборов;
- Е8 — жгут проводов правой фары;
- Е9 — жгут проводов левой фары;
- Е10 — жгут проводов в моторном отсеке;
- Е11 — жгут проводов задней части кузова;
- Е12 — блок цилиндров;
- Е13 — впускной коллектор;
- Е14 — жгут проводов в моторном отсеке;
- Е15 — впускной коллектор;
- Е16 — основание левой передней стойки кузова;
- Е17 — жгут проводов крышки багажника;
- Е18 — жгут проводов комбинации приборов;
- Е19 — правая задняя стойка кузова;
- Е20 — жгут проводов центральной консоли;
- Е21 — жгут проводов электрического стеклоподьемника;
- Е22 — жгут проводов двери;
- Е23 — левая сторона багажного отделения;
- F24 — жгут проводов динамика.

На данных схемах переход сигнального провода с одного рисунка схемы на другой, указан черной стрелкой с обозначением номера рисунка и координаты места соединения.
Для удобства поиска в пределах страницы, фрагмента схемы, ниже представлены ссылки. Возврат на начало страницы, клавиши Ctrl+Home.
- Система запуска двигателя и заряда аккумулятора автомобилей с автоматической коробкой передач
- Вентиляторы охлаждения двигателя и отопителя
- Система управления дизельным двигателем
- Система управления двигателем Mono Motronic
- Система управления двигателем KE Motronic
- Система управления двигателем KE Jetronic
- Контрольные лампы и приборы
- Система наружного освещения
- Система наружного освещения (продолжение)
- Система внутреннего освещения, обогреватель заднего стекла
- Очиститель/ омыватель ветрового стекла, электропривод зеркал заднего вида
- Центральный замок и аудисистема
- Электрические стеклоподъемники
- Расположение монтажных блоков на автомобиле Ауди 100/А6
- Монтажный блок предохранителей и реле автомобилей Ауди 100 годов выпуска 1990-1994
- Предохранители и реле расположенные в монтажных блоках автомобилей Ауди 100 ( 1990-1993гг)
- Предохранители расположенные в монтажном блоке автомобилей Ауди 100/А6 (1994-1998гг)
- Расположение реле в монтажных блоках
- Дополнительные монтажные блоки

Система запуска двигателя и заряда аккумулятора автомобилей с автоматической коробкой передач

Вентиляторы охлаждения двигателя и отопителя

Система управления дизельным двигателем

Система управления двигателем Mono Motronic

Система управления двигателем KE Motronic

Система управления двигателем KE Jetronic

Контрольные лампы и приборы

Система наружного освещения

Система наружного освещения (продолжение)

Система внутреннего освещения, обогреватель заднего стекла

Очиститель/ омыватель ветрового стекла, электропривод зеркал заднего вида

Центральный замок и аудисистема


Расположение монтажных блоков на автомобиле Ауди 100/А6

Монтажный блок предохранителей и реле автомобилей Ауди 100 годов выпуска 1990-1994

Предохранители и реле расположенные в монтажных блоках автомобилей Ауди 100 ( 1990-1993гг)

Предохранители расположенные в монтажном блоке автомобилей Ауди 100/А6 (1994-1998гг)
Как завести двигатель Ауди 80 без ключа
Чтобы завести Ауди 80 без ключа, необходимо обойти замок зажигания, это следует делать только в том случае, если вы потеряли ключ. Выполняется несложно — только подсоединив шнур зажигания к шнуру аккумулятора, а затем прикоснувшись шнуром стартера к соединению. Процесс прост для моделей, произведенных в период до 1990 года, поскольку автомобили Ауди после этого поставляются с таким устройством, как иммобилайзер и сигнализацией, которые также необходимо обходить.
Для того, чтоб завести Ауди 80 без ключа, следует понимать все технологии, связанные с аккумулятором, системой зажигания и проводами стартера. Как только провода будут идентифицированы, может потребоваться три провода с зажимом и отвертка. Панель под рулевым колесом должна быть открыта для доступа к проводам, изоляцию с этих проводов на концах необходимо удалить. Убедитесь, что провода не касаются металла или друг друга, что может привести к их защемлению в оголенной части. После подключается аккумулятор с помощью шнура зажигания, который активирует автомобильные фары
В этот момент следует прикасаться стартером к аккумуляторной батарее и шнуру зажигания, но следует соблюдать осторожность, чтобы избежать искр. Двигатель после проделанных шагов заведётся
Как снять замок зажигания ауди 80 — Ремонт автомобиля своими руками
Откручиваем болт крепления замка зажигания против часовой стрелки.
Сегодня мы ответим на этот вопрос и расскажем, как разобрать систему блокировки руля и заменить ее. Отсоедините стопорный стержень от держателя ручки.
Механическая часть включает металлический цилиндр с цилиндром запирания. В него вставляется сам ключ зажигания.
Снятие/замена замка зажигания Логан
Электрическая часть включает в себя блокирующий соединитель и группу контактов, которая при повороте ключа действует как перемычка между контактами. Но замок зажигания нужен еще и для того, чтобы посторонний не завел вашу машину.
Замок имеет специальную стопорную тягу, которая при отсутствии ключа фиксирует замок зажигания на Рено Логан, блокирует руль, а поворот невозможен на каждом повороте.
Модели Renault Logan, которые были произведены через год в новом кузове, уже имеют обновленный замок зажигания, который отличается от предыдущего блока и не подходит для моделей младше одного года.
Замена производится также в тех случаях, когда ремонтный замок зажигания на ключе Рено Логан ломается и остается в цилиндре замка зажигания. Наиболее частая причина выхода из строя замка — неисправность возвратной пружины, а также выход из строя реле от замка зажигания. Перед проведением работ по замене замка необходимо отключить аккумулятор, что, собственно, и необходимо делать при любых работах с электрооборудованием.
Замену замка можно произвести вручную. Для наглядности замены у меня в блоге есть статья на эту тему.
Кроме того, замок зажигания отвечает за работу большинства электронных устройств в автомобиле, будь то дворники, печка и т.д. Выключатель зажигания можно разделить на две основные части: электронная часть и механическая часть.
Замена замка зажигания Рено Логан своими руками Авто-чип
Механическая часть включает металлический цилиндр с цилиндром запирания. В него вставляется сам ключ зажигания.
Электрическая часть включает в себя фиксирующий соединитель и группу контактов, которая при повороте ключа действует как перемычка между контактами. И это не китайская подделка, как мы думали вначале, это продукт действительно европейского качества.
Однако родной ключ в замке не поворачивается, поэтому замок зажигания разобрали и доставили в нашу мастерскую. Чтобы выявить болезнь того или иного замка, требуется его полная разборка, так как причин неисправности много. Будь осторожен:
ЭТО ИНТЕРЕСНО: что дает нулевой фильтр
Описание системы зажигания Ауди 80
Система зажигания предназначена для создания искры, которая воспламеняет топливно-воздушную смесь в цилиндре двигателя для его запуска двигателя и оптимального расхода топлива. Зажигание происходит благодаря группе компонентов, работающих вместе. Система зажигания состоит из таких компонентов:
- катушка зажигания;
- распределительный блок (распределитель);
- крышка распределителя;
- ротор;
- провода;
- свечи зажигания.
Распределитель (распределительный блок) состоит из металлической чаши, содержащей центральный вал, который обычно приводится в движение непосредственно распределительным и коленчатым валом. В чаше находятся точки прерывателя контакта, рычаг ротора и устройство для изменения момента зажигания. На нем также есть крышка распределителя. Как только катушка генерирует искру, на Ауди 80 распределитель зажигания отправляет ее через вращающийся ротор к свечам зажигания. Вращающийся ротор контактирует с несколькими точками (4 или 6) в зависимости от количества цилиндров двигателя Ауди80.
Искра передаётся через провода на свечи зажигания. Каждая точка контакта на крышке распределителя соединена с проводом свечи зажигания, который подводит искру к свече зажигания. Свечи зажигания ввинчиваются в камеры сгорания в головке блока цилиндров, конец свечи находится в верхней части цилиндра, где происходит действие. В необходимый момент благодаря распределителю, когда впускные клапаны пропускают нужное количество паров топлива и воздуха в цилиндр, свеча зажигания создает искру, которая воспламеняет смесь и вызывает горение.

Самостоятельно чиним и меняем контактную группу замка зажигания
Характеристика группы контактов
Для начала предлагаем узнать, зачем нужна контактная группа замка зажигания, какое ее устройство и принцип работы.
Предназначение и функции
По сути, КГЗЗ используется для обеспечения соединения всех без исключения электроцепей транспортного средства. То есть когда водитель поворачивает ключ в замке, КГЗЗ замыкает контакты, таким образом, позволяя использовать все без исключения электрические приборы.
Устройство
Непосредственно сама контактная группа замка зажигания выходит в место подключения этих электрических девайсов. Чтобы не допустить замыкания и разграничить сами контактные элементы, КГЗЗ монтируется в пластиковом корпусе.
Принцип работы
Автомобильная система зажигания может быть либо батарейной, либо генераторной. Их принципиальное различие заключается в том, что батарейное зажигание оснащается автономным источником питания, соответственно, все электрооборудование может быть включено без запуска двигателя. Что касается генераторной системы, то в данном случае активация электрооборудования возможна только после запуска двигателя.
Когда водитель поворачивает ключ в замке, происходит замыкание контактов электроцепи от минусовой клеммы на АКБ к катушке. При этом через проводку к замку начинает поступать напряжение, которое посредством контактов поступает на катушку, после чего возвращается на плюсовой выхода батареи.
Основные неисправности
Вкратце о причинах, по которым может потребоваться ремонт контактной группы замка зажигания:
Диагностика и замена
Итак, как проверить и как заменить КГЗЗ (процедура может отличаться в зависимости от конструктивных особенностей автомобиля):
Фотогалерея «Меняем КГЗЗ»
Чиним и меняем замок зажигания «железного коня»: курс начинающего автолюбителя
Рекомендации экспертов, как выбрать и заменить катушку зажигания
Система зажигания мопедов и скутеров: что важно знать владельцам?
Как Снять Замок Зажигания Ауди 100 С3
Audi 100 2.8 V6 174hp AAH ›Бортжурнал› Отчет о замене контактная группа и личинки Выключатель зажигания
В конце концов, я нашел время, чтобы сделать свою собственную Adina и решил выяснить, что случилось с контактной группой, и все же по этой причине машина не запускается и стартер не запускается. Как снять замок зажигания. клуб бмв 3ер. Как изменить. Снятие замка зажигания на ВАЗ-2106 перед «грехом» на замке, как. Давайте начнем.
Возможные помехи с замком зажигания и замком зажигания:— Поворот ключа не всегда запускает машину в первый раз или просто не запускается.— Запускается, если нажать клавишу сильнее или повернуть сильнее.— Если ключ поворачивается к последней правильной позиции, другими словами, когда машина завелась, ключ не отклоняется на полдюйма назад.
1) Заказываем запчасти 4А0 905 849 Б, 4А1 905 855 (VAG)
2) Перейти к анализу, сначала снять руль, чтобы он не мешал нам взлетать обычно панель устройства.Мы сильнее притягиваем к себе звуковой сигнал он снимается, позже кажется, что это голова 32, нам нужно открутить огромную гайку и потянуть руль на себя, отсоединив кабель питания от крышки звукового сигнала.
3) Снимите панель устройства, открутите верхний кожух от рулевого колеса (внизу есть два винта), снимите два винта на кожухе перед крестообразной отверткой (длинная планка), снимите его, теперь у нас три винта что держать сама панель приборов, открути их (они смотрят прямо на тебя)Мы осторожно вытаскиваем панель и отсоединяем от нее все провода
4) Теперь есть доступ к самой контактной группе, сверху, где была снята панель, откручиваем два шурупа с помощью узкой отвертки с плоской головкой, которую заливаем краской (предварительно очистив краску), следует не теряй маленьких! И просто потяните его к себе, он должен выскочить из дела Выключатель зажигания.
Вы сделали, просто вставьте новую группу контактов там и посмотрите, есть ли машина завелась тогда проблема решена, мы делаем наоборот.
Автомобиль 1988 года выпуска, небольшая контактная группа.
Замена блоков Блоки Audi 100 С4
Вконтакте группа Ремонт, б / у запчасти, новые запчасти, VAG диагностика, компьютер.
В дальнейшем баллы не требуются.
5) Если у вас есть один во время удаления контактная группа выпала маленькая металлическая штучка стопорный цилиндр зажигание, которое вставляется в контактную группу и скручивается.
6) С помощью этого хитрого болта открутите T30 «Звезда с отверстием», теперь вы можете повернуть корпус замка на взлетать ему.
7) Нам нужно ослабить две гайки на 13, нам нужно два ключа на 13 «, закрутить его почти до конца, но не снимать его с крепления рулевого вала, просто теперь вы можете переместить все влево, и Замок вправо и проверните (чтобы можно было затянуть его от панели, в которую вставлен ключ, снимите резиновую крышку с помощью отвертки) Замок поэтому он выползает и вытаскивает все.
Теперь можно начинать замену этого хоботка. как снять выключатель зажигания е36 как снять выключатель зажигания . Тогда я поеду на БМВ на заказ. Замок зажигания на замке Ваз выглядит как замок зажигания на ВАЗ-2101. Личинка замка вставляется в этот корпус и блокируется внутренним замком (как вы можете видеть на недавно приобретенном замке). Укажите, где нужно сверлить и тщательно сверлить (сверло 5 подходит вправо) через отверстие, через которое будет открыт этот замок, надавите на него и потяните личинку на себя, ее нужно вытащить из корпуса.
9) Не каждый хочет полностью поменять цилиндр замка зажигание, потому что тогда ключи от двери и зажигания будут разные. Ремонт Audi 100: чтобы заменить предохранители, замените крышку реле зажигания. Контроль температуры на свечах Audi a4 b5, b6 / b7, b8 выглядит как термостат Audi a4 на фото. Замок зажигания. Он снял щит на своем телефоне. Он сказал мне, что Audi 100 87. Есть выход, можно просто заменить сломанный хоботок.Мы берем старую личинку и находим там маленькую булавку, выбиваем ее тонким шилом, и она тихо отсоединяется от самой личинки. Мы делаем то же самое с новой личинкой, просто будьте осторожны, чтобы не сломаться. смените новый хоботок и наденьте старую личинку, забейте булавку назад.
10) теперь нужно вставить личинку обратно в футляр Выключатель зажигания, мы смотрим на отверстие на другой стороне и на хоботке, они должны совпадать или просто вставляться, как мы вынули.
11) Все готово, теперь мы вставляем все в обратном порядке, и не забудьте все проверить и затянуть болты, которые крепят рулевой вал к кузову. Для надежности я покрыл его краской, там с завода нить покрыта краской, чтобы болты от вибраций не расслаивались.






























